电脑桌面
添加小米粒文库到电脑桌面
安装后可以在桌面快捷访问

某中型制造业检验岗位说明书及KPI指标VIP免费

某中型制造业检验岗位说明书及KPI指标_第1页
1/6
某中型制造业检验岗位说明书及KPI指标_第2页
2/6
某中型制造业检验岗位说明书及KPI指标_第3页
3/6
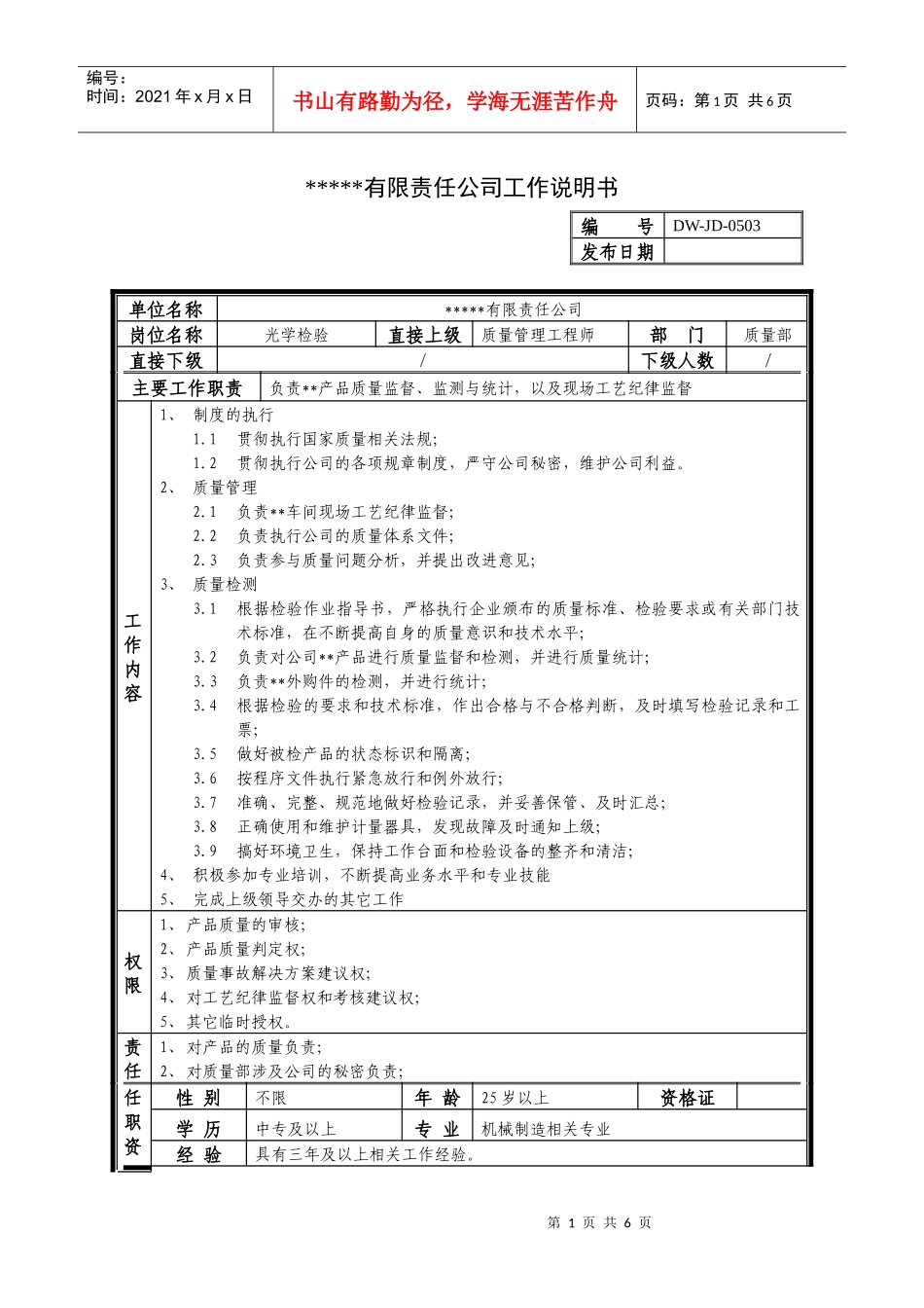
第1页共6页编号:时间:2021年x月x日书山有路勤为径,学海无涯苦作舟页码:第1页共6页*****有限责任公司工作说明书编号DW-JD-0503发布日期单位名称*****有限责任公司岗位名称光学检验直接上级质量管理工程师部门质量部直接下级/下级人数/主要工作职责负责**产品质量监督、监测与统计,以及现场工艺纪律监督工作内容1、制度的执行1.1贯彻执行国家质量相关法规;1.2贯彻执行公司的各项规章制度,严守公司秘密,维护公司利益。2、质量管理2.1负责**车间现场工艺纪律监督;2.2负责执行公司的质量体系文件;2.3负责参与质量问题分析,并提出改进意见;3、质量检测3.1根据检验作业指导书,严格执行企业颁布的质量标准、检验要求或有关部门技术标准,在不断提高自身的质量意识和技术水平;3.2负责对公司**产品进行质量监督和检测,并进行质量统计;3.3负责**外购件的检测,并进行统计;3.4根据检验的要求和技术标准,作出合格与不合格判断,及时填写检验记录和工票;3.5做好被检产品的状态标识和隔离;3.6按程序文件执行紧急放行和例外放行;3.7准确、完整、规范地做好检验记录,并妥善保管、及时汇总;3.8正确使用和维护计量器具,发现故障及时通知上级;3.9搞好环境卫生,保持工作台面和检验设备的整齐和清洁;4、积极参加专业培训,不断提高业务水平和专业技能5、完成上级领导交办的其它工作权限1、产品质量的审核;2、产品质量判定权;3、质量事故解决方案建议权;4、对工艺纪律监督权和考核建议权;5、其它临时授权。责任1、对产品的质量负责;2、对质量部涉及公司的秘密负责;任职资性别不限年龄25岁以上资格证学历中专及以上专业机械制造相关专业经验具有三年及以上相关工作经验。第2页共6页第1页共6页编号:时间:2021年x月x日书山有路勤为径,学海无涯苦作舟页码:第2页共6页格知识1、熟悉:质量管理、质量检测、行业标准2、了解:产品知识、生产技术、安全管理及人员管理技能1、熟练掌握检测计量器具的使用方法;2、具有较强的分析判断能力。职业道德敬业、严谨;责任心强、不徇私情;原则性强。*****有限责任公司工作说明书编号DW-JD-0504发布日期单位名称*****有限责任公司岗位名称装配检验直接上级质量管理工程师部门质量部直接下级/下级人数/主要工作职责负责总成产品质量监督、监测与统计,以及现场工艺纪律监督。工作内容1、制度的执行1.1贯彻执行国家质量相关法规、公司的各项规章制度,严守公司秘密,维护公司利益;;2、质量管理2.1负责装配车间现场工艺纪律监督;2.2负责执行公司的质量体系文件;2.3负责参与质量问题分析,并提出改进意见;3、质量检测3.1根据检验作业指导书,严格执行企业颁布的质量标准、检验要求或有关部门技术标准,在不断提高自身的质量意识和技术水平;3.2负责对公司总成产品进行质量监督和检测,并进行质量统计;3.3根据检验的要求和技术标准,作出合格与不合格的判断,及时填写检验记录;3.4做好被检产品的状态标识和隔离;3.5按程序文件执行紧急放行和例外放行;3.6准确、完整、规范地做好检验记录,并妥善保管、及时汇总;3.7正确使用和维护计量器具,发现故障及时通知上级;3.8搞好环境卫生,保持工作台面和检验设备的整齐和清洁;4、积极参加专业培训,不断提高业务水平和专业技能5、完成上级领导交办的其它工作权限1、产品质量的审核和产品放行证的签发;2、产品质量否决权;3、质量事故解决方案建议权;4、对工艺纪律监督权和考核建议权;5、其它临时授权。责任1、对产品的质量负责;2、对涉及公司的秘密负责。任性别不限年龄25岁以上资格证第3页共6页第2页共6页编号:时间:2021年x月x日书山有路勤为径,学海无涯苦作舟页码:第3页共6页职资格学历中专及以上专业机械制造相关专业经验具有三年及以上相关工作经验。知识1、熟悉:质量管理、质量检测、行业标准2、了解:产品知识、生产技术、安全管理及人员管理技能1、熟练掌握检测计量器具的使用方法;2、具有较强的分析判断能力。职业道德敬业、严谨;责任心强、不徇私情;原则性强。*****有限责任公司工作说明书编号DW-JD-0505发布日期单位名称*****有限责任公司岗位名称注塑检验直接...

1、当您付费下载文档后,您只拥有了使用权限,并不意味着购买了版权,文档只能用于自身使用,不得用于其他商业用途(如 [转卖]进行直接盈利或[编辑后售卖]进行间接盈利)。
2、本站所有内容均由合作方或网友上传,本站不对文档的完整性、权威性及其观点立场正确性做任何保证或承诺!文档内容仅供研究参考,付费前请自行鉴别。
3、如文档内容存在违规,或者侵犯商业秘密、侵犯著作权等,请点击“违规举报”。

碎片内容

某中型制造业检验岗位说明书及KPI指标

您可能关注的文档

确认删除?
VIP
微信客服
  • 扫码咨询
会员Q群
  • 会员专属群点击这里加入QQ群
客服邮箱
回到顶部