电脑桌面
添加小米粒文库到电脑桌面
安装后可以在桌面快捷访问

西电国际职位分级员工评定办法(最新修订完整无删减版)VIP免费

西电国际职位分级员工评定办法(最新修订完整无删减版)_第1页
1/8
西电国际职位分级员工评定办法(最新修订完整无删减版)_第2页
2/8
西电国际职位分级员工评定办法(最新修订完整无删减版)_第3页
3/8
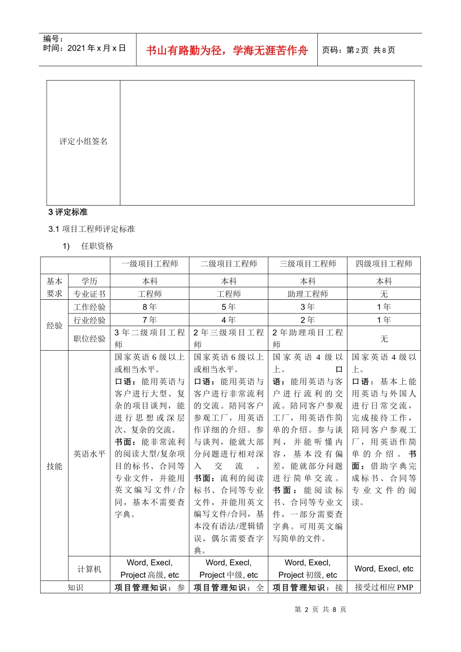
第1页共8页编号:时间:2021年x月x日书山有路勤为径,学海无涯苦作舟页码:第1页共8页西电国际职位分级员工评定办法2007年1月30日1评定组织对职位进行分级员工的资格评定由办公室进行组织,成立职位分级评定小组,成员包括公司高层及人力资源管理主管人员。2评定方法对职位分级的评定分为任职资格评定和业绩评估两个步骤。2.1任职资格的评定。由评定小组根据不同层级的任职资格标准及员工的实际情况进行判定,判断其属于符合哪一级别的任职要求。2.2工作业绩评估。由评定小组对员工过去三年的工作业绩进行评估,并根据评分标准打分。如果最终评估分数达到任职资格确定级别的最低业绩要求,则可以确定聘任为本级别职位;如果评估分数低于任职资格确定级别的最低业绩要求,则降为下一级进行聘任。2.3职位分级员工评定表员工姓名所属部门入职日期任职资格判断业绩评估分数是否达到资格相应级别最低业绩要求最终确定级别第2页共8页第1页共8页编号:时间:2021年x月x日书山有路勤为径,学海无涯苦作舟页码:第2页共8页评定小组签名3评定标准3.1项目工程师评定标准1)任职资格一级项目工程师二级项目工程师三级项目工程师四级项目工程师基本要求学历本科本科本科本科专业证书工程师工程师助理工程师无经验工作经验8年5年3年1年行业经验7年4年2年1年职位经验3年二级项目工程师2年三级项目工程师2年助理项目工程师无技能英语水平国家英语6级以上或相当水平。口语:能用英语与客户进行大型、复杂的项目谈判,能进行思想或深层次、复杂的交流。书面:能非常流利的阅读大型/复杂项目的标书、合同等专业文件,并能用英文编写文件/合同,基本不需要查字典。国家英语6级以上或相当水平。口语:能用英语与客户进行非常流利的交流。陪同客户参观工厂,用英语作详细的介绍。参与谈判,能就大部分问题进行相对深入交流。书面:流利的阅读标书、合同等专业文件,并能用英文编写文件/合同,基本没有语法/逻辑错误,偶尔需要查字典。国家英语4级以上。口语:能用英语与客户进行流利的交流。陪同客户参观工厂,用英语作简单的介绍。参与谈判,并能听懂内容,基本没有偏差,能就部分问题进行简单交流。书面:能阅读标书、合同等专业文件,一部分需要查字典。可用英文编写简单的文件。国家英语4级以上。口语:基本上能用英语与外国人进行日常交流,完成接待工作,陪同客户参观工厂,用英语作简单的介绍。书面:借助字典完成标书、合同等专业文件的阅读。计算机Word,Execl,Project高级,etcWord,Execl,Project中级,etcWord,Execl,Project初级,etcWord,Execl,etc知识项目管理知识:参项目管理知识:全项目管理知识:接接受过相应PMP第3页共8页第2页共8页编号:时间:2021年x月x日书山有路勤为径,学海无涯苦作舟页码:第3页共8页加过PMP项目管理培训(PMI项目经理证书)。精通项目管理知识并能全面/科学/有效的运用。能独立并准确无误的编制A类项目的三图一表;制定项目预算计划、采购计划、质量计划、风险计划、人力资源计划等。有非常丰富的国际贸易的知识面系统的参加过PMP项目管理培训,熟悉项目管理知识并能合理运用。能独立并准确的编制B类项目的三图一表;制定项目预算计划、采购计划、质量计划等。有丰富的国际贸易的知识受过相应PMP培训,对项目管理大部分知识能了解并掌握,能合理运用。能独立并准确的编制C类项目的三图一表(工作分解结构WBS图,带CPM网络图,甘特图,RAM责任矩阵表);编制项目预算计划。有一定的国际贸易的知识培训,对项目管理部分知识能了解并掌握。2)工作业绩评分表员工姓名所属部门入职日期因素权重10864得分项目开发(30%)成功的开拓过一个800万美元以上的新市场工程项目或新的领域的工程项目。成功的开拓过一个100万美元以上的新市场工程项目或新的领域的工程项目。参与开拓过一个100万美元以上的新市场工程项目或新的领域的工程项目。参与过新市场工程项目或新的领域的工程项目。投标个数(20%)组织800万美元以上交钥匙投标项目3个以上,其中:成功签约1个。组织500万美元以上交钥匙投标项目2个以上;其中成功签约一个。参与500万美元以上投标项目1个以上参与100万美元以上投...

1、当您付费下载文档后,您只拥有了使用权限,并不意味着购买了版权,文档只能用于自身使用,不得用于其他商业用途(如 [转卖]进行直接盈利或[编辑后售卖]进行间接盈利)。
2、本站所有内容均由合作方或网友上传,本站不对文档的完整性、权威性及其观点立场正确性做任何保证或承诺!文档内容仅供研究参考,付费前请自行鉴别。
3、如文档内容存在违规,或者侵犯商业秘密、侵犯著作权等,请点击“违规举报”。

碎片内容

西电国际职位分级员工评定办法(最新修订完整无删减版)

您可能关注的文档

中小学教育精品资料+ 关注
实名认证
内容提供者

中小学教育资料,优质文档创作者

确认删除?
VIP
微信客服
  • 扫码咨询
会员Q群
  • 会员专属群点击这里加入QQ群
客服邮箱
回到顶部