电脑桌面
添加小米粒文库到电脑桌面
安装后可以在桌面快捷访问

过程装备维修管理工程培训资料VIP免费

过程装备维修管理工程培训资料_第1页
1/55
过程装备维修管理工程培训资料_第2页
2/55
过程装备维修管理工程培训资料_第3页
3/55
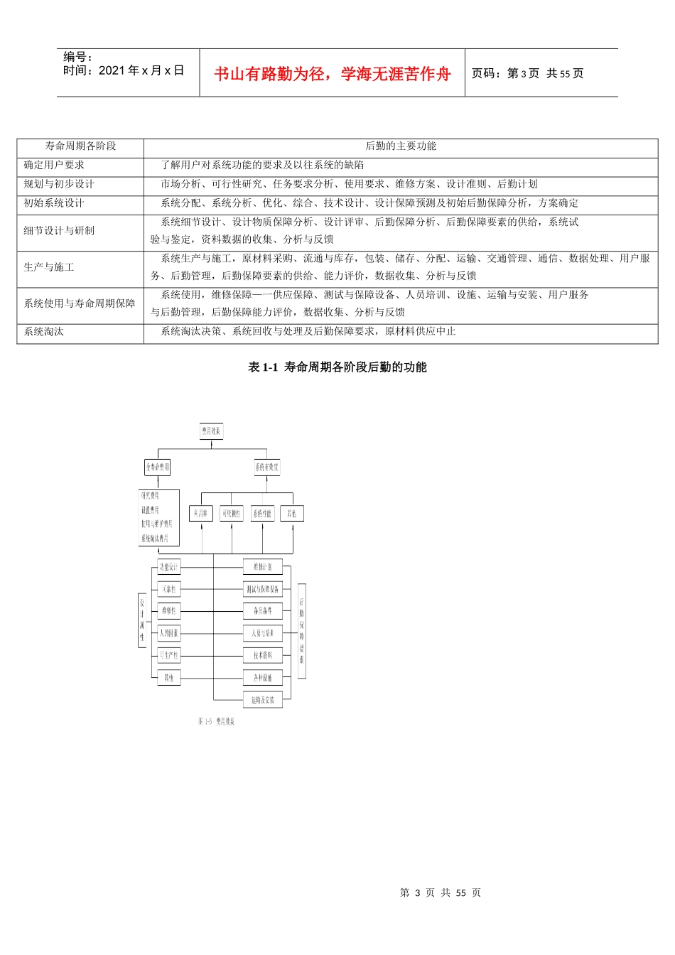
第1页共55页编号:时间:2021年x月x日书山有路勤为径,学海无涯苦作舟页码:第1页共55页第2页共55页第1页共55页编号:时间:2021年x月x日书山有路勤为径,学海无涯苦作舟页码:第2页共55页第3页共55页第2页共55页编号:时间:2021年x月x日书山有路勤为径,学海无涯苦作舟页码:第3页共55页表1-1寿命周期各阶段后勤的功能寿命周期各阶段后勤的主要功能确定用户要求了解用户对系统功能的要求及以往系统的缺陷规划与初步设计市场分析、可行性研究、任务要求分析、使用要求、维修方案、设计准则、后勤计划初始系统设计系统分配、系统分析、优化、综合、技术设计、设计保障预测及初始后勤保障分析,方案确定细节设计与研制系统细节设计、设计物质保障分析、设计评审、后勤保障分析、后勤保障要素的供给,系统试验与鉴定,资料数据的收集、分析与反馈生产与施工系统生产与施工,原材料采购、流通与库存,包装、储存、分配、运输、交通管理、通信、数据处理、用户服务、后勤管理,后勤保障要素的供给、能力评价,数据收集、分析与反馈系统使用与寿命周期保障系统使用,维修保障—一供应保障、测试与保障设备、人员培训、设施、运输与安装、用户服务与后勤管理,后勤保障能力评价,数据收集、分析与反馈系统淘汰系统淘汰决策、系统回收与处理及后勤保障要求,原材料供应中止第4页共55页第3页共55页编号:时间:2021年x月x日书山有路勤为径,学海无涯苦作舟页码:第4页共55页第5页共55页第4页共55页编号:时间:2021年x月x日书山有路勤为径,学海无涯苦作舟页码:第5页共55页第6页共55页第5页共55页编号:时间:2021年x月x日书山有路勤为径,学海无涯苦作舟页码:第6页共55页表2-1可靠度和维修度相对应的函数函数名称可靠度维修度分布函数可靠度函数:R(t)1—M(t)不可靠度函数:F(t)失效难易程度维修度函数:M(t)维修的难易程度分布函数密度f(t)=m(t)=(单位时间的)率故障率λ(t)=f(t)/R(t)修复率μ(t)=m(t)/【1—M(t)】指数分布时的分布函数和平均时间F(t)=1—e-λtMTBF=1/λM(t)=1—e-μtMTTR=1/λ表2-2寿命周期费用的构成体系(CBS)LCC寿命周AC设置费Ai研究开发费开发规划费,市场调查费,试验费,试制费、试验设备器材费,试验用消耗品费,试验用动力费技术资料费电子数据处理费(EDPCost)办公费IE(工业管理),QC(质量管理),EE(经济管理)等所需A2设计费设计费,专利使用费第7页共55页第6页共55页编号:时间:2021年x月x日书山有路勤为径,学海无涯苦作舟页码:第7页共55页期费用人员的费用图书费A3制造或构筑费制造费,包装费,运输费,库存费,安装费,操作指导书的编印费,操作人员的培训费,培训设施费,备品购置费A4试运行费试运行费SC维持费S1运行费操作人员费、辅助人员费、动力费(电、气、燃料、油、蒸汽、空气等),消耗品费、水费、操作人员培训费、专利使用费、空凋费搬运费调查费办公经费电子数据处理费IE,QC.EE等所需人员的费用图书费(设备停机损失)S2维修费维修材料费、备件费,企业内的维修劳务费,外委劳务费,改造费,维修人员培训费S3后勤支援费库存器材费,备用设备费,维修用的器材用具费,试验设备费,租赁费,仓库保管费,图纸、说明书、指导书的编制费,维修合同的费用,安全措施费,保险费,固定资产税,汽车税,同销售人员有关的费用,销售经费,用户服务费,质量保证费S4报废费用售出价,拆除费第8页共55页第7页共55页编号:时间:2021年x月x日书山有路勤为径,学海无涯苦作舟页码:第8页共55页第9页共55页第8页共55页编号:时间:2021年x月x日书山有路勤为径,学海无涯苦作舟页码:第9页共55页第10页共55页第9页共55页系统系统效率要素编号:时间:2021年x月x日书山有路勤为径,学海无涯苦作舟页码:第10页共55页表2-3几种设备的系统效率指标战斗机民用飞机生产设备卡车地下铁道电气除尘器电动洗衣机综合性指标销售量产量利润最低利益○○○○○○○○○○○○○毛利○○○○销售量产量运输量○○○○○○○单项指标可利用率完成任务的可靠性能力舒适性多能性技术简单性○○○△△○○○○○○○○○○○○○○○○...

1、当您付费下载文档后,您只拥有了使用权限,并不意味着购买了版权,文档只能用于自身使用,不得用于其他商业用途(如 [转卖]进行直接盈利或[编辑后售卖]进行间接盈利)。
2、本站所有内容均由合作方或网友上传,本站不对文档的完整性、权威性及其观点立场正确性做任何保证或承诺!文档内容仅供研究参考,付费前请自行鉴别。
3、如文档内容存在违规,或者侵犯商业秘密、侵犯著作权等,请点击“违规举报”。

碎片内容

过程装备维修管理工程培训资料

精品中小学文档+ 关注
实名认证
内容提供者

精品资料,值得下载

确认删除?
VIP
微信客服
  • 扫码咨询
会员Q群
  • 会员专属群点击这里加入QQ群
客服邮箱
回到顶部