电脑桌面
添加小米粒文库到电脑桌面
安装后可以在桌面快捷访问

道路地管施工方案培训资料VIP免费

道路地管施工方案培训资料_第1页
1/33
道路地管施工方案培训资料_第2页
2/33
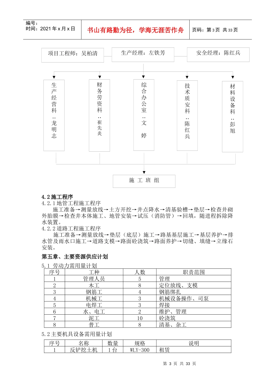
道路地管施工方案培训资料_第3页
3/33
第1页共33页编号:时间:2021年x月x日书山有路勤为径,学海无涯苦作舟页码:第1页共33页道路及地管施工方案第一章、编制说明为确保道路及地管工程施工质量、安全及施工顺利,特编制本施工专项方案,以规范和指导施工。1.1适用范围本方案适用于蓝山县示范性中学建设项目道路及地管工程施工。1.2编制依据①道路及地管施工蓝图②相关规范、规程、专著,主要包括:《电力建设施工质量验收及评价规程》土建工程篇DL/T5210.1-2012《给水排水管道工程施工及验收规范》GB50268-2008《建筑给水排水及采暖工程施工质量验收规范》GB50242-2002《钢制管道聚乙烯胶粘带防腐层技术标准》GB50242-2002《城镇道路工程施工与质量验收规范》SY/T0414-2007《公路路面基层施工技术规范》JTJ034-2000《公路路基施工技术规范》JTGF10-2006《公路水泥砼路面施工技术规范》JTGF30-2003《砼结构工程施工质量验收规范》GB50204-2010《砌体结构工程施工质量验收规范》GB50203-2011《工程测量规范》GB50026-2007《施工现场临时用电安全技术规范》JGJ46-2005《建筑施工安全检查标准》JGJ59-2011《建筑与市政降水工程技术规范》JGJ/T111-98《基坑降水手册》姚天强编著③相关地质勘查资料④品茗安全施工计算软件第二章、工程概况2.1项目简介工程名称:蓝山县示范性中学建设项目图文信息中心土建工程道路及地管工程。建设地点:蓝山县城湘粤北路以东,东方大道以北,工业大道以西,承丰大道以南。建设单位:蓝山县教育局设计单位:同济大学建筑设计研究院(集团)有限公司监理单位:湖南和天工程项目管理有限公司施工单位:湖南省第五工程有限公司2.2道路工程概况本工程属蓝山县示范性中学建设项目校区道路。本区域内主要道路路幅宽6m,与各单位工程连接的支道分别为4m~10m不等。道路垫层:为砂土压实。道路基层:为水泥:粉煤灰:碎石=6:24:70的混合料,厚度为300mm。道路面层:为强度等级抗折C30砼,设计厚度为220mm。胀缝:按100~150m间隔设置,缝间设置φ28传力杆。缩缝:按间距@5mm设计。施工缝:6m宽道路沿道路中线纵向设置施工缝,缝间设置Φ14杆。路缘石:采用预制抗压C25砼。2.3地管工程概况第2页共33页第1页共33页编号:时间:2021年x月x日书山有路勤为径,学海无涯苦作舟页码:第2页共33页本工程的地管包括:消防水管及其阀门井、雨水排水管道及其检查井、污水排水管道及其检查井。消防水管道:管径≥DN250时采用低压流体输送用螺旋缝埋弧焊接钢管,管径≤DN200时采用20#无缝钢管,焊接连接。采用聚乙烯(PE)胶带加强级防腐。消火栓按间隔60m布置,干管式安装。管道试验压力1.30Mpa。阀门井为矩形钢筋砼,采用球墨铸铁圆形井盖。雨水、污水排水管道:主要采用高密度聚乙烯双壁波纹管,热收缩套连接;管径分别为DN200~700,局部采用D219*6钢管;检查井为φ1000、φ1250钢筋砼,按不同地段需要分别采用重或轻型球墨铸铁井盖。2.4施工条件2.4.1场地基本平整,施工用水、电可按需要就近接入。2.4.2场外施工道路畅通,已直接与厂区连接,厂区主干道已形成,基本具备正常施工条件。2.5水文状况根据现场勘察,本施工场区地下水位较高,地下水位标高约-1.8m左右。含水量也较为丰富。因此对施工有一定的影响,为确保施工顺利,必须针对性采取技术措施。2.6本工程的施工特点及侧重点本工程的地下水位较高,施工深度范围为稳定性较差的砂土。受地下水的作用,基槽极易失稳坍塌,必须采取有效、连续性的降水施工措施。本工程分几期施工,先期施工阶段处于寒冬季节,须采取相应的冬期施工技术措施确保质量。根据本工程的特点,施工侧重点如下:①土方工程采取可靠措施不间断降低地下水至作业面以下0.5m。放缓坡开挖,放坡系数1:1.5。②冬期施工实施有效冬期施工措施。采取砼及砂浆掺用抗冻剂,作业面搭设防护棚,砼表面覆盖保温薄膜及保温棉保温等措施。③加强冬施安全管理,防寒防冻,防火、防煤气中毒,确保安全。第三章、施工管理目标3.1质量管理目标:分项工程质量合格率100%。分部工程质量优良。3.2安全管理目标:零伤亡,零事故。3.3文明施工管理目标:按标准化要求组织施工。3.4施工进度管理目标:根据三级网...

1、当您付费下载文档后,您只拥有了使用权限,并不意味着购买了版权,文档只能用于自身使用,不得用于其他商业用途(如 [转卖]进行直接盈利或[编辑后售卖]进行间接盈利)。
2、本站所有内容均由合作方或网友上传,本站不对文档的完整性、权威性及其观点立场正确性做任何保证或承诺!文档内容仅供研究参考,付费前请自行鉴别。
3、如文档内容存在违规,或者侵犯商业秘密、侵犯著作权等,请点击“违规举报”。

碎片内容

道路地管施工方案培训资料

确认删除?
VIP
微信客服
  • 扫码咨询
会员Q群
  • 会员专属群点击这里加入QQ群
客服邮箱
回到顶部