电脑桌面
添加小米粒文库到电脑桌面
安装后可以在桌面快捷访问

谈区域级与省级兽医实验室现场考核VIP专享VIP免费

谈区域级与省级兽医实验室现场考核_第1页
1/16
谈区域级与省级兽医实验室现场考核_第2页
2/16
谈区域级与省级兽医实验室现场考核_第3页
3/16
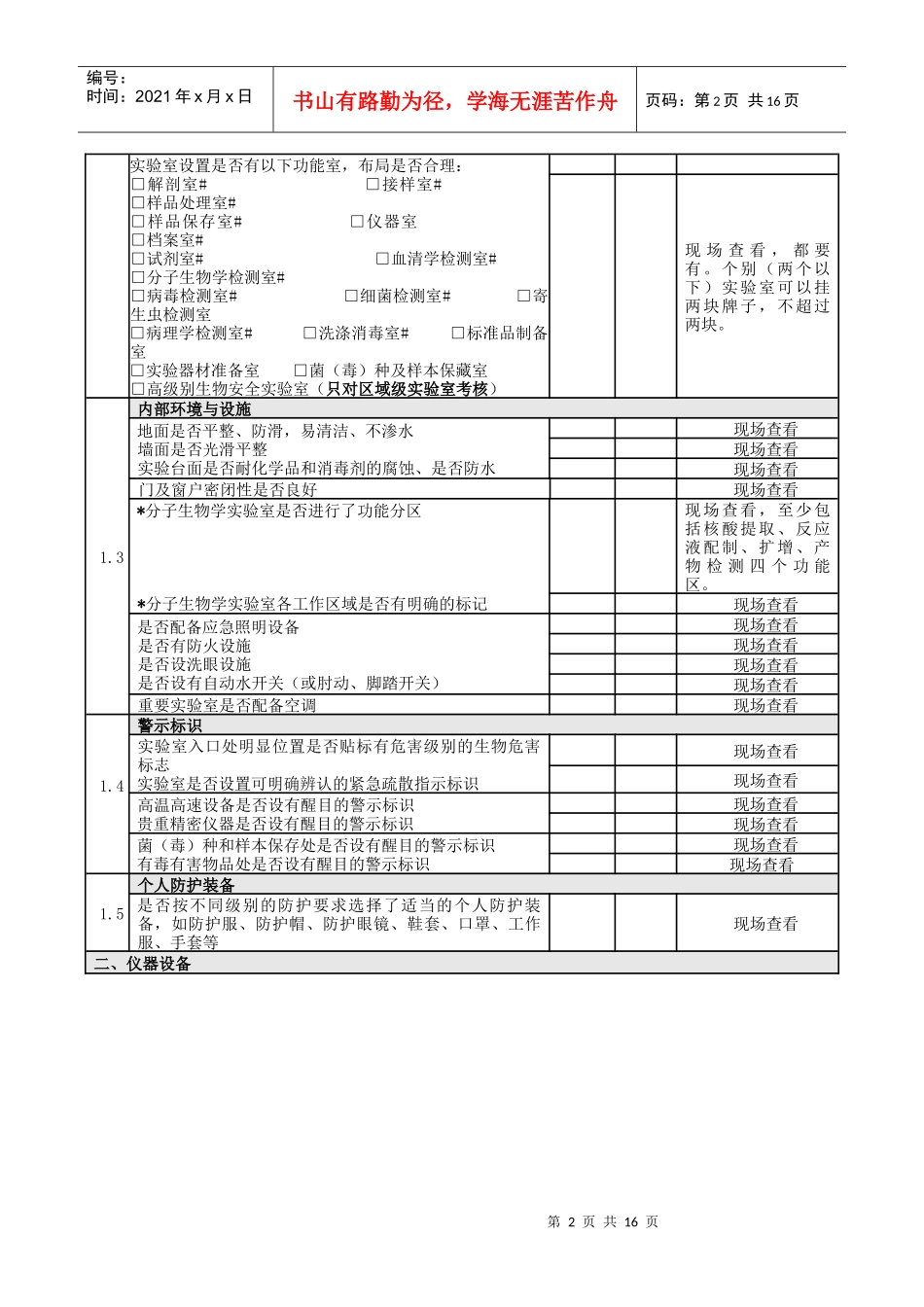
第1页共16页编号:时间:2021年x月x日书山有路勤为径,学海无涯苦作舟页码:第1页共16页区域级和省级兽医实验室现场考核评审说明本表基于《兽医系统实验室考核办法》和《兽医系统实验室建设标准》中有关条款而制定。条款评审内容评审结果评审说明Y(是)N(不是)一、实验室设施1.1*兽医实验室是否处于一个相对独立(建有屏障或缓冲区)或封闭的区域现场查看实验室建筑和建筑平面图1.2实验室面积与功能室设置*省级兽医实验室总建筑面积是否在一五00平方米以上现场查看实验室建筑和建筑平面图。总建筑面积包括实验室及专用办公室、档案室、动物房、实验室冷库、试剂材料库等实验室辅助用房,不包括车库*区域级兽医实验室总建筑面积是否在2000平方米以上,其中3实验室建筑面积不低于400平方米,基础实验室建筑面积不低于1600平方米区域级兽医实验室面积中包括省级实验室面积第2页共16页第1页共16页编号:时间:2021年x月x日书山有路勤为径,学海无涯苦作舟页码:第2页共16页实验室设置是否有以下功能室,布局是否合理:□解剖室#□接样室#□样品处理室#□样品保存室#□仪器室□档案室#□试剂室#□血清学检测室#□分子生物学检测室#□病毒检测室#□细菌检测室#□寄生虫检测室□病理学检测室#□洗涤消毒室#□标准品制备室□实验器材准备室□菌(毒)种及样本保藏室□高级别生物安全实验室(只对区域级实验室考核)现场查看,都要有。个别(两个以下)实验室可以挂两块牌子,不超过两块。1.3内部环境与设施地面是否平整、防滑,易清洁、不渗水墙面是否光滑平整实验台面是否耐化学品和消毒剂的腐蚀、是否防水现场查看现场查看现场查看门及窗户密闭性是否良好现场查看*分子生物学实验室是否进行了功能分区*分子生物学实验室各工作区域是否有明确的标记现场查看,至少包括核酸提取、反应液配制、扩增、产物检测四个功能区。现场查看是否配备应急照明设备是否有防火设施是否设洗眼设施是否设有自动水开关(或肘动、脚踏开关)现场查看现场查看现场查看现场查看重要实验室是否配备空调现场查看1.4警示标识实验室入口处明显位置是否贴标有危害级别的生物危害标志实验室是否设置可明确辨认的紧急疏散指示标识现场查看现场查看高温高速设备是否设有醒目的警示标识贵重精密仪器是否设有醒目的警示标识现场查看现场查看菌(毒)种和样本保存处是否设有醒目的警示标识有毒有害物品处是否设有醒目的警示标识现场查看现场查看1.5个人防护装备是否按不同级别的防护要求选择了适当的个人防护装备,如防护服、防护帽、防护眼镜、鞋套、口罩、工作服、手套等现场查看二、仪器设备第3页共16页第2页共16页编号:时间:2021年x月x日书山有路勤为径,学海无涯苦作舟页码:第3页共16页2.1*区域级和省级实验室是否具有以下设备□酶标仪□自动洗板机□微量震荡器□真空检测仪□普通离心机□磁力搅拌器□生物显微镜□恒温培养箱□生化培养箱□超声波清洗器□酸度计□超纯水仪□普通冰箱□自动高压灭菌器□冰柜□恒温水浴锅□干热灭菌器□通风橱□电动移液器□多道移液器□单道移液器□紫外灯□仪□Ⅱ级生物安全柜□组织匀浆机□电子天平(0.001g)□电子天平(0.0001g)□涡旋混匀器□超声波裂解器□梯度仪□荧光仪□多功能电泳仪□恒温振荡摇床□细菌过滤器□小型冻干机□小型孵化器□细菌鉴定仪□自动组织脱水机□石蜡包埋机□自动染色机□倒置显微镜□多功能显微镜□二氧化碳培养箱□全自动高压灭菌器□制冰机□超低温冰箱(-86℃)□台式高速冷冻离心机□凝胶成像与分析系统对照仪器设备清单,现场查看。所有仪器设备都要有;是手动还自动,不作要求。2.2重要仪器设备是否有专人管理仪器设备技术规格能否达到检验项目的要求*所有规定的仪器设备是否处于工作状态是否制定仪器操作规程重要仪器设备是否建立了使用记录对照仪器设备清单核实对照仪器设备清单、承检项目核实现场检查所有仪器,开机可用;查看主要仪器、对检测结果有影响的仪器使用情况的记录为正常、在有效检定或校验期限内查看所有仪器操作规程查看主要仪器、对检测结果有影响的仪器使用记录是否齐全、填写规范第4页共16页第3页共16页编号:时间:2021...

1、当您付费下载文档后,您只拥有了使用权限,并不意味着购买了版权,文档只能用于自身使用,不得用于其他商业用途(如 [转卖]进行直接盈利或[编辑后售卖]进行间接盈利)。
2、本站所有内容均由合作方或网友上传,本站不对文档的完整性、权威性及其观点立场正确性做任何保证或承诺!文档内容仅供研究参考,付费前请自行鉴别。
3、如文档内容存在违规,或者侵犯商业秘密、侵犯著作权等,请点击“违规举报”。

碎片内容

谈区域级与省级兽医实验室现场考核

确认删除?
VIP
微信客服
  • 扫码咨询
会员Q群
  • 会员专属群点击这里加入QQ群
客服邮箱
回到顶部