电脑桌面
添加小米粒文库到电脑桌面
安装后可以在桌面快捷访问

混凝土工程施工工艺和方法培训资料VIP免费

混凝土工程施工工艺和方法培训资料_第1页
1/38
混凝土工程施工工艺和方法培训资料_第2页
2/38
混凝土工程施工工艺和方法培训资料_第3页
3/38
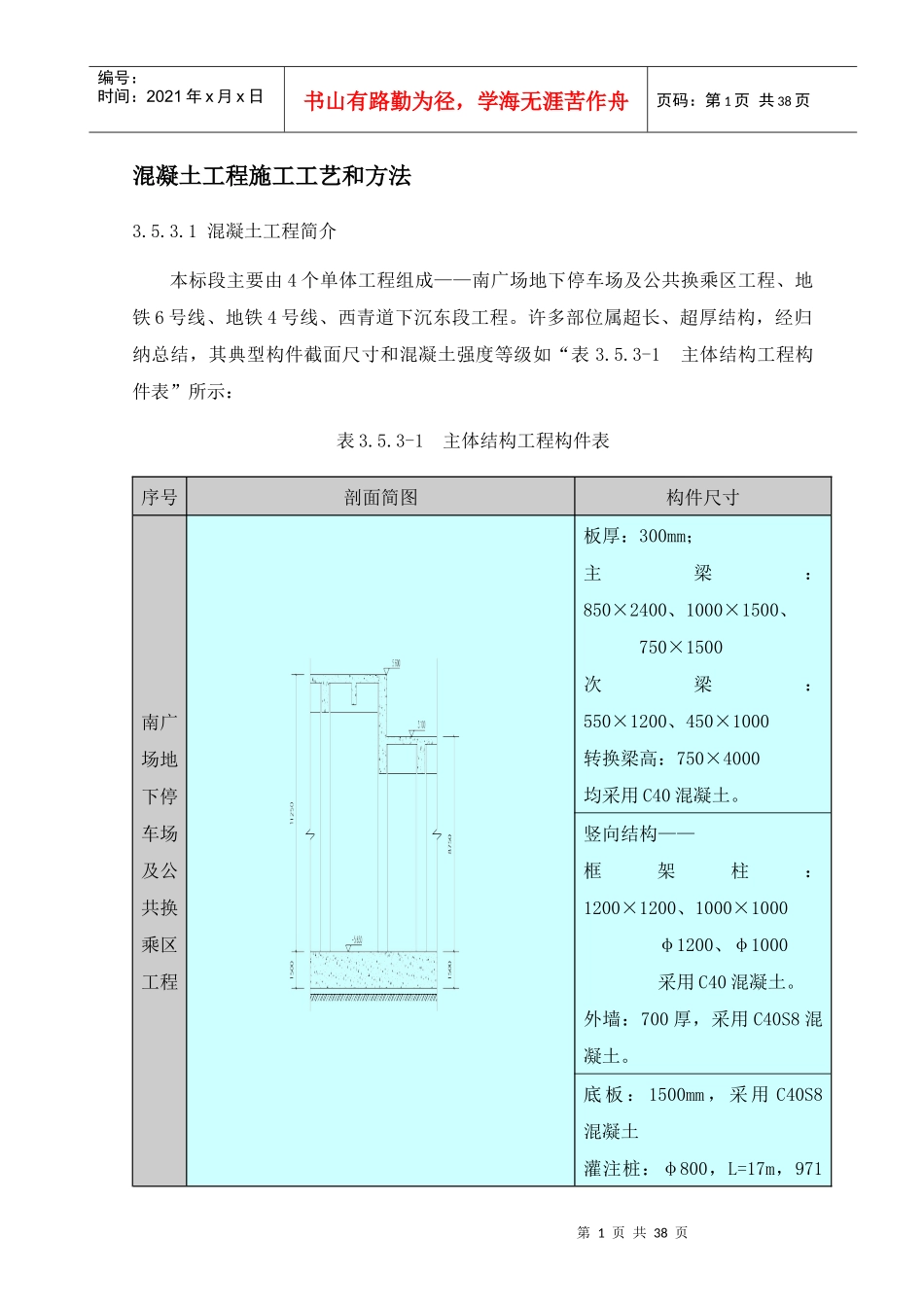
第1页共38页编号:时间:2021年x月x日书山有路勤为径,学海无涯苦作舟页码:第1页共38页混凝土工程施工工艺和方法3.5.3.1混凝土工程简介本标段主要由4个单体工程组成——南广场地下停车场及公共换乘区工程、地铁6号线、地铁4号线、西青道下沉东段工程。许多部位属超长、超厚结构,经归纳总结,其典型构件截面尺寸和混凝土强度等级如“表3.5.3-1主体结构工程构件表”所示:表3.5.3-1主体结构工程构件表序号剖面简图构件尺寸南广场地下停车场及公共换乘区工程板厚:300mm;主梁:850×2400、1000×1500、750×1500次梁:550×1200、450×1000转换梁高:750×4000均采用C40混凝土。竖向结构——框架柱:1200×1200、1000×1000φ1200、φ1000采用C40混凝土。外墙:700厚,采用C40S8混凝土。底板:1500mm,采用C40S8混凝土灌注桩:φ800,L=17m,971第2页共38页第1页共38页编号:时间:2021年x月x日书山有路勤为径,学海无涯苦作舟页码:第2页共38页序号剖面简图构件尺寸根采用C30混凝土。地铁6号线板厚:600mm;主次梁:1600×1600、750×1600采用C40混凝土。竖向结构——框架柱:φ1000钢管柱采用C50混凝土。外墙:600厚,采用C40S8混凝土。底板:1800mm,底梁:1500×1800,C40S8混凝土。灌注桩:φ2200,L=66m采用C30混凝土。地铁4号线板厚:600mm;中梁:1500×1300顶梁:750×1500、400×900采用C40混凝土。竖向结构——框架柱:φ1000钢管柱采用C50混凝土。外墙:1000厚,采用C40S8混凝土。底板:2000mm,第3页共38页第2页共38页编号:时间:2021年x月x日书山有路勤为径,学海无涯苦作舟页码:第3页共38页序号剖面简图构件尺寸底梁:1500×2500,C40S8混凝土。灌注桩:φ2200,L=98(66)m采用C30混凝土。西青道下沉东段工程单箱四室8.5+13.5+13.5+8.5顶板/底板厚度1000mm顶梁/底梁厚度1000×1400框架柱:500×1100外墙800mm,中隔墙500mm均采用C40混凝土灌注桩:φ1000,L=8~21m采用C30混凝土。U型槽底板厚度分1000、800、500三种;侧壁厚1000。3.5.3.2施工组织流程由于轨道交通地铁4号线设备层顶板、6号线顶板与南广场地下停车场及公共换乘区的结构底板为同一标高(-5.650m),且地铁4号线采用盖挖逆作法施工,6号线、西青道下沉工程采用明挖法施作,所以大致分为4个大区穿插组织进行。1流水段的划分公共换乘区结构底板-5.650标高处:公共换乘区分为南北两个大区共计17个小段;地铁4号线分为五个施工段;地铁6号线分为四个施工段,根据施工流水段的划分安排混凝土分项工程的流水段,并在各施工段分界处设置温度后浇带(地铁4、6号线设置沉降缝),其底板结构混凝土组织顺序如图3.5.3-1、2所示。第4页共38页第3页共38页编号:时间:2021年x月x日书山有路勤为径,学海无涯苦作舟页码:第4页共38页计划从2010年6月初插入西青道底板大体积混凝土施工,同时,为了兼顾南广场公共换乘区和地铁4、6号线主体结构的正常施工,需保留临时道路,因此,西青道先施工S1-18~S1-14段隧道和东侧U形槽段主体结构,待S-14段主体结构施工完毕,防水及土方回填后,将临时道路转移至S-14段隧道上方,再组织S1-13/12/11段隧道主体结构的施工,图3.5.3-3所示。图3.5.3-1地铁4、6号线、公共换乘区结构底板(-5.650标高)砼浇筑顺序图第5页共38页第4页共38页编号:时间:2021年x月x日书山有路勤为径,学海无涯苦作舟页码:第5页共38页公共换乘区结构顶板5.600/3.100标高处:根据温度后浇带和西站主楼与南广场之间的沉降缝将公共换乘区分24个小段;西青道下沉路按设计沉降缝位置,分为18个小段,公共换乘区顶板结构与西青道下沉路平行组织施工,如图3.5.3-3所示。图3.5.3-2地铁4、6号线、公共换乘区结构底板(-5.650标高)施工分区图第6页共38页第5页共38页编号:时间:2021年x月x日书山有路勤为径,学海无涯苦作舟页码:第6页共38页图3.5.3-3公共换乘区顶层结构(5.600/3.100)、西青道施工分区图2施工缝留置位置地铁4号线采用盖逆法施作,此工艺要求墙体需设置4条水平施工缝,如图3.5.3-4所示;地铁6号线采用正施法施作,单由于其层高较高、结构构件较大,我们也设置了2条水平施工缝。每条水平施工缝内,均安...

1、当您付费下载文档后,您只拥有了使用权限,并不意味着购买了版权,文档只能用于自身使用,不得用于其他商业用途(如 [转卖]进行直接盈利或[编辑后售卖]进行间接盈利)。
2、本站所有内容均由合作方或网友上传,本站不对文档的完整性、权威性及其观点立场正确性做任何保证或承诺!文档内容仅供研究参考,付费前请自行鉴别。
3、如文档内容存在违规,或者侵犯商业秘密、侵犯著作权等,请点击“违规举报”。

碎片内容

混凝土工程施工工艺和方法培训资料

确认删除?
VIP
微信客服
  • 扫码咨询
会员Q群
  • 会员专属群点击这里加入QQ群
客服邮箱
回到顶部