电脑桌面
添加小米粒文库到电脑桌面
安装后可以在桌面快捷访问

消防系统维护保养表格VIP免费

消防系统维护保养表格_第1页
1/45
消防系统维护保养表格_第2页
2/45
消防系统维护保养表格_第3页
3/45
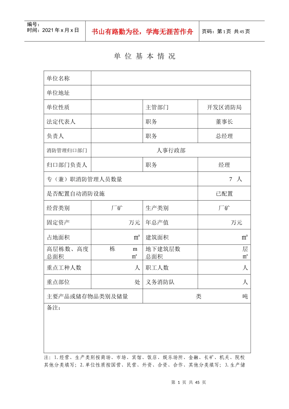
第1页共45页编号:时间:2021年x月x日书山有路勤为径,学海无涯苦作舟页码:第1页共45页单位基本情况单位名称单位地址单位性质主管部门开发区消防局法定代表人职务董事长负责人职务总经理消防管理归口部门人事行政部归口部门负责人职务经理专(兼)职消防管理人员数量7人是否配置自动消防设施已配置经营类别厂矿生产类别厂矿固定资产万元年总产值万元占地面积㎡建筑面积㎡高层栋数、高度总面积栋m㎡地下建筑层数总面积层㎡重点工种人数人职工人数人重点部位处义务消防队人主要产品或储存物品类别及储量类吨备注:注:1.经营、生产类别按商场、市场、宾馆、饭店、娱乐场所、金融、长矿、机关、院校其他分类填写;2.单位性质按国营、民营、外资、合资、合作、其他分类填写;3.生产储第2页共45页第1页共45页编号:时间:2021年x月x日书山有路勤为径,学海无涯苦作舟页码:第2页共45页存类别按甲、乙、丙、丁、戊分类填写;4.无法定代表人的单位填写负责人。单位总平面图第3页共45页第2页共45页编号:时间:2021年x月x日书山有路勤为径,学海无涯苦作舟页码:第3页共45页平面图要标识:1.方位指示;2.比例;3.周围、场内交通道路;4.重点部位;5.消火栓、灭火工具、器材位置等。第4页共45页第3页共45页编号:时间:2021年x月x日书山有路勤为径,学海无涯苦作舟页码:第4页共45页生产工艺流程图工艺流程图要标识:1.工艺设备所在部位;2.主要工艺设备名称;3.生产原料、成品(半第5页共45页第4页共45页编号:时间:2021年x月x日书山有路勤为径,学海无涯苦作舟页码:第5页共45页成品);4.工艺设备的主要危险部位等。消防安全管理组织机构消防安全责任人职务总经理消防安全管理人职务消防管理归口部门责任人职务经理专(兼)职消防安全管理人员职务总务主管专(兼)职消防安全管理人员职务物流部经理专(兼)职消防安全管理人员职务专(兼)职消防安全管理人员职务专(兼)职消防安全管理人员职务生产主管专(兼)职消防安全管理人员职务生产主管专(兼)职消防安全管理人员职务生产主管第6页共45页第5页共45页编号:时间:2021年x月x日书山有路勤为径,学海无涯苦作舟页码:第6页共45页消防安全管理组织机构:防火安全委员会主任:防火安全委员会副主任:防火安全委员会成员:各级消防安全责任人序号部门责任人职务1234567第7页共45页第6页共45页编号:时间:2021年x月x日书山有路勤为径,学海无涯苦作舟页码:第7页共45页重点部位及消防安全责任人序号部门责任人职务第8页共45页第7页共45页编号:时间:2021年x月x日书山有路勤为径,学海无涯苦作舟页码:第8页共45页重点部位情况部位名称所在单位建筑耐火等级面积㎡建筑结构高度m消防安全责任人职务使用性质及火灾危险性第9页共45页第8页共45页编号:时间:2021年x月x日书山有路勤为径,学海无涯苦作舟页码:第9页共45页室内外消防设施疏散设施预防措施补救措施单位消防安全制度序号制度名称12345678第10页共45页第9页共45页编号:时间:2021年x月x日书山有路勤为径,学海无涯苦作舟页码:第10页共45页9101112131415注:单位的具体消防安全制度附后。单位制定的消防制度主要有:1.消防安全教育、培训制度2.防火巡逻、检查制度3.安全疏散设施管理制度4.消防控制室值班制度5.消防设施、器材维护管理制度6.火灾隐患整改制度7.用火、用电安全管理制度8.易燃易爆危险物品和场所防火防爆制度9.义务(专职)消防队的组织管理制度10.灭火和应急疏散预案演练制度11.燃气和电气设备的检查、管理(包括防雷、防静电)制度12.消防安全工作考评、奖惩制度13.消防安全岗位责任制14.其他制度第11页共45页第10页共45页编号:时间:2021年x月x日书山有路勤为径,学海无涯苦作舟页码:第11页共45页保障消防安全的操作规程序号操作规程名称1234567第12页共45页第11页共45页编号:时间:2021年x月x日书山有路勤为径,学海无涯苦作舟页码:第12页共45页8910111213141516注:单位的具体消防安全操作规程附后。消防设施灭火器材基本情况第13页共45页第12页共45页编号:时间:2021年x月x日书山有路勤为径,学海无涯苦作舟页码:第13页共45页大连有限公司消防设...

1、当您付费下载文档后,您只拥有了使用权限,并不意味着购买了版权,文档只能用于自身使用,不得用于其他商业用途(如 [转卖]进行直接盈利或[编辑后售卖]进行间接盈利)。
2、本站所有内容均由合作方或网友上传,本站不对文档的完整性、权威性及其观点立场正确性做任何保证或承诺!文档内容仅供研究参考,付费前请自行鉴别。
3、如文档内容存在违规,或者侵犯商业秘密、侵犯著作权等,请点击“违规举报”。

碎片内容

消防系统维护保养表格

您可能关注的文档

确认删除?
VIP
微信客服
  • 扫码咨询
会员Q群
  • 会员专属群点击这里加入QQ群
客服邮箱
回到顶部