电脑桌面
添加小米粒文库到电脑桌面
安装后可以在桌面快捷访问

油品储运实操考核XXXXVIP免费

油品储运实操考核XXXX_第1页
1/42
油品储运实操考核XXXX_第2页
2/42
油品储运实操考核XXXX_第3页
3/42
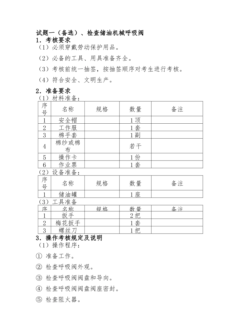
油品储运工“双百”题库实际操作试题一(备选)、检查储油机械呼吸阀1.考核要求(1)必须穿戴劳动保护用品。(2)必备的工具、用具准备齐全。(3)考核前统一抽签,按抽签顺序对考生进行考核。(4)符合安全、文明生产。2.准备要求(1)材料准备:序号名称规格数量备注1安全帽1顶2工作服1套3棉手套1副4棉纱或棉布若干5操作卡1份6作业票1套(2)设备准备:序号名称规格数量备注1储油罐1座(3)工具准备序名称规格数量备注1扳手2把2梅花扳手1套3螺丝刀1把3.操作考核规定及说明(1)操作程序:①准备工作。②检查呼吸阀外观。③检查呼吸阀阀盘和导向。④检查呼吸阀阀盘阀座密封。⑤检查阻火器。(2)考核规定及说明:①如操作违章,将停止考核。②考核采用100分制,然后按考核比重进行折算。(3)考核方式说明:该项目为实际操作,考核过程按评分标准及操作过程进行评分。4.考核时限:以考生顺利完成考核为准5.评分记录表试题名称:检查储油罐阻火器序号考核内容考核要素考核标准配分考核结果得分1准备工作着装着装整洁、规范,拉链拉满,钮扣系全10工具、用具准备正确选择使用的工具52阻火器检查外观检查外观检查应无缺损10阀盖螺栓齐全,润滑良好10打开阀盖,检查密封垫无缺损10阀盘阀盘及配重齐全,重量合适20导向杆(老式)或导向套(全天候)清洁无变形,阀盘运动无阻碍10阀盘及阀座上的密封面完好清洁,无积水,无结冰10阻火器全部取出阀盘后,检查阻火器波纹板或阻火网清洁无阻塞103使用工具正确使用工具整个操作过程中工具使用正确,摆放有序54安全文明操作严格按操作规程操作整个操作过程中发生违反操作规程的行为停止本次考核考核总评100考评员:核分员:年月日试题二、连接装卸油胶管1.考核要求(1)必须穿戴劳动保护用品。(2)必备的工具、用具准备齐全。(3)考核前统一抽签,按抽签顺序对考生进行考核。(4)符合安全、文明生产。2.准备要求(1)材料准备序号名称规格数量备注1安全帽1顶2工作服1套3棉手套1副4作业票1套5操作卡1份(2)设备准备序号名称规格数量备注1卸油胶管1根(3)工具准备序号名称规格数量备注1钢丝钳1把2螺丝刀1把3.操作考核规定及说明(1)操作程序:①准备工作。②检查快速接头。③检查胶管内是否有油。④连接胶管。⑤运行检查。(2)考核规定及说明:①如操作违章,将停止考核。②考核采用100分制,然后按考核比重进行折算。(3)考核方式说明:该项目为实际操作,考核过程按评分标准及操作过程进行评分。4.考核时限:以考生顺利完成考核为准5.评分记录表试题名称:连接卸油胶管序号考核内容考核要素考核标准配分考核结果得分1准备工作着装着装整洁、规范,拉链拉满,钮扣系全10工具、用具准备正确选择使用的工具52连接检查接头检查快速接头是否完好,口径是否配套,压紧扳手是否完好15清理余油检查胶管内是否有油10连接动作熟练规范153检查运行前检查检查连接是否到位,卡扣是否松动20运行中检查开泵后检查是否渗漏,若渗漏进行处理204使用工具正确使用工具整个操作过程中工具使用正确,摆放有序55安全文明操作严格按操作规程操作整个操作过程中发生违反操作规程的行为停止本次考核考核总评100考评员:核分员:年月日试题三、使用灭火器的灭火1.考核要求(1)必须穿戴劳动保护用品。(2)必备的工具、用具准备齐全。(3)考核前统一抽签,按抽签顺序对考生进行考核。(4)符合安全、文明生产。2.准备要求(1)材料准备序号名称规格数量备注1安全帽1顶2工作服1套3棉手套1副4干粉灭火器1台(2)工具准备序号名称规格数量备注1废油桶1个2煤油约2kg3棉纱头少许4打火机1个3.操作考核规定及说明(1)操作程序:①准备工作。②灭火器灭火的使用方法。③灭火器的灭火操作。(2)考核规定及说明:①如操作违章,将停止考核。②考核采用100分制,然后按考核比重进行折算。(3)考核方式说明:该项目为实际操作,考核过程按评分标准及操作过程进行评分。4.考核时限:以考生顺利完成考核为准5.评分记录表试题名称:使用灭火器的灭火序号考核内容考核要素考核标准配分考核结果得分1准备工作着装着装整洁、规范,拉链拉满,钮扣系全10工具、...

1、当您付费下载文档后,您只拥有了使用权限,并不意味着购买了版权,文档只能用于自身使用,不得用于其他商业用途(如 [转卖]进行直接盈利或[编辑后售卖]进行间接盈利)。
2、本站所有内容均由合作方或网友上传,本站不对文档的完整性、权威性及其观点立场正确性做任何保证或承诺!文档内容仅供研究参考,付费前请自行鉴别。
3、如文档内容存在违规,或者侵犯商业秘密、侵犯著作权等,请点击“违规举报”。

碎片内容

油品储运实操考核XXXX

确认删除?
VIP
微信客服
  • 扫码咨询
会员Q群
  • 会员专属群点击这里加入QQ群
客服邮箱
回到顶部