电脑桌面
添加小米粒文库到电脑桌面
安装后可以在桌面快捷访问

综合技术工人岗位说明书VIP免费

综合技术工人岗位说明书_第1页
1/2
综合技术工人岗位说明书_第2页
2/2
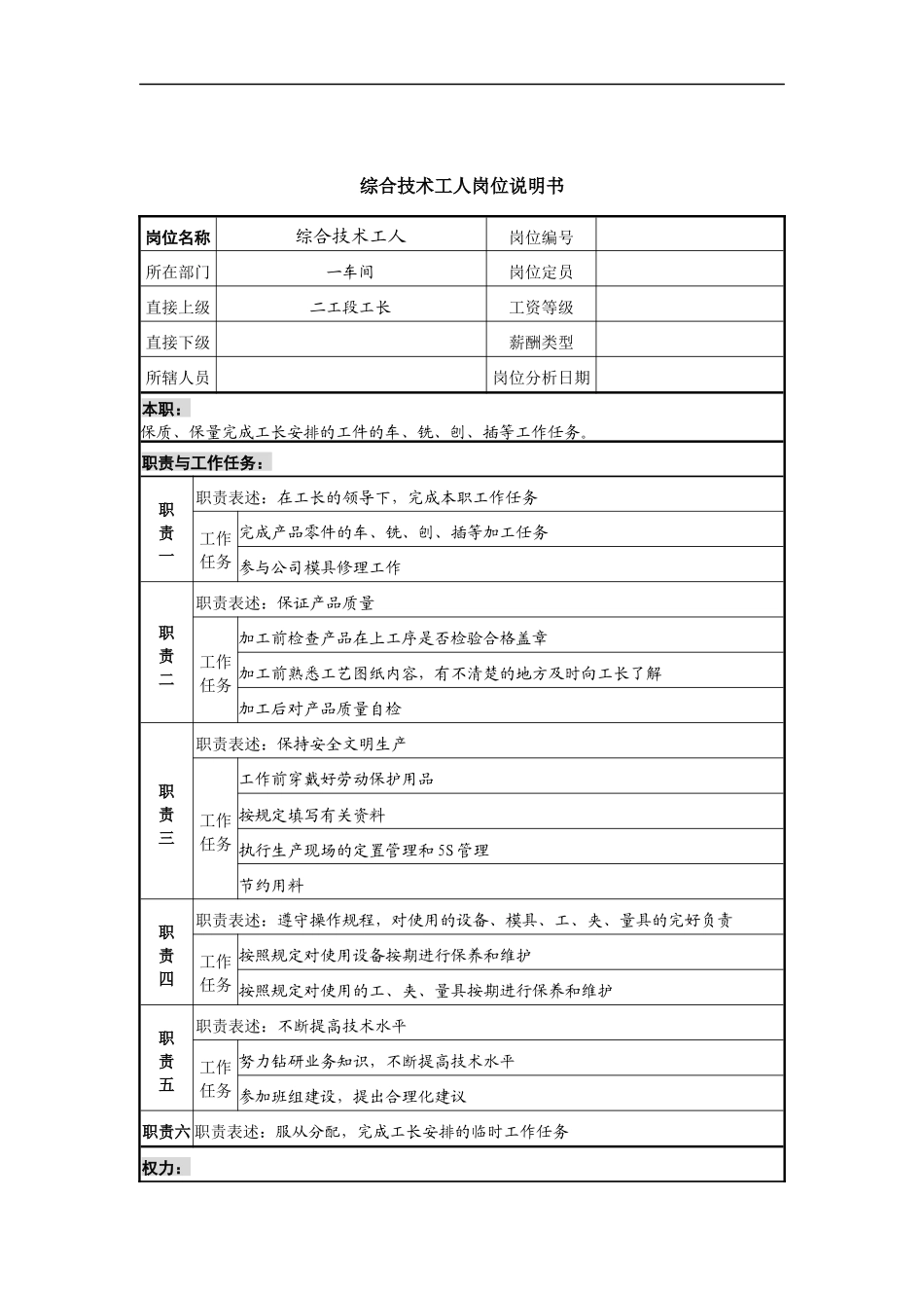
综合技术工人岗位说明书岗位名称综合技术工人岗位编号所在部门一车间岗位定员直接上级二工段工长工资等级直接下级薪酬类型所辖人员岗位分析日期本职:保质、保量完成工长安排的工件的车、铣、刨、插等工作任务。职责与工作任务:职责一职责表述:在工长的领导下,完成本职工作任务工作任务完成产品零件的车、铣、刨、插等加工任务参与公司模具修理工作职责二职责表述:保证产品质量工作任务加工前检查产品在上工序是否检验合格盖章加工前熟悉工艺图纸内容,有不清楚的地方及时向工长了解加工后对产品质量自检职责三职责表述:保持安全文明生产工作任务工作前穿戴好劳动保护用品按规定填写有关资料执行生产现场的定置管理和5S管理节约用料职责四职责表述:遵守操作规程,对使用的设备、模具、工、夹、量具的完好负责工作任务按照规定对使用设备按期进行保养和维护按照规定对使用的工、夹、量具按期进行保养和维护职责五职责表述:不断提高技术水平工作任务努力钻研业务知识,不断提高技术水平参加班组建设,提出合理化建议职责六职责表述:服从分配,完成工长安排的临时工作任务权力:对上工序检验不合格的产品、零件有权拒绝加工对工艺内容不清的产品、零件有权拒绝加工对违章指挥、违章操作有权制止工作协作关系:内部协调关系工长外部协调关系任职资格:教育水平技校、职业高中毕业专业机械加工类专业培训经历岗位培训合格证经验一年以上工作经验知识掌握使用设备的性能、传动关系、操作和使用维护方法掌握工、夹、量具的使用和维护方法了解初等数学、机械原理、材料力学、金属切削原理、技术测量的一般知识以及机械加工的专业知识了解生产管理和全面质量管理的内容技能技巧熟练掌握零件图、装配图及其计算,掌握刃磨各种成型刀具的方法个人素质具有一定人际能力、沟通能力、计划与执行能力其它:使用工具/设备工、夹、量具工作环境车间工作时间特征正常工作时间,根据需要加班所需记录文档转序单、工时记录单、领料单考核指标:工时、质量、重要任务完成情况考勤、服从安排、遵守制度人际交往能力、沟通能力、判断和决策能力、计划和执行能力、专业知识及技能备注

1、当您付费下载文档后,您只拥有了使用权限,并不意味着购买了版权,文档只能用于自身使用,不得用于其他商业用途(如 [转卖]进行直接盈利或[编辑后售卖]进行间接盈利)。
2、本站所有内容均由合作方或网友上传,本站不对文档的完整性、权威性及其观点立场正确性做任何保证或承诺!文档内容仅供研究参考,付费前请自行鉴别。
3、如文档内容存在违规,或者侵犯商业秘密、侵犯著作权等,请点击“违规举报”。

碎片内容

综合技术工人岗位说明书

精品中小学文档+ 关注
实名认证
内容提供者

精品资料,值得下载

相关文档

确认删除?
VIP
微信客服
  • 扫码咨询
会员Q群
  • 会员专属群点击这里加入QQ群
客服邮箱
回到顶部