电脑桌面
添加小米粒文库到电脑桌面
安装后可以在桌面快捷访问

沥青路面试验段施工方案VIP专享VIP免费

沥青路面试验段施工方案_第1页
1/36
沥青路面试验段施工方案_第2页
2/36
沥青路面试验段施工方案_第3页
3/36
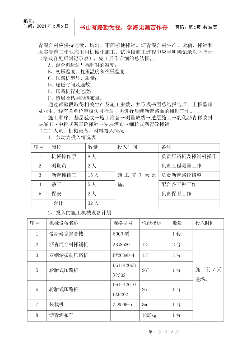
第1页共36页编号:时间:2021年x月x日书山有路勤为径,学海无涯苦作舟页码:第1页共36页SD-1、SD-2隧道沥青混凝土路面试验段专项施工方案一、编制依据1、《珠海市横琴新区市政基础设施BT项目非示范段主、次干路市政道路工程(一期工程)》——隧道工程施工图设计文件2、《城镇道路工程施工与质量验收规范》(CJJ1-2008)3、《公路沥青路面施工技术规范》(JTGF40-2004)4、《公路沥青路面设计规范》(JTGD40-2002)5、《公路工程沥青及沥青混合料试验规程》(JTJ052-2000)6、《施工现场临时用电安全技术规范》(JGJ46-2005)7、《建设工程施工安全技术操作规程》中国建筑工业出版社8、施工现场情况及类似工程项目的施工经验二、工程概况横琴新区市政基础设施BT项目非示范段主、次干路市政道路工程(一期工程)环岛西路DX—17#路设SD-2隧道,为双向四车道小净距隧道,全长约2300米。本次试验段将选定于左洞k5+000-k4+800,试验全长200米,沥青路面摊铺面积约为1650㎡。沥青路面结构(由上至下):4cm细粒式改性沥青砼AC-13C(加阻燃剂)6cm中粒式改性沥青砼AC-20C0.6cm乳化沥青稀浆封层三、施工部署(一)施工部署铺筑试验段的目的:检验沥青混合料的稳定性以及拌和、摊铺和压实等机械设备的效率、检查施工方法、施工组织的适应性,验证沥青混合料适宜的拌和、摊铺温度和碾压温度,并确定松铺系数,对可能出现的问题及时进行调整和处理。本次试验段摊铺长度为200米,为确保试验段的施工质量,拟先采用生产配合比进行试拌、铺筑200米的试验段,并用拌和的沥青混合料及试验段钻取的芯样进行马歇尔试验检验,由此确定生产用的标准配合比,并作为生产上控制的依据和质量检验的标准。试验段沥青砼路面的摊铺总宽度为8.25m,拟采用一台摊铺机进行作业,并投入3台振动式压路机及两台轮胎式压路机进行碾压,以确保碾压质量。沥第2页共36页第1页共36页编号:时间:2021年x月x日书山有路勤为径,学海无涯苦作舟页码:第2页共36页青混合料应保持连续、均匀、不间断地摊铺。沥青混合料生产、运输、摊铺和压实等施工作业应采用机械化施工。试验段施工过程中应当明确记录以下指标(格式详见后附记录表),完工后作详细的总结报告。A、混合料运达与摊铺时的温度;B、初压温度、复压温度和终压温度;C、压路机型号、质量;D、碾压时间及遍数;E、压路机行走速度;F、透层及粘层的洒布量。通过试验段取得相关生产及施工参数,并形成书面总结报告后,上报监理及业主,经有关单位审核认可行后,再进行后续沥青路面的摊铺工作。施工顺序:基层验收→施工准备→测量放线→透层施工→乳化沥青稀浆封层施工→中粒式沥青砼摊铺→粘层洒布→细粒式沥青砼摊铺(二)人员、机械设备、材料投入情况1、劳动力投入情况表序号岗位数量投入时间备注1机械操作手8人施工前7天到场。负责压路机及摊铺机操作2测量员2人负责工程测量工作3沥青摊铺工15人负责沥青路砼修整4杂工5人配合各工种工作5保安2人负责保卫工作合计32人2、投入的施工机械设备计划序号机械设备名称规格型号性能指标数量投入时间1爱斯泰克拌合楼5000型1套施工前7天进场。2沥青混合料摊铺机ABG862012m2台3双钢轮振动压路机BW203AD-413T3台5轮胎式压路机D61142G6BXP30226T1台6轮胎式压路机D61142G10BXP26226T1台7装载机ZLM50E-53m31台8沥青洒布车1865kg1台第3页共36页第2页共36页编号:时间:2021年x月x日书山有路勤为径,学海无涯苦作舟页码:第3页共36页9自卸汽车8台主要检验试验设备投入计划表序号机械设备名称规格型号性能指标数量备注1恒数显沥青延度测定仪STYD-3台12智能数显沥青针入度仪DF-4台13多功能电脑全自动软化点DF-10台14数显全自动马歇尔稳定度测定仪DF-3台15电热恒温水槽TC-20台16数控沥青混合料快速分离机LF-5台17马歇尔电动击实仪LJ-12台18混凝土钻孔取芯机HZ-20台19电动脱模机LD-T150D台110恒温干燥箱101-3A台111自动混合料拌和机LDAB-11台112数显土壤液塑限联合测定仪YS-100G台113电子天平ES台114振击式标准振筛机ZBSX.92A台115沥青混凝土集料筛台116渗水试验仪HPSS-11台117公路连续式八轮平整度仪LXBP-3台118路面回弹弯沉值测定仪台...

1、当您付费下载文档后,您只拥有了使用权限,并不意味着购买了版权,文档只能用于自身使用,不得用于其他商业用途(如 [转卖]进行直接盈利或[编辑后售卖]进行间接盈利)。
2、本站所有内容均由合作方或网友上传,本站不对文档的完整性、权威性及其观点立场正确性做任何保证或承诺!文档内容仅供研究参考,付费前请自行鉴别。
3、如文档内容存在违规,或者侵犯商业秘密、侵犯著作权等,请点击“违规举报”。

碎片内容

沥青路面试验段施工方案

确认删除?
VIP
微信客服
  • 扫码咨询
会员Q群
  • 会员专属群点击这里加入QQ群
客服邮箱
回到顶部