电脑桌面
添加小米粒文库到电脑桌面
安装后可以在桌面快捷访问

架空乘人装置单位工程竣工资料(DOC85页)VIP免费

架空乘人装置单位工程竣工资料(DOC85页)_第1页
1/85
架空乘人装置单位工程竣工资料(DOC85页)_第2页
2/85
架空乘人装置单位工程竣工资料(DOC85页)_第3页
3/85
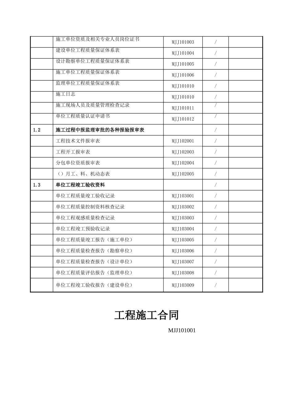
巩留县塔拉迪煤矿架空乘人装置第一部分工程管理资料第二部分工程技术资料第三部分质量控制资料编制单位:陕西少华建筑工程有限公司编制时间:2016年11月16日密级:保存期限:长久共卷第卷1工程管理资料目录序号资料名称资料编号份数/页数备注1.1施工管理资料/工程施工合同MJJ101001/开工报告MJJ1010021/1施工单位资质及相关专业人员岗位证书MJJ101003/建设单位工程质量保证体系表MJJ101004/设计勘察单位工程质量保证体系表MJJ101005/施工单位工程质量保证体系表MJJ101006/监理单位工程质量保证体系表MJJ101010/施工日志MJJ101010/施工现场人员及质量管理检查记录MJJ101011/单位工程质量认证申请书MJJ101012/1.2施工过程中报监理审批的各种报验报审表/工程技术文件报审表MJJ102001/工程开工报审表MJJ102003/分包单位资质报审表MJJ102004/()月工、料、机动态表MJJ102005/1.3单位工程竣工验收资料/单位工程质量竣工验收记录MJJ103001/单位工程质量控制资料核查记录MJJ103002/单位工程观感质量检查记录MJJ103003/单位工程竣工预验收记录MJJ103004/单位工程质量竣工报告(施工单位)MJJ103005/单位工程质量检查报告(勘察单位)MJJ103006/单位工程质量检查报告(设计单位)MJJ103007/单位工程质量评估报告(监理单位)MJJ103008/单位工程竣工验收报告(建设单位)MJJ103009/工程施工合同MJJ101001开工报告MJJ101002单项工程名称架空乘人装置工程地点巩留县巴依托海乡塔拉迪煤矿单位工程名称新疆巩留县塔拉迪煤矿生产环节改造设计单位工程编号计划开工时间2016年10月20日实际开工时间2016年10月20日施工单位名称陕西少华建筑工程有限公司工程总价万元工程量及简要内容工程内容:1、防爆电动机22KW(380/660V)1件2、硬齿面减速机1件3、工作制动器1件4、液压站1台5、安全制动器1件6、钢丝绳6×19S-1670-Φ201050米7、乘人装置及托绳轮安装8、张紧小车1套9、电控系统我单位承担的该单位工程的准备工作已完成,并已报验通过下列内容:□工程施工组织设计□工程用材料和设备□施工用大型机械设备□首道工序的分项施工方案□施工测量申请于2016年10月20日开工,请核准。附件:1、项目经理部到岗人员情况一览表及有关证件。2、进场材料、设备名称、数量、规格、性能一览表。3、工长与特殊工种的姓名、职称、上岗证一览表及有关证件。4、施工合同对以上3条内容的对应要求。承包单位项目经理部(章):陕西少华建筑工程有限公司项目经理:尚玉邦日期:2016年10月12日审批单位意见监理单位:(公章)总监工程师:闫建信年月日建设单位:(公章)项目负责人:尚玉邦年月日质量监督部门:(公章)监督工程师:年月日施工单位资质及相关专业人员岗位证书MJJ101003工程名称:架空乘人装置施工单位:陕西少华建筑工程有限公司建设单位工程质量保证体系表MJJ101004工程名称架空乘人装置单位名称巩留县塔拉迪煤矿邮编地址联系电话法定代表人单位技术负责人职务姓名专业职称证书编号分工备注项目负责人高级工程师08002086项目负责人全面项目技术负责人高级工程师030203012037技术各专业负责人现场助理工程师201001387现场技术助理工程师08231040228质检设计勘察单位工程质量保证体系表MJJ101005工程名称架空乘人装置设计单位单位名称北京华宇工程有限公司邮编100120地址北京市西城区安德路67号联络电话(010)62047271法定代表人李明辉技术负责人李勇勘察单位单位名称邮编地址联络电话法定代表人技术负责人职务姓名专业职称证书编号分工备注设计单位项目负责人李勇高级工程师技术负责人张成博助理工程师矿建专业负责人土建专业负责人机电专业负责人勘察单位项目负责人技术负责人岩土注册工程师注:本表由设计勘察单位填写。施工单位工程质量保证体系表MJJ101006工程名称架空乘人装置单位名称陕西少华建筑工程有限公司邮编710054地址西安市雁塔区南二环东段352号联系电话029-81300002专业范围及资质等级矿山工程施工总承包二级资质证号A20740610000401/4法定代表人高海军单位技术负责人韩文俊职务(或工种)姓名专业职称证书编号分工备注项目负责人尚玉邦建造师00673822技术负责人曾兆军采矿工程师201123767...

1、当您付费下载文档后,您只拥有了使用权限,并不意味着购买了版权,文档只能用于自身使用,不得用于其他商业用途(如 [转卖]进行直接盈利或[编辑后售卖]进行间接盈利)。
2、本站所有内容均由合作方或网友上传,本站不对文档的完整性、权威性及其观点立场正确性做任何保证或承诺!文档内容仅供研究参考,付费前请自行鉴别。
3、如文档内容存在违规,或者侵犯商业秘密、侵犯著作权等,请点击“违规举报”。

碎片内容

架空乘人装置单位工程竣工资料(DOC85页)

您可能关注的文档

确认删除?
VIP
微信客服
  • 扫码咨询
会员Q群
  • 会员专属群点击这里加入QQ群
客服邮箱
回到顶部