电脑桌面
添加小米粒文库到电脑桌面
安装后可以在桌面快捷访问

现浇混凝土工程施工质量技术交底VIP免费

现浇混凝土工程施工质量技术交底_第1页
1/3
现浇混凝土工程施工质量技术交底_第2页
2/3
现浇混凝土工程施工质量技术交底_第3页
3/3
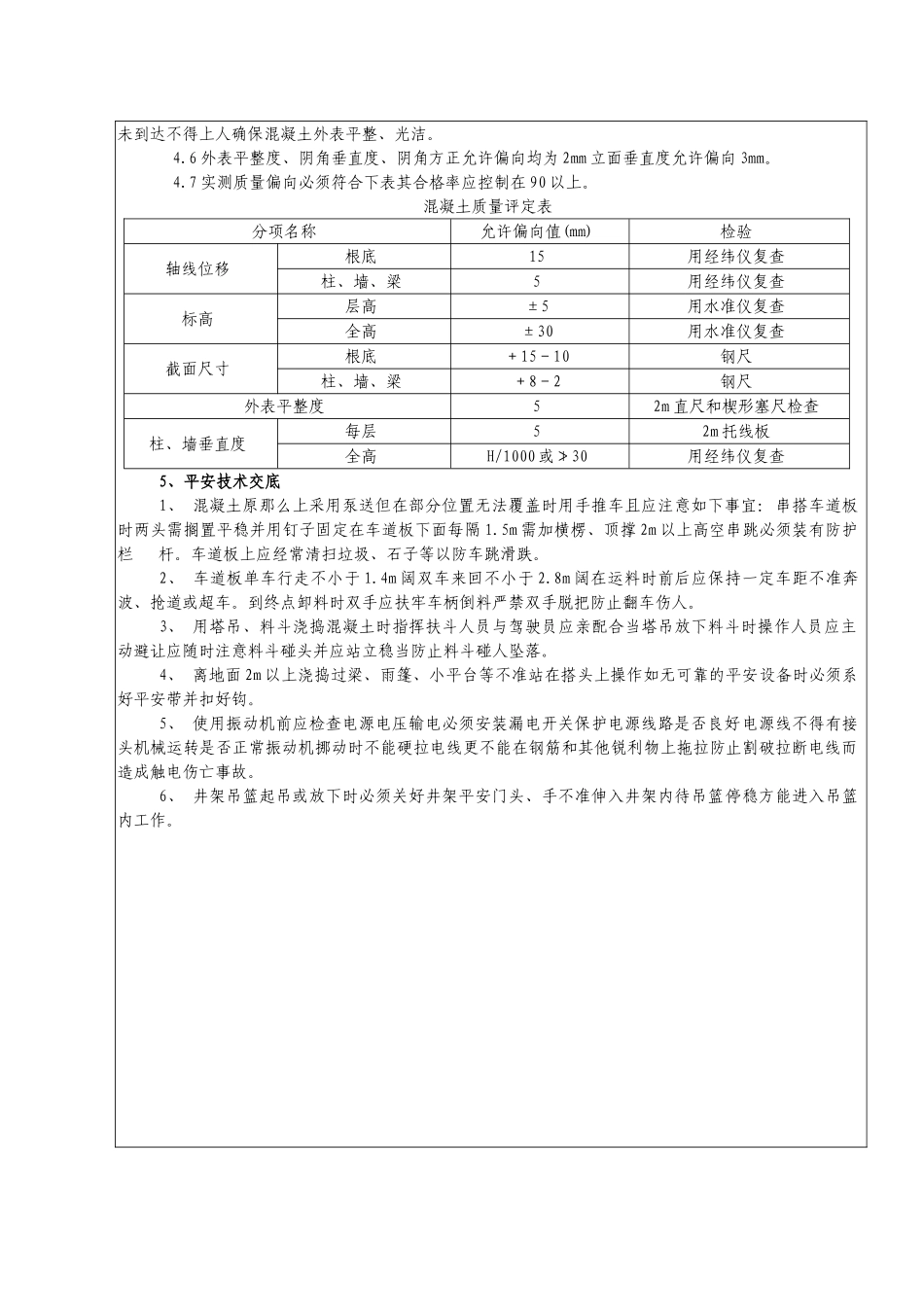
上海宏杰建立开展工程施工质量技术交底JLJS01-3版本/状态:A/0施工:上海宏杰建立开展工程名称施工工程部位现浇混凝土承接施工或班组专业施工班组技术交底内容:本交底适用于地面以上墙板及梁板的施工泵送混凝土。一、材料要求本工程用清水混凝土的水泥、黄砂、石子、外加剂等原材料全部采用同产地、同品种、同批次同时必须全部符合现行规定。黄砂采用中粗砂含泥量<2.5;石子采用5~25mm碎石含泥量<0.8减水剂采用EA-2型减水剂。-二、主要机具设备手扒车2辆、振动棒6只、平板振动器2只、泵机一台、泵假设干米、部分塔吊配合。三、作业条件1.由专业有经历的砼工施工班组施工。2.事前及工程部对施工班组进展技术交底。3.所浇筑部位的钢筋模板其已经监理甲方验收通过并做好了存档记录。四、施工操作工艺1混凝土搅拌运输混凝土原材料每盘偏向应符合现行混凝土搅拌时间按现行。混凝土运输至浇筑地点时坍落度应符合浇筑时的规定。2混凝土施工本工程采用泵送混凝土因此混凝土自高处倾落的高度必须控制在2m以内每层厚度每皮严格控制在25cm以内。插入式震捣时的落震点先中间后周边周边震点紧贴箍筋或离模板10~20cm震捣器严禁碰撞模板震点插入间距控制在30~40cm之间呈梅花布置。每一震点的震捣延续时间控制在混凝土外表呈现浮浆无气泡和不再下沉时为宜。插入时必须做到“快插慢拔震捣器插入下层混凝土过程中需经常观察模板发〞现有渗漏等现象时应马上采取措施进展处理以确保清水混凝土的外表色泽和质量要求。3保养与维修3.1混凝土浇捣完后对暴露的混凝土外表应及时采用粘性薄膜封闭覆盖进展保温、保湿养护。3.2混凝土施工完后采用搭设保护架及对混凝土外表覆盖以防混凝土面受损伤或污染。3.3混凝土如在使用过程中受损伤时宜先调配与混凝土同色的水泥砂浆修补待砂浆到达一定强度后再进展磨光并喷涂浸透性封闭保护液使修补处与原混凝土长保持同色泽。4混凝土工程质量检测控制本工程作为混凝土构造首先强调的是观感即梁柱线条是否通顺、构造外表是否平整、色泽是否一致、气泡是否较少、各处接缝是否干净利落等等。至于实测实量检查工程的数据按执行。4.1混凝土强度必须符合现行规定。4.2清水混凝土应做到混凝土外表平整、干净、颜色均匀一致无明显气泡;不得有蜂窝、麻面、漏筋、夹渣、粉化;不得有凹凸不平缺棱掉角;棱角方正顺通一致。4.3浇混凝土前应先在楼面进展找平且将构造板面标高统一量上50cm划线标在柱、墙钢筋上在楼面混凝土浇捣及收浆时作为控制标高进展拉线平整。4.4浇混凝土时派专人负责震捣工作将责任落实到人混凝土震捣质量与奖金挂钩。4.5楼层浇捣时除标高严格控制外还要适时压光先用木蟹将外表粗平待收水后再用铁板压光强度未到达不得上人确保混凝土外表平整、光洁。4.6外表平整度、阴角垂直度、阴角方正允许偏向均为2mm立面垂直度允许偏向3mm。4.7实测质量偏向必须符合下表其合格率应控制在90以上。混凝土质量评定表分项名称允许偏向值(mm)检验轴线位移根底15用经纬仪复查柱、墙、梁5用经纬仪复查标高层高±5用水准仪复查全高±30用水准仪复查截面尺寸根底+15-10钢尺柱、墙、梁+8-2钢尺外表平整度52m直尺和楔形塞尺检查柱、墙垂直度每层52m托线板全高H/1000或≯30用经纬仪复查5、平安技术交底1、混凝土原那么上采用泵送但在部分位置无法覆盖时用手推车且应注意如下事宜:串搭车道板时两头需搁置平稳并用钉子固定在车道板下面每隔1.5m需加横楞、顶撑2m以上高空串跳必须装有防护栏杆。车道板上应经常清扫垃圾、石子等以防车跳滑跌。2、车道板单车行走不小于1.4m阔双车来回不小于2.8m阔在运料时前后应保持一定车距不准奔波、抢道或超车。到终点卸料时双手应扶牢车柄倒料严禁双手脱把防止翻车伤人。3、用塔吊、料斗浇捣混凝土时指挥扶斗人员与驾驶员应亲配合当塔吊放下料斗时操作人员应主动避让应随时注意料斗碰头并应站立稳当防止料斗碰人坠落。4、离地面2m以上浇捣过梁、雨篷、小平台等不准站在搭头上操作如无可靠的平安设备时必须系好平安带并扣好钩。5、使用振动机前应检查电源电压输电必须安装漏电开关保护电源线路是否良好电源线不得有接头机械运转是否正常振动机挪动时...

1、当您付费下载文档后,您只拥有了使用权限,并不意味着购买了版权,文档只能用于自身使用,不得用于其他商业用途(如 [转卖]进行直接盈利或[编辑后售卖]进行间接盈利)。
2、本站所有内容均由合作方或网友上传,本站不对文档的完整性、权威性及其观点立场正确性做任何保证或承诺!文档内容仅供研究参考,付费前请自行鉴别。
3、如文档内容存在违规,或者侵犯商业秘密、侵犯著作权等,请点击“违规举报”。

碎片内容

现浇混凝土工程施工质量技术交底

黄金阁书苑+ 关注
实名认证
内容提供者

热爱教学事业,对互联网知识分享很感兴趣

确认删除?
VIP
微信客服
  • 扫码咨询
会员Q群
  • 会员专属群点击这里加入QQ群
客服邮箱
回到顶部