电脑桌面
添加小米粒文库到电脑桌面
安装后可以在桌面快捷访问

水工建筑物岩石地基施工质量验收监理实施细则VIP免费

水工建筑物岩石地基施工质量验收监理实施细则_第1页
1/6
水工建筑物岩石地基施工质量验收监理实施细则_第2页
2/6
水工建筑物岩石地基施工质量验收监理实施细则_第3页
3/6
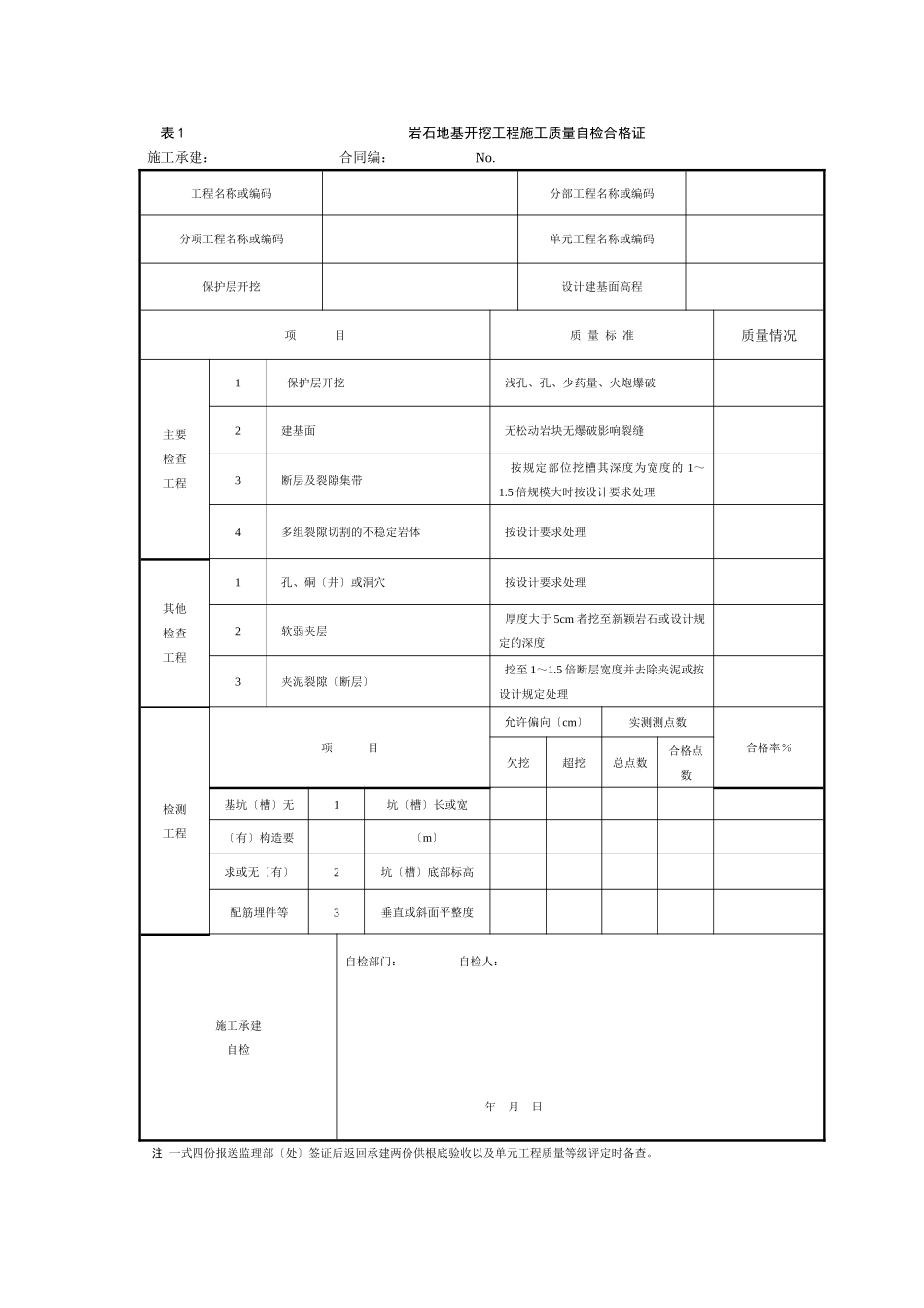
5水工建筑物岩石地基施工质量验收监理施行细那么一、总那么〔1〕为了利于水工建筑物岩石地基施工质量验收工作的顺利进展根据工程承建合同有关规定编制本施行细那么。〔2〕岩石地基施工质量检验根据工程承建合同经监理部审签的设计SL47—94?水工建筑物岩石根底开挖工程施工技术?、SL52—93?水利水电工程施工测量?、SDJ249—88?水利水电根本建立工程单元工程质量等级评定〔一〕?和工程质量检验、验收规程、有关规定进展。〔3〕本细那么适用于主体工程水工建筑物和重要临时建筑物的岩质边坡、岸坡和岸石地基开挖工程。施工企业及辅助工程岩石地基开挖施工质量验收可参照本细那么适当简化进展。〔4〕水工建筑物岩石地基开挖工程施工质量检验分承建自检、监理初检〔包括由监理部或监理处主持的结合检验与预检〕和由业主组织的终验三个阶段进展。检验流程见图1。图1水工建筑物岩石地基开挖工程施工质量检验流程图二、开挖过程检验〔1〕岩石地基开挖过程中监理工程师应提醒承建地质工程师注意地质条件的检查。当开挖至保护层时发现存在设计图中未标注或存在差异的软弱层、断层破碎带、沿断层岩脉加剧风化区域或其他不良地质情况应及时将有关资料报送设计和监理以便于设计及时进展修改或变更。〔2〕根底面开挖到保护层上限时和保护层开挖完成后监理机构应催促承建为建基面弹性波检测提供工作环境检测根底面以下2~3m范围内弹性波波速以检验建基面岩体的质量。〔3〕建筑物岩石根底按设计要求开挖〔包括必须进展的地质缺陷处理〕并经根底清理完毕后监理机构应催促承建及时进展自检并在自检合格后向监理部申报进展岩石地基开挖质量结合检验。〔4〕监理机构应催促承建按结合检验要求对揭露的施工缺陷和地质缺陷进展处理与建基面整修并在结合检验确认质量合格后安排进展根底建基面开工地形测绘和报请监理部〔处〕安排进展地质编录。三、监理预验〔1〕根底建基面开工地形测绘、地质编录完成和报验资料准备就绪后监理机构应催促承建及时向监理部报送?水工建筑物岩石根底验收申报表?申请对已开挖完成建筑物岩石根底进展验收。〔2〕监理部或授工程监理处在收到承建报送?水工建筑物岩石根底验收申报表?后的24h内进展并完成对申报单元或扩大单元工程建筑物岩石根底的预验。〔3〕监理部在完成对承建申报工程预验合格认证后返回?水工建筑物岩石根底验收申报表?一式两份承建准备?水工建筑物岩石根底验收证书?同请根底验收工作小组对申报工程工程岩石根底进展验收。四、岩石根底验收〔1〕岩石根底验收由根底验收工作小组组织进展其工作是对已完工的重要水工建筑物岩石根底进展施工质量检验。〔2〕根底验收工作小组在收到监理部认证的?水工建筑物岩石根底验收申报表?后组织进展和完成对申报工程工程根底的验收并在验收合格后同时签发?水工建筑物岩石根底验收证书?。五、其他〔1〕根据承建合同“技术〞规定岩石根底施工质量检验与混凝土构造物浇筑开仓前根底面检查在性质上是截然不同的两种作业工序检查。除非另行报经监理部或由监理部受权工程监理处批准否那么这两种检验和检查应分别进展。〔2〕岩石地基开挖开工申请程序、施工过程理、施工质量控制、单元工程划分、整个根底验收过程中应完成的开工资料、合同支付计量按工程承建合同规定及有关监理要求进展。〔3〕由于施工质量不合格或根底质量检验申报不当造成根底验收或后序工程施工延误由承建承当合同责任。〔4〕工程承建未按工程承建合同规定申报进展根底验收或未按规定在完成建基面地质编录与开工地形测绘并经报验合格以前擅自进展下序的覆盖作业由此造成返工、施工延误与损失由承建承当合同责任。〔5〕由于监理部或业主责任未能按工程承建合同规定的时限组织进展并完成根底验收工作致使工程承建造成经济损失的承建可列入合同支付申报。附:水工建筑物岩石地基开挖工程施工质量检验流程图见图1;岩石地基开挖工程施工质量自检合格证〔式样〕见表1;岩石地基开挖工程结合检验签证表〔式样〕见表2;水工建筑物岩石根底验收申报表〔式样〕见表3;水工建筑物岩石根底验收证书〔式样〕见表4;水工建筑物岩石根底单元工程质量评定表〔式样〕见表5。表1岩石地...

1、当您付费下载文档后,您只拥有了使用权限,并不意味着购买了版权,文档只能用于自身使用,不得用于其他商业用途(如 [转卖]进行直接盈利或[编辑后售卖]进行间接盈利)。
2、本站所有内容均由合作方或网友上传,本站不对文档的完整性、权威性及其观点立场正确性做任何保证或承诺!文档内容仅供研究参考,付费前请自行鉴别。
3、如文档内容存在违规,或者侵犯商业秘密、侵犯著作权等,请点击“违规举报”。

碎片内容

水工建筑物岩石地基施工质量验收监理实施细则

黄金阁书苑+ 关注
实名认证
内容提供者

热爱教学事业,对互联网知识分享很感兴趣

确认删除?
VIP
微信客服
  • 扫码咨询
会员Q群
  • 会员专属群点击这里加入QQ群
客服邮箱
回到顶部