电脑桌面
添加小米粒文库到电脑桌面
安装后可以在桌面快捷访问

数控车床编程实例详解VIP免费

数控车床编程实例详解_第1页
1/7
数控车床编程实例详解_第2页
2/7
数控车床编程实例详解_第3页
3/7
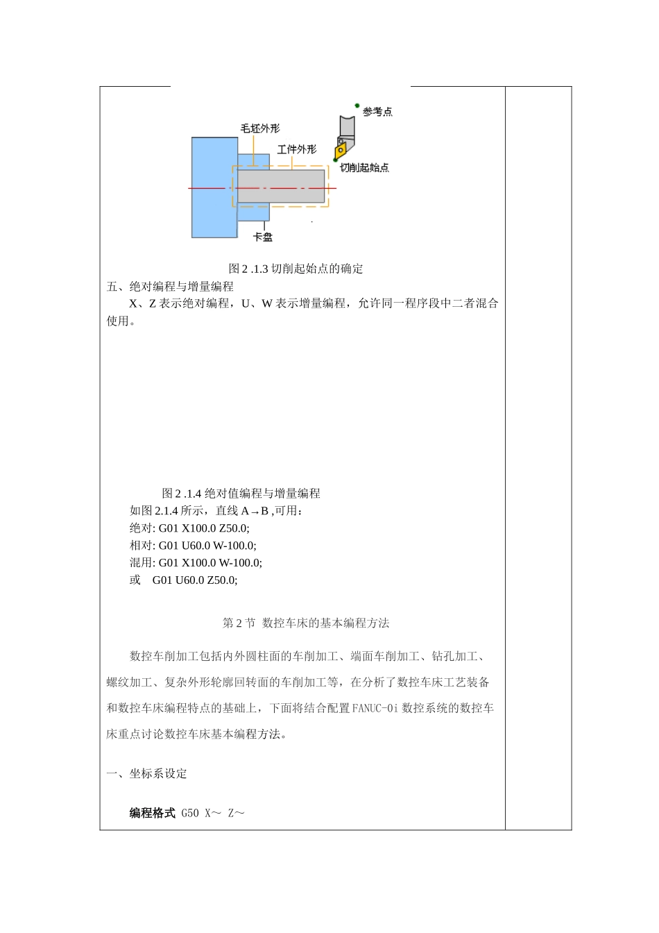
2.1数控车床编程基础标题:数控车床编程基础4课时一、教学目的:熟悉数控车床的编程特点,熟练掌握数控车床工件坐标系的建立方法和指令。理解并掌握数控车削的基本指令。二、教学安排:(一)旧课复习内容:数控机床坐标系的设定规则(5分钟)(二)新课教学知识点与重点、难点:第1节数控车床编程基础一、数控车编程特点(理解)二、数控车的坐标系统(理解)三、直径编程方式(难点)四、进刀和退刀方式(理解)五、绝对编程与增量编程(难点)第2节数控车床基本G指令应用一、坐标系设定G50(掌握)G54~G59(掌握)二、基本指令G00、G01、G02、G03、G04、G28(掌握)三、有关单位设定G20、G21、G94、G95(掌握)三、新课内容:2.1数控车床编程基础第一节数控车床编程基础一、数控车编程特点(1)可以采用绝对值编程(用X、Z表示)、增量值编程(用U、W表示)或者二者混合编程。(2)直径方向(X方向)系统默认为直径编程,也可以采用半径编程,但必须更改系统设定。(3)X向的脉冲当量应取Z向的一半。(4)采用固定循环,简化编程。(5)编程时,常认为车刀刀尖是一个点,而实际上为圆弧,因此,当编制加工程序时,需要考虑对刀具进行半径补偿。二、数控车的坐标系统加工坐标系应与机床坐标系的坐标方向一致,X轴对应径向,Z轴对应轴向,C轴(主轴)的运动方向则以从机床尾架向主轴看,逆时针为+C向,顺时针为-C向,如图2.1.1所示:加工坐标系的原点选在便于测量或对刀的基准位置,一般在工件的右端结合生产实际,用实物、图表直观教学,面或左端面上。图2.1.1数控车床坐标系三、直径编程方式在车削加工的数控程序中,X轴的坐标值取为零件图样上的直径值,如图2.1.2所示:图中A点的坐标值为(30,80),B点的坐标值为(40,60)。采用直径尺寸编程与零件图样中的尺寸标注一致,这样可避免尺寸换算过程中可能造成的错误,给编程带来很大方便。图2.1.2直径编程四、进刀和退刀方式对于车削加工,进刀时采用快速走刀接近工件切削起点附近的某个点,再改用切削进给,以减少空走刀的时间,提高加工效率。切削起点的确定与工件毛坯余量大小有关,应以刀具快速走到该点时刀尖不与工件发生碰撞为原则。如图2.1.3所示。举例说明图2.1.3切削起始点的确定五、绝对编程与增量编程X、Z表示绝对编程,U、W表示增量编程,允许同一程序段中二者混合使用。图2.1.4绝对值编程与增量编程如图2.1.4所示,直线A→B,可用:绝对:G01X100.0Z50.0;相对:G01U60.0W-100.0;混用:G01X100.0W-100.0;或G01U60.0Z50.0;第2节数控车床的基本编程方法数控车削加工包括内外圆柱面的车削加工、端面车削加工、钻孔加工、螺纹加工、复杂外形轮廓回转面的车削加工等,在分析了数控车床工艺装备和数控车床编程特点的基础上,下面将结合配置FANUC-0i数控系统的数控车床重点讨论数控车床基本编程方法。一、坐标系设定编程格式G50X~Z~式中X、Z的值是起刀点相对于加工原点的位置。G50使用方法与G92类似。在数控车床编程时,所有X坐标值均使用直径值,如图2.1.5所示。例:按图2.1.5设置加工坐标的程序段如下:G50X121.8Z33.9图2.1.5G50设定加工坐标系工件坐标系的选择指令G54~G59图2.1.6G54设定加工坐标系例如,用G54指令设定如图所示的工件坐标系。首先设置G54原点偏置寄存器:G54X0Z85.0;举例说明CAD/CAM然后再在程序中调用:N010G54;说明:1、G54~G59是系统预置的六个坐标系,可根据需要选用。2、G54~G59建立的工件坐标原点是相对于机床原点而言的,在程序运行前已设定好,在程序运行中是无法重置的。3、G54~G59预置建立的工件坐标原点在机床坐标系中的坐标值可用MDI方式输入,系统自动记忆。4、使用该组指令前,必须先回参考点。5、G54~G59为模态指令,可相互注销。二、基本指令G00、G01、G02、G03、G04、G281.快速点位移动G00格式:G00X(U)_Z(W)_;其中,X(U)_、Z(W)_为目标点坐标值。2.直线插补G01格式:G01X(U)_Z(W)_F_;其中,X(U)、Z(W)为目标点坐标,F为进给速度。机床执行G01指令时,如果之前的程序段中无F指令,在该程序段中必须含有F指令。G01和F都是模态指令。3.圆弧插补G02、G03顺时针圆弧插补用G02指令,逆时针圆弧...

1、当您付费下载文档后,您只拥有了使用权限,并不意味着购买了版权,文档只能用于自身使用,不得用于其他商业用途(如 [转卖]进行直接盈利或[编辑后售卖]进行间接盈利)。
2、本站所有内容均由合作方或网友上传,本站不对文档的完整性、权威性及其观点立场正确性做任何保证或承诺!文档内容仅供研究参考,付费前请自行鉴别。
3、如文档内容存在违规,或者侵犯商业秘密、侵犯著作权等,请点击“违规举报”。

碎片内容

数控车床编程实例详解

您可能关注的文档

确认删除?
VIP
微信客服
  • 扫码咨询
会员Q群
  • 会员专属群点击这里加入QQ群
客服邮箱
回到顶部