电脑桌面
添加小米粒文库到电脑桌面
安装后可以在桌面快捷访问

建筑节能施工方案最终版VIP免费

建筑节能施工方案最终版_第1页
1/34
建筑节能施工方案最终版_第2页
2/34
建筑节能施工方案最终版_第3页
3/34
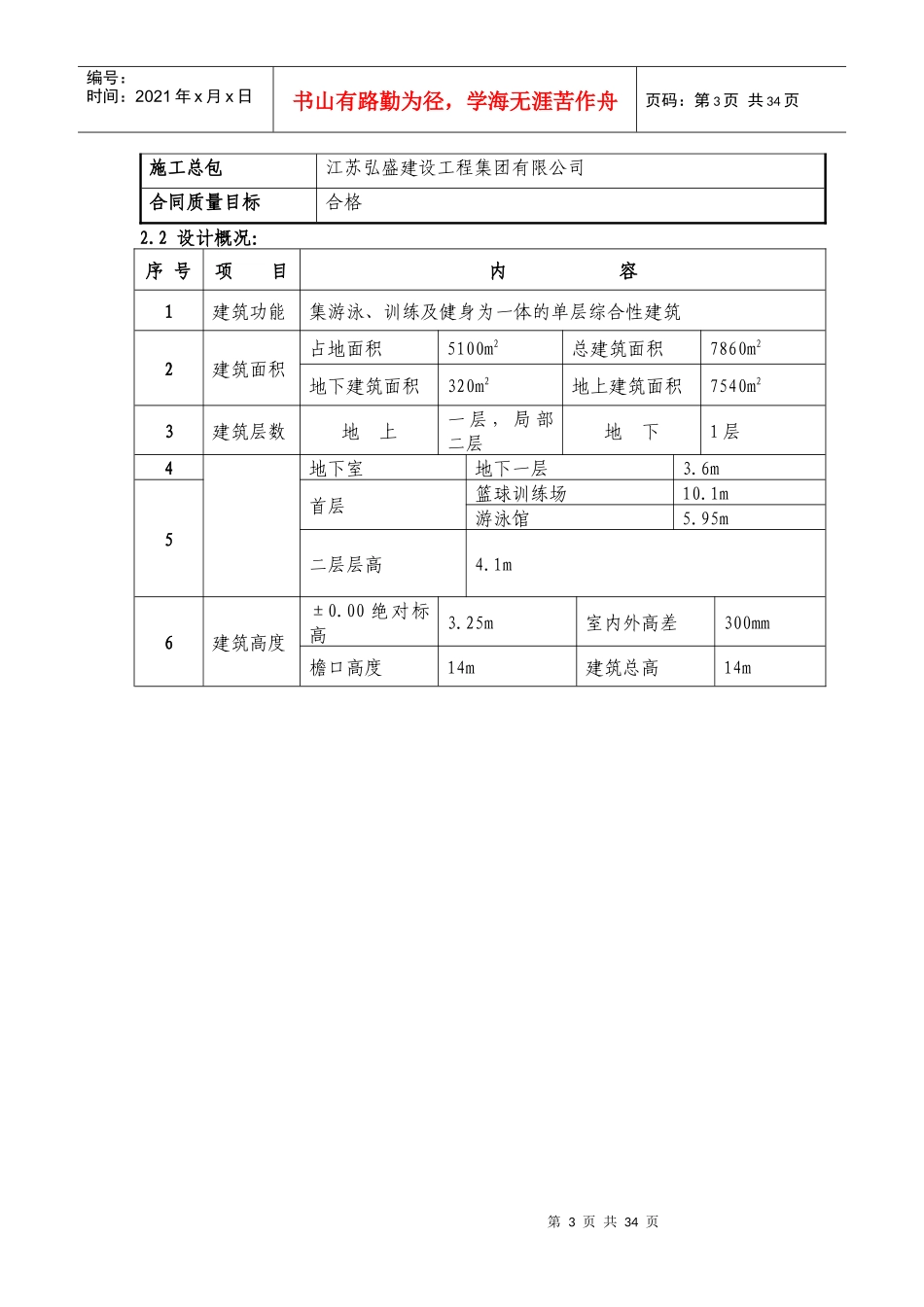
第1页共34页编号:时间:2021年x月x日书山有路勤为径,学海无涯苦作舟页码:第1页共34页目录1.编制依据:31.1施工图纸:...............................................31.2主要规范、规程..........................................32.工程概况:32.1总体简介:..............................................32.2设计概况:..............................................33.施工部署:53.1建筑节能工程技术质量管理体系............................53.2质量保证体系............................................53.3本工程采用的建筑节能措施:.............................104.施工计划4.1劳动力计划..............................................105主要施工方法5.1挤塑聚苯板外墙体节能工程................................105.1.1工程概况:.............................................105.1.2材料组成..............................................115.1.3施工要求及条件........................................115.1.4施工工具..............................................115.1.5工艺流程..............................................125.1.6细部及特殊部位做法及节点图............................205.1.7质量标准..............................................235.1.8安全措施..............................................255.1.9文明施工及成品保护....................................255.1.10成本降低措施.........................................265.1.11环境保护措施.........................................265.2铝合金门窗节能工程......................................265.2.1材料选用、加工、运输..................................265.2.2产品加工与运输........................................275.2.3施工方法及节能要求具体见铝合金施工组织................28第2页共34页第1页共34页编号:时间:2021年x月x日书山有路勤为径,学海无涯苦作舟页码:第2页共34页5.2.4竣工验收..............................................285.2.5成品保护措施..........................................285.2.6安全生产、文明施工措施................................295.3幕墙节能工程见幕墙施工方案..............................305.4屋面节能工程............................................305.4.1工程概况:.............................................305.4.2材料选择..............................................315.4.3施工流程..............................................325.4.4施工方法:............................................325.4.5.质量标准和屋面质量控制措施........................365.4.6成品保护..............................................385.4.7屋面作业的安全、文明施工及环境保护要求................385.5.通风与空调节能工程......................................385.6.配电与照明节能工程......................................391.编制依据:1.1施工图纸:武警指挥学院训练馆工程施工图纸。1.2主要规范、规程序号名称编号1.建筑工程施工质量统一验收标准GB50300-20012.建筑节能工程施工质量验收规范GB50411-20073.天津市建筑节能管理规定DB29-153-20054.公共建筑节能设计标准2.工程概况:2.1总体简介:工程名称武警指挥学院新校区训练馆工程建设单位武警指挥学院基建处设计单位中森建筑与工程设计顾问有限公司监理单位北京京盛工程监理有限公司第3页共34页第2页共34页编号:时间:2021年x月x日书山有路勤为径,学海无涯苦作舟页码:第3页共34页施工总包江苏弘盛建设工程集团有限公司合同质量目标合格2.2设计概况:序号项目内容1建筑功能集游泳、训练及健身为一体的单层综合性建筑2建筑面积占地面积5100m2总建筑面积7860m2地下建筑面积320m2地上建筑面积7540m23建筑层数地上一层,局部二层地下1层4地下室地下一层3.6m5首层篮球训练场10.1m游泳馆5.95m二层层高4.1m6建筑高...

1、当您付费下载文档后,您只拥有了使用权限,并不意味着购买了版权,文档只能用于自身使用,不得用于其他商业用途(如 [转卖]进行直接盈利或[编辑后售卖]进行间接盈利)。
2、本站所有内容均由合作方或网友上传,本站不对文档的完整性、权威性及其观点立场正确性做任何保证或承诺!文档内容仅供研究参考,付费前请自行鉴别。
3、如文档内容存在违规,或者侵犯商业秘密、侵犯著作权等,请点击“违规举报”。

碎片内容

建筑节能施工方案最终版

确认删除?
VIP
微信客服
  • 扫码咨询
会员Q群
  • 会员专属群点击这里加入QQ群
客服邮箱
回到顶部