电脑桌面
添加小米粒文库到电脑桌面
安装后可以在桌面快捷访问

外防护架施工方案(ok)VIP免费

外防护架施工方案(ok)_第1页
1/63
外防护架施工方案(ok)_第2页
2/63
外防护架施工方案(ok)_第3页
3/63
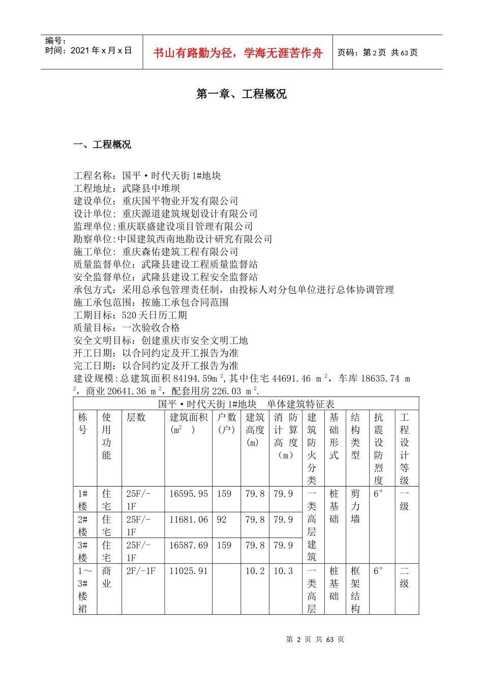
第1页共63页编号:时间:2021年x月x日书山有路勤为径,学海无涯苦作舟页码:第1页共63页目录第一章、工程概况..........................................................................................................................2一、工程概况.....................................................................................................................................2二、外架布设方式.............................................................................................................................3三、施工要求.....................................................................................................................................3四、技术保证条件.............................................................................................................................4第二章、编制依据..........................................................................................................................4第三章、施工计划..........................................................................................................................51、施工进度计划...............................................................................................................................52、材料与设备计划...........................................................................................................................5第四章、施工工艺技术..................................................................................................................7一、技术参数.....................................................................................................................................7二、工艺流程.....................................................................................................................................8三、双排落地式钢管防护架的施工方法.........................................................................................9四、悬挑工字钢钢管防护架的施工方法.......................................................................................15五、双排落地钢管防护架的检查验收...........................................................................................24六、悬挑工字钢钢管防护架的检查验收.......................................................................................26第五章、施工安全保障措施.........................................................................................................28一、组织保障...................................................................................................................................28二、技术措施...................................................................................................................................31三、监测监控...................................................................................................................................36四、应急预案...................................................................................................................................38第六章、劳动力计划...............................................................................................................39一、专职安全生产管理人员...........................................................................................................39二、特种作业人员.........................................................

1、当您付费下载文档后,您只拥有了使用权限,并不意味着购买了版权,文档只能用于自身使用,不得用于其他商业用途(如 [转卖]进行直接盈利或[编辑后售卖]进行间接盈利)。
2、本站所有内容均由合作方或网友上传,本站不对文档的完整性、权威性及其观点立场正确性做任何保证或承诺!文档内容仅供研究参考,付费前请自行鉴别。
3、如文档内容存在违规,或者侵犯商业秘密、侵犯著作权等,请点击“违规举报”。

碎片内容

外防护架施工方案(ok)

您可能关注的文档

确认删除?
VIP
微信客服
  • 扫码咨询
会员Q群
  • 会员专属群点击这里加入QQ群
客服邮箱
回到顶部