电脑桌面
添加小米粒文库到电脑桌面
安装后可以在桌面快捷访问

地块降水围护施工方案讲义VIP免费

地块降水围护施工方案讲义_第1页
1/40
地块降水围护施工方案讲义_第2页
2/40
地块降水围护施工方案讲义_第3页
3/40
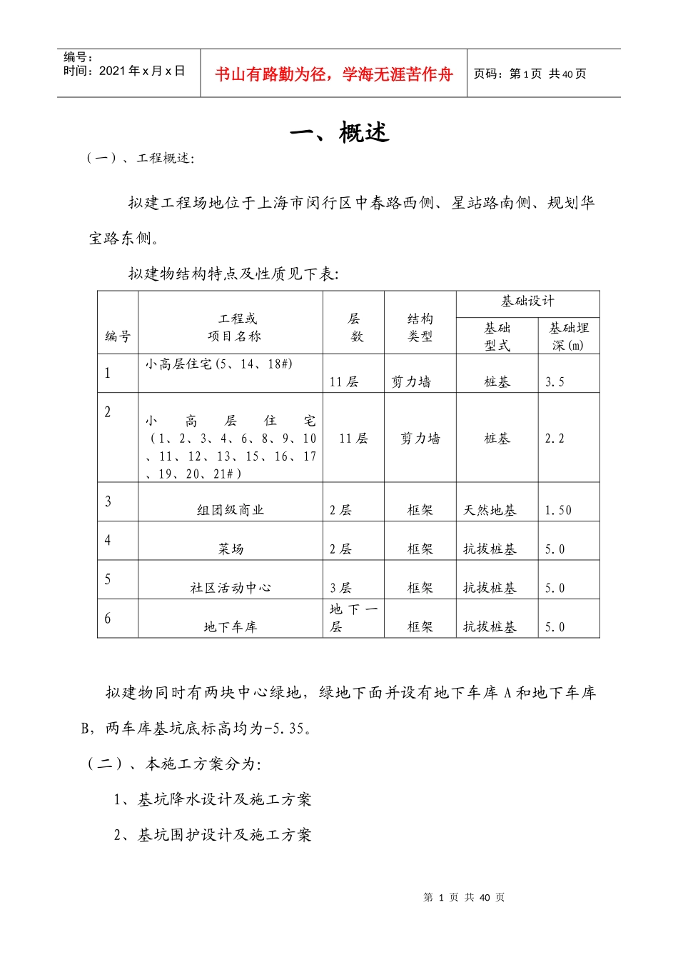
第1页共40页编号:时间:2021年x月x日书山有路勤为径,学海无涯苦作舟页码:第1页共40页一、概述(一)、工程概述:拟建工程场地位于上海市闵行区中春路西侧、星站路南侧、规划华宝路东侧。拟建物结构特点及性质见下表:编号工程或项目名称层数结构类型基础设计基础型式基础埋深(m)1小高层住宅(5、14、18#)11层剪力墙桩基3.52小高层住宅(1、2、3、4、6、8、9、10、11、12、13、15、16、17、19、20、21#)11层剪力墙桩基2.23组团级商业2层框架天然地基1.504菜场2层框架抗拔桩基5.05社区活动中心3层框架抗拔桩基5.06地下车库地下一层框架抗拔桩基5.0拟建物同时有两块中心绿地,绿地下面并设有地下车库A和地下车库B,两车库基坑底标高均为-5.35。(二)、本施工方案分为:1、基坑降水设计及施工方案2、基坑围护设计及施工方案第2页共40页第1页共40页编号:时间:2021年x月x日书山有路勤为径,学海无涯苦作舟页码:第2页共40页(三)、基坑围护、降水设计有关参数:1、自然地面相对标高取-0.60;2、车库基坑底标高取-5.35,1#、3#、5#房基坑底标高为-3.50,20#房基坑底标高为-4.40;3、基坑静止水位埋深取平均值0.50m。二、降水方案的编制依据1、《建筑与市政降水工程技术规范》JGJ/T111-98;2、《基坑工程设计规程》(DGJ08-61-97);3、《建筑地基基础工程施工质量验收规范》GB50202-2002;4、国家标准混凝土结构设计规范GB50010-2002;5、国家标准钢结构设计规范GB50017-2003;6、国家标准建筑结构荷载规范GB50009-2001;7、国家标准钢筋焊接及其验收工程JGJ18-2003;8、国家标准地下工程防水技术规范GB50108-2001;9、国家标准地基基础设计规范DBJ08-11-999;10、拟建物基坑平面图;11、拟建物基坑《地质勘察报告》;三、工程地质、地下水文资料第3页共40页第2页共40页编号:时间:2021年x月x日书山有路勤为径,学海无涯苦作舟页码:第3页共40页(一)、工程地质1、拟建物地位于上海市闵行区中春西侧、星站路南侧、规划华宝路东侧。本地质土层属长江三角洲冲湖积平原区,地势形态单一,水系发育。2、本拟建物勘察深度范围内揭遇的地基土层属第四纪晚更新世以来的冲湖积~滨海相碎屑沉积物,主要有粘性土、粉性土、砂土组成,按其结构特征、地层成因、土性不同和物理力学性质上的差异可划分为8层,各层又可分为不同的亚层,地层详细分布情况见表2)。表2:土层层号土层名称含水率W%层厚(平均值)M层底标高m湿度渗透系数(cm/s)KHKV**Expressionisfaulty**杂填土1.512.66**Expressionisfaulty**1褐黄~灰黄色粉质粘土34.00.731.93湿湿3.0E-063.0E-06**Expressionisfaulty**2灰黄色粉质粘土37.20.681.25很湿4.0E-064.0E-06灰色淤泥质第4页共40页第3页共40页编号:时间:2021年x月x日书山有路勤为径,学海无涯苦作舟页码:第4页共40页**Expressionisfaulty**1粉质粘土夹粉性土35.61.66-0.39饱和1.5E-041.5E-04**Expressionisfaulty**2灰色砂质粉土32.12.80-3.11饱和5.0E-045.0E-04**Expressionisfaulty**3灰色淤泥质粉质粘土50.24.49-7.61饱和3.0E-063.0E-06**Expressionisfaulty**灰色粘土48.56.11-13.71饱和3.0E-073.0E-07**Expressionisfaulty**1a灰色粘土/////**Expressionisfaulty**1b灰色粉质粘土夹粘质粉土//////**灰色粘质粉//////第5页共40页第4页共40页编号:时间:2021年x月x日书山有路勤为径,学海无涯苦作舟页码:第5页共40页Expressionisfaulty**2土**Expressionisfaulty**3灰色粉质粘土夹粘质粉土//////**Expressionisfaulty**4暗绿色粉质粘土//////(二)、地下水文资料:1、根据上述地层情况,本场地浅部地下水属潜水类型,补给来源主要为大气降水与地表迳流,水位动态为气象型。勘察报告提供资料,勘察期间测得的地下水位稳定埋深为0.40~1.00m。本次降水设计取0.50m。同时,在基坑开挖所经过①1杂填土、②1褐黄~灰黄色粉质粘土、②2灰黄色粉质粘土和③1灰色淤泥质粉质粘土夹粉性土、③2灰色砂质粉土、③3灰色淤泥质粉质粘土,这些土层含水量均较高,孔隙比大,压缩性高,强度低及渗透性能又有很大差异,其特性:受震动易融变,受压易沉降变形,因而具有较大的流变性。...

1、当您付费下载文档后,您只拥有了使用权限,并不意味着购买了版权,文档只能用于自身使用,不得用于其他商业用途(如 [转卖]进行直接盈利或[编辑后售卖]进行间接盈利)。
2、本站所有内容均由合作方或网友上传,本站不对文档的完整性、权威性及其观点立场正确性做任何保证或承诺!文档内容仅供研究参考,付费前请自行鉴别。
3、如文档内容存在违规,或者侵犯商业秘密、侵犯著作权等,请点击“违规举报”。

碎片内容

地块降水围护施工方案讲义

确认删除?
VIP
微信客服
  • 扫码咨询
会员Q群
  • 会员专属群点击这里加入QQ群
客服邮箱
回到顶部