电脑桌面
添加小米粒文库到电脑桌面
安装后可以在桌面快捷访问

CT―70型井下电视使用说明书VIP免费

CT―70型井下电视使用说明书_第1页
1/4
CT―70型井下电视使用说明书_第2页
2/4
CT―70型井下电视使用说明书_第3页
3/4
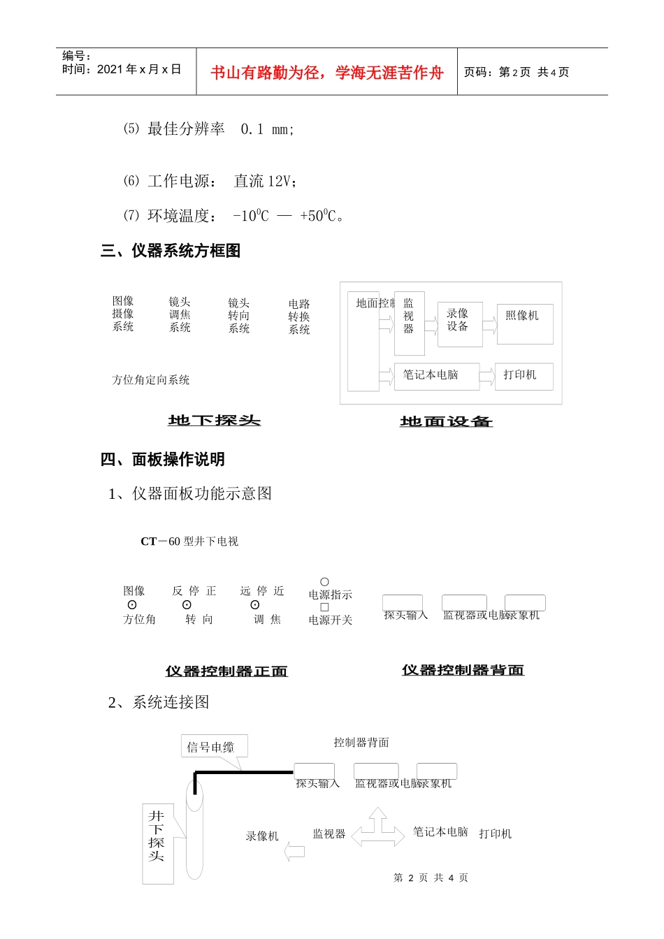
第1页共4页编号:时间:2021年x月x日书山有路勤为径,学海无涯苦作舟页码:第1页共4页CT―60型井下电视使用说明书一、概述CT―60型井下电视是井下原位测试的专用仪器。该仪器采用最新电视摄像技术,将井下孔壁的各种状态清析地反映到地面的监视器上,配上录象设备或微机可对图象存盘保存,打印输出,从而对分析井下各种地质情况提供可靠依据。该仪器的主要特点是:镜头焦距在地面上控制连续可调,因此,不论井下溶洞、裂隙大小都能清析地观测到。同时,观测角度也连续可调,因此还能对孔壁3600范围内连续观测。当发现溶洞、裂隙等异常情况时,通过调节观测角度,以及调节镜头焦距可得到最佳图像存盘以备分析。该仪器适用工程地质、水文地质、岩土工程、矿山及石油地质等部门。使用该仪器可检测水井井壁的裂隙、错位、井下落物、滤水管孔管堵塞及流砂位置等情况。该仪器也观察到基岩地区的基岩裂隙及发育状态以及溶洞大小,部位等地质情况。二、主要技术指标⑴探头直径:Φ60mm,长600mm;⑵测量深度:300m;⑶镜头焦距连续可调,观测视距:5mm—1.5m;⑷观测角度00—3600。第2页共4页第1页共4页地面控制器监视器录像设备照像机笔记本电脑打印机图像摄像系统镜头调焦系统方位角定向系统镜头转向系统电路转换系统监视器或电脑录象机探头输入图像☉方位角反停正☉转向远停近☉调焦○电源指示□电源开关CT―60型井下电视监视器或电脑录象机探头输入控制器背面监视器录像机笔记本电脑打印机编号:时间:2021年x月x日书山有路勤为径,学海无涯苦作舟页码:第2页共4页⑸最佳分辨率0.1mm;⑹工作电源:直流12V;⑺环境温度:-100C—+500C。三、仪器系统方框图四、面板操作说明1、仪器面板功能示意图2、系统连接图地下探头地面设备仪器控制器正面仪器控制器背面井下探头信号电缆第3页共4页第2页共4页345678912兰棕黄白信号屏蔽粉红红黑CCDCCDDD桔黄红编号:时间:2021年x月x日书山有路勤为径,学海无涯苦作舟页码:第3页共4页3、操作步骤⑴按上图将系统连接正确;⑵接通电源,电源指示灯亮,同时探头光源亮;⑶将探头放入孔中等测部位;⑷将图像开关拨到图像位置,调节调焦按钮,使图像处理于最清晰状态,同时可调节监视器亮度、对比度旋钮;⑸调节转向按钮,观察图像异常情况,发现溶洞、裂隙等情况,停止转向,同时调节聚焦按钮待图像最佳状态时,录下该图像(或拍照)。录入图像的同时,根据情况也可加进解词,以备室内分析。⑹俯视图像的获取,按照地面控制器按钮指示操作。注意事项⑴探头通电前,必须将探头垂直竖立。因为转动系统负载转大,探头平放会加大转动阻力,容量损坏减速机齿轮。⑵镜头玻璃部位注意避免碰撞,运输过程中注意用海棉保护玻璃筒,以免损坏。⑶转向、调焦控制按钮,由于减速机有一定的惯性,注意适当提前停止按钮,以达到最佳位置。五、系统主要接线图第4页共4页第3页共4页●——●●●●——●●——●●——●●——●●——●●●●——●●——●●——●●——●1132514调焦3579●111618202221231917152412108642转向棕红绿黄(+5V)白(地)兰黑桔黄粉红(+12V)信号●———●●●———●●———●●●123459876地信号控制器电缆钢绳绞车井口滑轮摄像窗口溶洞监视器探头钻孔编号:时间:2021年x月x日书山有路勤为径,学海无涯苦作舟页码:第4页共4页六、现场应用示意图(图一)(在探头内)25芯插(图9芯插(图三)220V

1、当您付费下载文档后,您只拥有了使用权限,并不意味着购买了版权,文档只能用于自身使用,不得用于其他商业用途(如 [转卖]进行直接盈利或[编辑后售卖]进行间接盈利)。
2、本站所有内容均由合作方或网友上传,本站不对文档的完整性、权威性及其观点立场正确性做任何保证或承诺!文档内容仅供研究参考,付费前请自行鉴别。
3、如文档内容存在违规,或者侵犯商业秘密、侵犯著作权等,请点击“违规举报”。

碎片内容

CT―70型井下电视使用说明书

您可能关注的文档

确认删除?
VIP
微信客服
  • 扫码咨询
会员Q群
  • 会员专属群点击这里加入QQ群
客服邮箱
回到顶部