电脑桌面
添加小米粒文库到电脑桌面
安装后可以在桌面快捷访问

国家开发银行河南省分行综合业务楼VIP免费

国家开发银行河南省分行综合业务楼_第1页
1/142
国家开发银行河南省分行综合业务楼_第2页
2/142
国家开发银行河南省分行综合业务楼_第3页
3/142
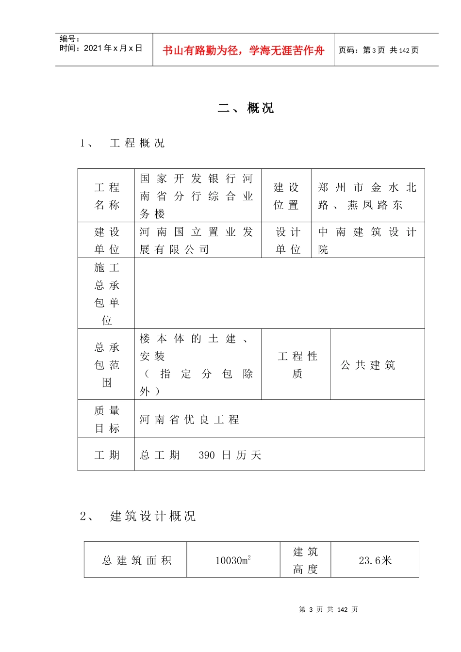
第1页共142页编号:时间:2021年x月x日书山有路勤为径,学海无涯苦作舟页码:第1页共142页目录一、编制依据......................................................................................................................................................2二、概况..........................................................................................................................................................................2三、施工组织部署.................................................................................................................................4四、施工准备......................................................................................................................................................12五、主要项目施工方案与技术措施...........................................................19六、雨季施工措施.......................................................................................................................................60七、技术管理措施.................................................................................................................................61八、施工质量管理措施.............................................................................................................65九、安全、文明施工管理措施...............................................................................73十、成本管理措施.................................................................................................................................86第2页共142页第1页共142页编号:时间:2021年x月x日书山有路勤为径,学海无涯苦作舟页码:第2页共142页十一、工期保证措施.......................................................................................................................90十二、新工艺、新技术的应用...............................................................................93一、编制依据1、招标人提供的本项目招标文件。2、招标人提供的由施工图纸(扩初修改图)。3.国家关于工程施工和验收的规范、标准;4.国家关于工程施工和验收的法律法规;5.河南省地方关于工程施工和验收的规范、标准;6.河南省地方关于工程施工和验收的法律法规;第3页共142页第2页共142页编号:时间:2021年x月x日书山有路勤为径,学海无涯苦作舟页码:第3页共142页二、概况1、工程概况工程名称国家开发银行河南省分行综合业务楼建设位置郑州市金水北路、燕凤路东建设单位河南国立置业发展有限公司设计单位中南建筑设计院施工总承包单位总承包范围楼本体的土建、安装(指定分包除外)工程性质公共建筑质量目标河南省优良工程工期总工期390日历天2、建筑设计概况总建筑面积10030m2建筑高度23.6米第4页共142页第3页共142页编号:时间:2021年x月x日书山有路勤为径,学海无涯苦作舟页码:第4页共142页层数地上6层地上一层层高5.0米,其余各层均为3.6米,阳光中庭高14.3米地下1层地下一层车库层高3.9米,设备用房层高4.5米外装修花岗石墙面、无框玻璃幕墙、二次结构内填充墙为150厚蒸压粉煤灰加气混凝土砌块墙、外墙为250厚蒸压粉煤灰加气混凝土砌块墙内装修防滑地砖楼面、橡胶地板、水泥砂浆楼面,玻化地砖楼面细石混凝土地面、架空扳地面、瓷砖地面、面砖墙面、水泥砂浆墙面、吸音墙面、乳胶漆墙面、仿瓷涂料墙面、纸面石膏扳吊顶顶棚、吸音、铝合金吊顶顶棚、乳胶漆顶棚3、结构设计概况结构形式现浇钢筋混凝土框架结构、屋面局部纲结构基础形式予应力管桩基础砼强度等级备注桩基础C80承台C40第5页共142页第4页共142页编号:时间:2021年x月x日书山有路勤为径,学海无涯苦作舟页码:第5页共142页柱、梁、板C30钢筋及钢材钢筋HPB235、HRB335、Q235B三、施工组织部署1、施工组织管理...

1、当您付费下载文档后,您只拥有了使用权限,并不意味着购买了版权,文档只能用于自身使用,不得用于其他商业用途(如 [转卖]进行直接盈利或[编辑后售卖]进行间接盈利)。
2、本站所有内容均由合作方或网友上传,本站不对文档的完整性、权威性及其观点立场正确性做任何保证或承诺!文档内容仅供研究参考,付费前请自行鉴别。
3、如文档内容存在违规,或者侵犯商业秘密、侵犯著作权等,请点击“违规举报”。

碎片内容

国家开发银行河南省分行综合业务楼

确认删除?
VIP
微信客服
  • 扫码咨询
会员Q群
  • 会员专属群点击这里加入QQ群
客服邮箱
回到顶部