电脑桌面
添加小米粒文库到电脑桌面
安装后可以在桌面快捷访问

外脚手架施工方案docVIP专享VIP免费

外脚手架施工方案doc_第1页
1/44
外脚手架施工方案doc_第2页
2/44
外脚手架施工方案doc_第3页
3/44
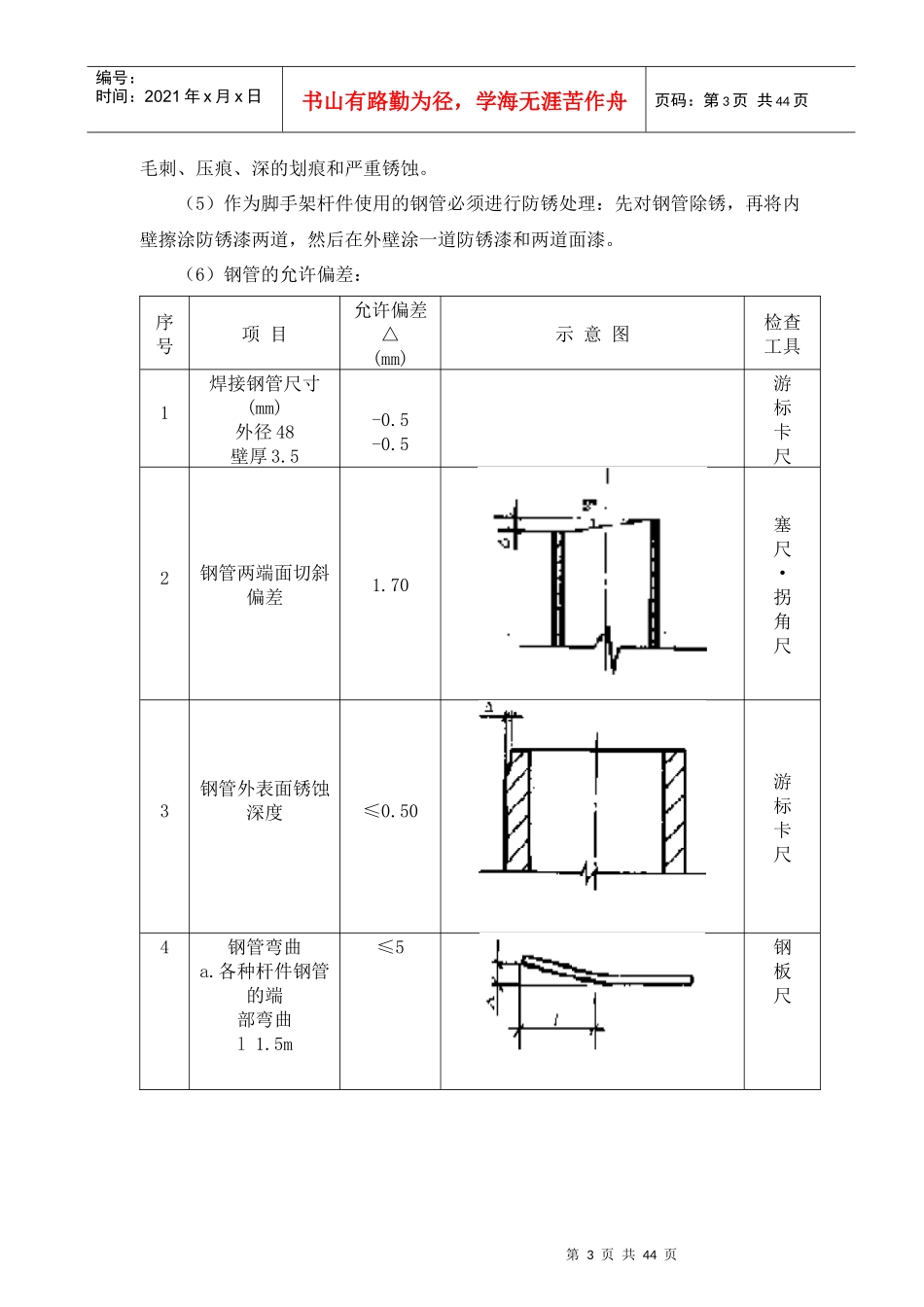
第1页共44页编号:时间:2021年x月x日书山有路勤为径,学海无涯苦作舟页码:第1页共44页第一章编制依据1、湖州吴兴织里碧桂园项目施工图2、建设工程项目管理规范(GB/T50326-2006)3、建筑施工安全检查评分标准(JGJ59-2011)4、建筑施工手册5、建筑施工计算手册6、湖州吴兴织里碧桂园项目工程施工组织设计7、《建筑施工扣件式钢管脚手架安全技术规范》(JGJ130-2011)2011年版8、《建筑施工高处作业安全技术规范》(JGJ80-91)9、《密目式安全立网》(GB-16909);10、《安全网》(GB5725-2009);11、《安全帽》(GB2811-2007);12、《安全带》(GB6095-1990);13、《建筑机械使用安全技术规程》(JGJ33-2001)第二章工程概况1、湖州吴兴织里碧桂园项目住宅小高层1#、2#、3#、5#、6#、7#、8#、2-21#、9#、10#、11#、12#、13#、15#、16#、17#及地下车库,其中1#、2#、局部有商铺工程位于湖州吴兴织里镇康泰西路,结构型式:筏板基础,独立基础、,框架结构、剪力墙结构;高层地下1层,地上11层、15层、16层;最高建筑高度:47.2m;商铺地上1层局部2层。建筑总面积约12万平米。本工程由湖州碧海耀光房地产开发有限责任公司投资建设,广东博意建筑设计院有限公司上海分公司设计,核工业湖州工程勘察院地质勘察,杭州市城市建设监理有限公司,江苏南通二建集团有限公司组织施工。2.流水段划分情况各楼平行施工流水作业,主要包含主楼和周边地库。第三章施工部署第2页共44页第1页共44页编号:时间:2021年x月x日书山有路勤为径,学海无涯苦作舟页码:第2页共44页本工程经综合考虑,决定结构6层以下为落地脚手架,结构6层以上悬挑钢管脚手架,脚手架每六层为一挑。施工顺序如下:确定方案→材料进场、检验→技术交底→搭设外架子→挂网防护→检查验收→交付使用→检查维护→拆除第四章搭设材料(一)、构配件脚手架主要由钢管、扣件、16#“工”字钢、脚手板、挡脚板、密目式安全网、安全平网及避雷装置等构配件组成。1、钢管(1)、脚手架钢管采用Q235A(3号)钢(含碳量为0.14-0.22%)的焊接钢管。(2)、钢管必须具有产品质量合格证和钢管材质检验报告,材质应符合现行国家标准《碳素结构钢》(GB700)的相应规定。Q235A钢冶炼方便、成本较低、塑性好,在结构中能保证在超载、冲击、焊接、温度应力等不利条件下的安全。其截面特性见下表。钢管截面特性钢管类别外径d(mm)壁厚t(mm)截面积A(mm2)惯性矩I(mm4)抵抗矩W(mm3)回转半径i(mm)每米长自重(N)低压流体输送用焊接钢管(YB234-63)483.54.893×1021.219×1055.078×10315.7838.4(3)脚手架钢管供应长度一般为6.0m(每根重量不超过25Kg,适合人工操作)。①.用于立杆、大横杆、剪刀撑和斜杆的钢管长度一般为4.0~6.0m;②.用于小横杆的钢管长度一般为1.5~2.5m,因脚手架宽度不同而略有差异。(4)钢管表面应平直光滑,不应有裂缝、孔洞、结疤、分层、错位、硬弯、第3页共44页第2页共44页编号:时间:2021年x月x日书山有路勤为径,学海无涯苦作舟页码:第3页共44页毛刺、压痕、深的划痕和严重锈蚀。(5)作为脚手架杆件使用的钢管必须进行防锈处理:先对钢管除锈,再将内壁擦涂防锈漆两道,然后在外壁涂一道防锈漆和两道面漆。(6)钢管的允许偏差:序号项目允许偏差△(mm)示意图检查工具1焊接钢管尺寸(mm)外径48壁厚3.5-0.5-0.5游标卡尺2钢管两端面切斜偏差1.70塞尺·拐角尺3钢管外表面锈蚀深度≤0.50游标卡尺4钢管弯曲a.各种杆件钢管的端部弯曲l1.5m≤5钢板尺第4页共44页第3页共44页编号:时间:2021年x月x日书山有路勤为径,学海无涯苦作舟页码:第4页共44页b.立杆钢管弯曲3ml4m4ml6.5m≤12≤20c.水平杆斜杆的钢管弯曲l6.5m≤302、扣件(1)扣件是钢管与钢管的连接,工字钢悬挑架使用的扣件分为三种:a、两钢管90°交叉连接采用直角扣件;b、两钢管呈任意角度交叉连接采用旋转扣件;c、钢管与钢管接长采用对接扣件。(2)扣件应采用可锻铸铁和钢板压制制作,必须具有产品质量合格证、生产许可证和专业检测单位测试报告。可锻铸铁扣件的材质应符合现行国家标准《钢管脚手架扣件》(GB15831-2006),钢板压制扣件使用较少,目前尚无国...

1、当您付费下载文档后,您只拥有了使用权限,并不意味着购买了版权,文档只能用于自身使用,不得用于其他商业用途(如 [转卖]进行直接盈利或[编辑后售卖]进行间接盈利)。
2、本站所有内容均由合作方或网友上传,本站不对文档的完整性、权威性及其观点立场正确性做任何保证或承诺!文档内容仅供研究参考,付费前请自行鉴别。
3、如文档内容存在违规,或者侵犯商业秘密、侵犯著作权等,请点击“违规举报”。

碎片内容

外脚手架施工方案doc

确认删除?
VIP
微信客服
  • 扫码咨询
会员Q群
  • 会员专属群点击这里加入QQ群
客服邮箱
回到顶部