电脑桌面
添加小米粒文库到电脑桌面
安装后可以在桌面快捷访问

15地下人防工程施工方案VIP专享VIP免费

15地下人防工程施工方案_第1页
1/45
15地下人防工程施工方案_第2页
2/45
15地下人防工程施工方案_第3页
3/45
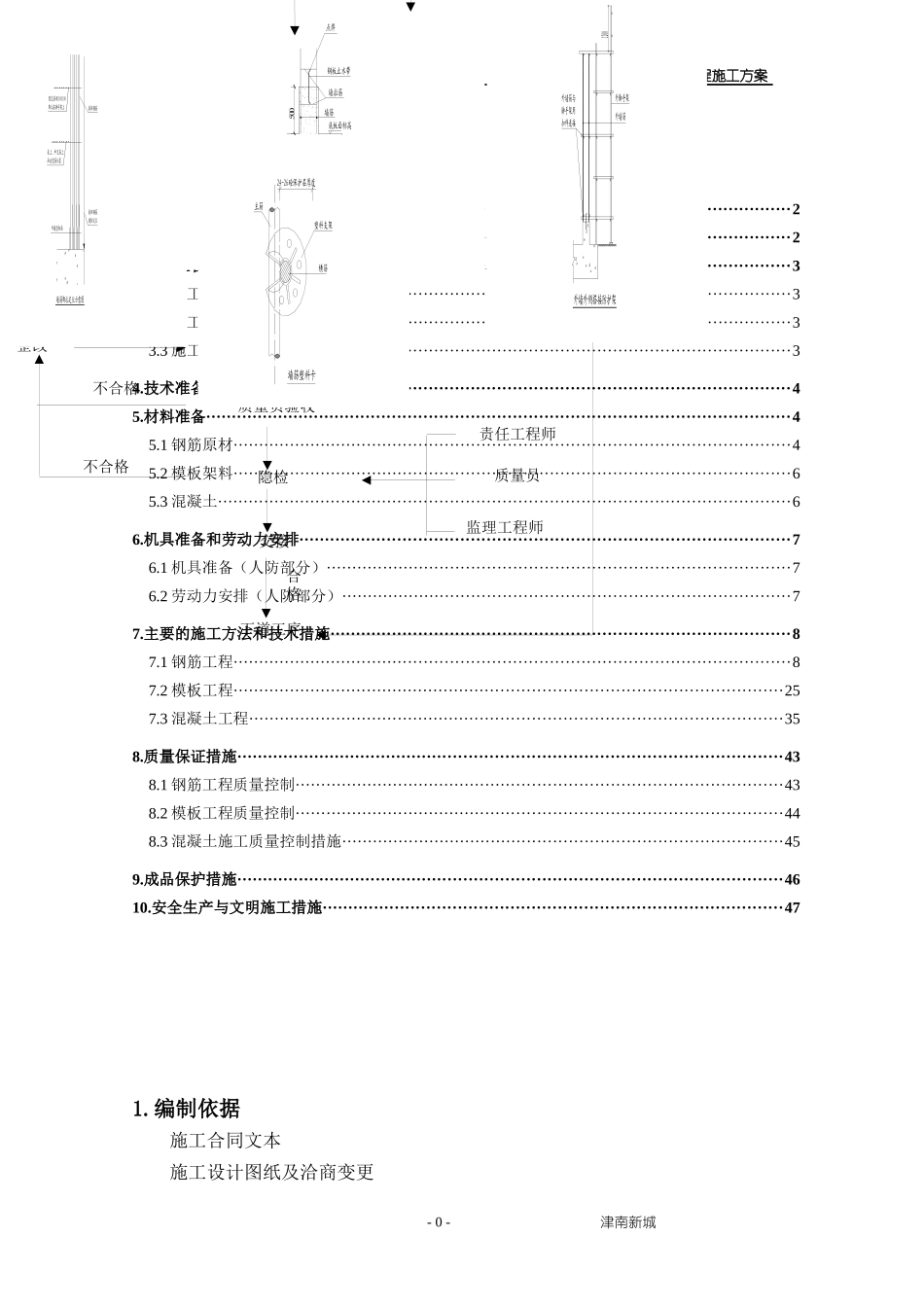
不合格责任工程师质量员监理工程师立筋绑扎(暗)柱筋绑扎机电埋管验收上、中水平定位筋与每根竖筋绑扎墙边线放线、验线、清理立筋检查调直、调正钢筋接头不合格不合格圈梁插筋、洞口加筋班组自检整改质量员验收隐检下道工序交接合格民族建设集团地下人防工程施工方案目录1.编制依据················································································································22.工程概况················································································································23.施工准备················································································································33.1施工现场准备·····································································································33.2施工流水段划分原则····························································································33.3施工流程···········································································································34.技术准备················································································································45.材料准备················································································································45.1钢筋原材···········································································································45.2模板架料···········································································································65.3混凝土··············································································································66.机具准备和劳动力安排······························································································76.1机具准备(人防部分)·························································································76.2劳动力安排(人防部分)··································································...

1、当您付费下载文档后,您只拥有了使用权限,并不意味着购买了版权,文档只能用于自身使用,不得用于其他商业用途(如 [转卖]进行直接盈利或[编辑后售卖]进行间接盈利)。
2、本站所有内容均由合作方或网友上传,本站不对文档的完整性、权威性及其观点立场正确性做任何保证或承诺!文档内容仅供研究参考,付费前请自行鉴别。
3、如文档内容存在违规,或者侵犯商业秘密、侵犯著作权等,请点击“违规举报”。

碎片内容

15地下人防工程施工方案

确认删除?
VIP
微信客服
  • 扫码咨询
会员Q群
  • 会员专属群点击这里加入QQ群
客服邮箱
回到顶部