电脑桌面
添加小米粒文库到电脑桌面
安装后可以在桌面快捷访问

GD2200E外销版VIP免费

GD2200E外销版_第1页
1/11
GD2200E外销版_第2页
2/11
GD2200E外销版_第3页
3/11
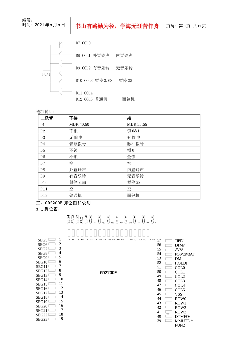
第1页共11页编号:时间:2021年x月x日书山有路勤为径,学海无涯苦作舟页码:第1页共11页GD2200EGD2200E外销版外销版V1.0GD2200E是一颗高集成、高智能带16位来电显示的多功能电话机芯片,能自动检测并解码FSK和DTMF的来电信号,配合简单的外围电路便可组成一个竞争力极强的多功能电话机。该芯片内置有16位LCD驱动器、硬体的DTMF拨号器、FSK/DTMF解码器、防盗、预置拨号、键音、单双键记忆、内置铃声、音乐保留、……等功能。一、主要功能介绍双制式FSK/DTMF自动检测。内置FSK/DTMF解码器、硬体的DTMF产生器及电池检测器。内置LCD驱动器,能同屏显示来电的日期、时间、电话号码、来电总数。可存贮来电96组16位号码,去电20组16位号码,贵宾号码50组16位号码。有3组单键记忆,10组双键记忆。可设置出局码(PAB-CODE)。可显示来电总数、新来电标志及来电重复标志。有预拨号及改错功能,长度为48位。来电信息、去电信息及重要号码可翻查、删除、回拨。三组闹钟(闹铃声不同)功能。有时钟、日期显示功能。针对FSK信息,来电能自动更新日期及时间。有音乐保留功能。可锁0、全锁(110,119,120,122,112)不锁、锁0&1或不锁。内置振铃(十六种铃声选择,六种铃声,十种音乐)。防盗、并机功能,节省成本。脉冲(PULSE)/双音多频(DTMF)拨号。有电子免提音量及铃声音量调节功能。LCD亮度可调节。免打扰功能。背光功能。新来电指示灯功能。自动追拨功能。本地区码、长途码可设置。没有外加电源时,具有普通电话功能。本芯片有省电模式,待机状态下能自动进入省电模式,在通话状态能进入低功耗状态。二、键盘及功能选项:2.1键盘矩阵第2页共11页第1页共11页编号:时间:2021年x月x日书山有路勤为径,学海无涯苦作舟页码:第2页共11页2.2按键定义:A0~9,*,#键:拨号键,*键在音频状态为*键,在脉冲状态为脉冲转音频,且在待机时按住*键三秒可循环关开键音。计算器状态*为小数点、#为“=”号。B键:为单键记忆。C<音量调节>键:待机时为铃声音量调节,免提状态下为免提音量调节。D<闪断/铃声选择>键:提机时为闪断键,计算状态为“±”切换键;挂机时为铃声选择键,挂机时按住三秒为脉冲/音频转换键。E<重拨/回拨>键:挂机为回拨、单键重拨键,提机为重拨键。F<免提>键:启动/关闭话机的免提功能。G<删除/+/R>键:挂机时为删除键,提机时为100MS闪断键,计算器状态下为加号键。H<去电查询/->键:电话状态下为去电查询,计算器状态下为减号键。I<上翻/×>键:电话状态为上翻键,计算机器状态下为乘号键。J<下翻/÷>键:电话状态为下翻键,计算器状态为除号键。K<设置/CE/计时>键:电话状态待机时为设置键,提机后为计时键。计算器状态为清除键。L<计算器>键:计算器、电话转换键。M<保留>键:通话时为保留键。N<存储>键:在单双键记忆中用于存储。O<贵宾/免扰>键:贵宾号码设置键,免打扰设置键P<自动追拨>键:提机后为自动追拨键。2.3功能选择:D1COL0MBR40:6033:66D2COL1不锁锁0&1D3COL2无偷电有偷电FUN2D4COL3音频拨号脉冲拨号D5COL4不锁锁0D6COL5不锁全锁123贵宾/免扰删除/+/R键追拨--GND456暂停去电查询/-计算器--ROW0789闪断/±/铃声上翻/×保留--ROW1*/.0#/=重拨下翻/÷存储--ROW2M1M2M3免提设置/CE/计时音量调节--ROW3|COL0|COL1|COL2|COL3|COL4|COL5第3页共11页第2页共11页编号:时间:2021年x月x日书山有路勤为径,学海无涯苦作舟页码:第3页共11页D7COL0D8COL1外置铃声内置铃声D9COL2有音乐铃无音乐铃FUN1D10COL3暂停3.6S暂停2SD11COL4D12COL5普通机面包机选项说明:二极管不接接D1MBR40:60MBR33:66D2不锁锁0&1D3无偷电有偷电D4音频拨号脉冲拨号D5不锁锁0D6不锁全锁D7空空D8外置铃声内置铃声D9有音乐铃无音乐铃D10暂停3.6S暂停2SD11空空D12普通机面包机三、GD2200E脚位图和说明3.1脚位图:GD2200E1234567891011121314151617181957565554535251504948474645444342414039SEG5SEG6SEG7SEG8SEG9SEG10SEG11SEG12SEG13SEG14SEG15SEG16SEG17SEG18SEG19SEG20SEG21SEG22SEG23TIPINDTMFAVSSPOWER/BATDMHOLDICOL0COL1COL2COL3COL4CO...

1、当您付费下载文档后,您只拥有了使用权限,并不意味着购买了版权,文档只能用于自身使用,不得用于其他商业用途(如 [转卖]进行直接盈利或[编辑后售卖]进行间接盈利)。
2、本站所有内容均由合作方或网友上传,本站不对文档的完整性、权威性及其观点立场正确性做任何保证或承诺!文档内容仅供研究参考,付费前请自行鉴别。
3、如文档内容存在违规,或者侵犯商业秘密、侵犯著作权等,请点击“违规举报”。

碎片内容

GD2200E外销版

您可能关注的文档

确认删除?
VIP
微信客服
  • 扫码咨询
会员Q群
  • 会员专属群点击这里加入QQ群
客服邮箱
回到顶部