电脑桌面
添加小米粒文库到电脑桌面
安装后可以在桌面快捷访问

屋面SBS防水工程施工方案VIP免费

屋面SBS防水工程施工方案_第1页
1/12
屋面SBS防水工程施工方案_第2页
2/12
屋面SBS防水工程施工方案_第3页
3/12
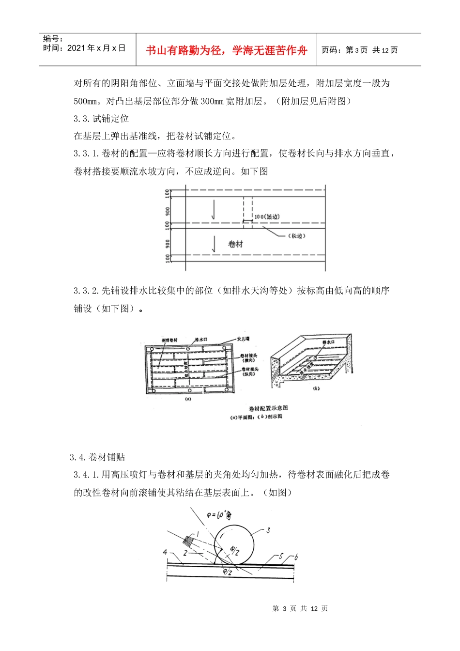
第1页共12页编号:时间:2021年x月x日书山有路勤为径,学海无涯苦作舟页码:第1页共12页屋面防水工程施工方案第一章编制依据第二章工程概况a)防水材料:屋面采用3+3mmSBS改性沥青防水卷材,聚酯胎-25ºCb)施工方法:卷材采用热熔法施工c)工程质量:合格第三章施工准备a)人员准备:序号工种人数工作内容1项目经理1负责全面工作2技术人员1编制方案、制定措施、整理资料、技术交底3质安人员1质量安全监督、工程验收4测量人员2放线5采购人员2材料供应及时通知检验6主要施工人员10拆除屋面旧防水层、基层清理修补、涂刷冷底子油、铺贴卷材7机械设备2维修所有机械小工具等8零星1零星工程9后勤人员2现场保卫b)施工机具准备:机具名称用途机具名称用途料桶装冷底油扁铲清理地面滚刷涂刷底油扫帚清扫地面刮板刮边弹性盒弹线丁字尺割量卷材喷灯热熔卷材裁纸刀切割卷材压辊压平卷材开刀封边灭火器防火c)材料准备SBS改性沥青防水卷材此材料采用SBS改性沥青为主要材料加工制成,是近年来深受社会推崇的一种新型防水卷材,具有高温不流淌,低温柔度好,延伸率大,不脆裂,耐疲第2页共12页第1页共12页编号:时间:2021年x月x日书山有路勤为径,学海无涯苦作舟页码:第2页共12页劳,抗老化,韧性强,抗撕裂强度和耐穿刺性能好,使用寿命长,防水性能优异。采用热熔施工法,把卷材热熔搭接,熔合为一体,形成防水层,达到防水效果。第四章施工方案1、基层处理1.2、清扫基层,到表面无浮土沙尘等污物,对凸起的地方用小平铲削平,对凹进的地方用1:2.5的水泥砂浆抹平。1.3、基层与突出屋面的结构(如天窗、变形缝、排汽道、管道及设备基座等)相连的阴阳角;基层与立面墙、排水沟、排水口、沟脊的边缘相连的转角处应抹成光滑的圆弧形,其半径一般为50mm。1.4、找平层上应无明显湿渍,基层干燥,含水率小于9%,可用面积约1m2,厚为1.5~2.0mm的橡胶板覆盖在基层表面上,放置2~3h,如覆盖的基层表面无水印,紧贴基层一侧的橡胶板又无凝结水珠,可满足施工要求。1.5、基层表面应坚实具有一定的强度,清洁干净,表面无浮土、砂粒等污物,表面应平整、光滑、无松动,要求抹平压光,对于残留的砂浆块或突起物应以铲刀削平。1.6、阴阳角应抹成半径为50mm均匀光滑的小圆角。1.7、穿墙管道及连接件应安装牢固,接缝严密,若有铁锈、油污应以钢丝刷、砂纸、溶剂等予以清理干净。2、工艺流程基层处理涂布底油弹线定位铺贴附加层卷材试铺铺贴平面卷材铺贴立面墙卷材收口固定嵌缝密封质量检验成品保护3、施工工艺3.1.基层干燥后,涂刷基层处理剂。用长把排刷把冷底子油涂刷在干净干燥的基层表面上,复杂部位用油漆刷刷涂,要求不露白,涂刷均匀。干燥4h以上至不粘脚后方可进行下道工序。3.2附加层施工第3页共12页第2页共12页编号:时间:2021年x月x日书山有路勤为径,学海无涯苦作舟页码:第3页共12页对所有的阴阳角部位、立面墙与平面交接处做附加层处理,附加层宽度一般为500mm。对凸出基层部位部分做300mm宽附加层。(附加层见后附图)3.3.试铺定位在基层上弹出基准线,把卷材试铺定位。3.3.1.卷材的配置—应将卷材顺长方向进行配置,使卷材长向与排水方向垂直,卷材搭接要顺流水坡方向,不应成逆向。如下图3.3.2.先铺设排水比较集中的部位(如排水天沟等处)按标高由低向高的顺序铺设(如下图)。3.4.卷材铺贴3.4.1.用高压喷灯与卷材和基层的夹角处均匀加热,待卷材表面融化后把成卷的改性卷材向前滚铺使其粘结在基层表面上。(如图)第4页共12页第3页共12页编号:时间:2021年x月x日书山有路勤为径,学海无涯苦作舟页码:第4页共12页熔焊火焰与卷材和基层表面的相对位置1、喷咀;2、火焰;3、改性沥青卷材;4、水泥砂浆找平层;5、混凝土层;6、卷材防水层3.4.2.卷材搭接缝施工在热熔粘结搭接缝前,先将下一层卷材表面的隔离层用喷灯熔化,具体操作,由持喷灯的工人用抹子当挡板沿搭接线向后移动,喷灯火焰随挡板一起移动,喷灯应紧靠挡板,距离卷材约50~100mm。(如下图)。3.4.3.卷材的搭接宽度为长、短边均不小于100mm,搭接缝的边缘以溢出热熔的改性沥青为宜,然后用喷灯均匀热熔卷材搭接缝用小抹子把边抹...

1、当您付费下载文档后,您只拥有了使用权限,并不意味着购买了版权,文档只能用于自身使用,不得用于其他商业用途(如 [转卖]进行直接盈利或[编辑后售卖]进行间接盈利)。
2、本站所有内容均由合作方或网友上传,本站不对文档的完整性、权威性及其观点立场正确性做任何保证或承诺!文档内容仅供研究参考,付费前请自行鉴别。
3、如文档内容存在违规,或者侵犯商业秘密、侵犯著作权等,请点击“违规举报”。

碎片内容

屋面SBS防水工程施工方案

您可能关注的文档

确认删除?
VIP
微信客服
  • 扫码咨询
会员Q群
  • 会员专属群点击这里加入QQ群
客服邮箱
回到顶部