电脑桌面
添加小米粒文库到电脑桌面
安装后可以在桌面快捷访问

铁路工程水泥搅拌桩施工技术交底VIP免费

铁路工程水泥搅拌桩施工技术交底_第1页
1/6
铁路工程水泥搅拌桩施工技术交底_第2页
2/6
铁路工程水泥搅拌桩施工技术交底_第3页
3/6
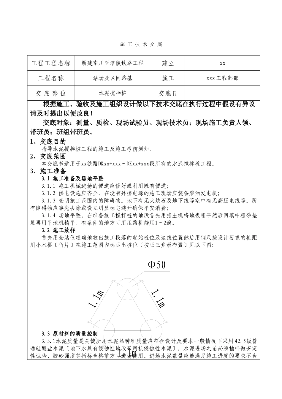
施工技术交底工程工程名称新建南川至涪陵铁路工程建立xx工程名称站场及区间路基施工xxx工程部部交底部位水泥搅拌桩交底日根据施工、验收及施工组织设计做以下技术交底在执行过程中假设有异议请及时提出以便改良!交底对象:测量、质检、现场试验员、现场技术员;现场施工负责人领、带班员;班组带班员。1、交底目的指导水泥搅拌桩工程的施工及施工考前须知。2、交底范围本交底书适用于xx铁路DKxx+xxx~DKxx+xxx段所有的水泥搅拌桩工程。3、施工准备3.1施工准备及场地平整3.1.1施工机械进场的便道应修好或利用既有便道;3.1.2供电设施应齐全。在没有外接电源的施工现场应装备柴油发电机;3.1.3查明施工范围内的障碍物。地下有无大块石及地下线等空中有无高压电线等。所有障碍物应事先去除或设立明显标志避开确保平安消费;3.1.4场地平整。在准备施工搅拌桩的地段首先用推土机将地表粗平然后回填中粗砂垫层再用平地机精平。有条件的地方可用压路机静压1~2遍。3.2施工放样首先用全站仪准确地放出施工段落的起始桩位及边线位置然后用钢尺按设计要求的桩距用小木棍〔竹片〕在施工范围内标示出桩位〔按正三角形布置〕见以下图:3.3原材料的质量控制3.3.1水泥质量是关键所用水泥品种和质量应符合设计及要求一般情况下采用42.5级普通硅酸盐水泥〔地下水具有侵蚀性地段采用抗侵蚀性水泥〕。水泥进场之前必须抽样做安定性试验、胶砂强度等指标合格前方可进场使用。进场水泥数量应能满足施工进度的要求不合水泥材料检验桩位放样搅拌桩机就位报监理工程师制备水泥浆重复搅拌下沉预搅下沉喷浆、搅拌、上升施工场地平整制作试块重复搅拌上升清洗路及搅拌头移位进展下一根桩的施工格或过、受潮、硬化、变质的水泥回绝进场使用。3.3.2施工用水应为人畜饮用水。如为自然水源应做水质分析检验合格后才准使用。3.4桩机安装就位水泥搅拌桩桩机安装完毕后应进展全面的检查调整。主要有以下五点:3.4.1钻头直径及钻杆长度是否满足设计要求;3.4.2输送水泥浆的导是否漏浆或堵塞;3.4.3水泥制浆罐和压力泵是否能正常工作;3.4.4发电机或外接电源是否和桩机电路接通;3.4.5粗略调整桩机机身的竖直度步骤如下:a.调整机身两边的拉杆使机身纵向竖直;b.调整机身下边的四个带液压装置的支撑脚使机身横向竖直;c.纵横向都竖直后钻杆上的悬锤线就会指向中心刻度并紧靠在中心度盘处。4、施工工艺采用二次喷浆、四次搅拌的施工工艺提升搅拌速率不大于1.0m/min下沉速率不大于0.8m/min。成桩工序包括:放样定位、开挖基槽、桩机就位、预搅下沉、注浆提升搅拌、重复搅拌等各个环节。工艺流程见以下图:其主要工艺:1、定位:深层搅拌桩机移到指定桩位对中并使桩机保持程度。2、预搅下沉:待深层搅拌机的水循环正常后起动搅拌桩机切土下沉下沉速度由作业电机的电流控制工作电流不能大于70A。3、制备水泥浆:待深层搅拌桩下沉到一定深度时即开场按设计确定的配合比拌制水泥浆待压浆前将水泥浆及时放入集料斗中保证水泥浆不离析。4、提升喷浆搅拌:深层搅拌下沉到设计深度时开启灰浆泵将水泥浆压入地基中在桩底坐浆30秒并边喷边搅拌同时严格按照试桩确定的提定的提长速度提长搅拌机轴。5、重复下沉搅拌:深层搅拌机轴提到桩顶标高时集料斗中的水泥浆应排空为使软土层和水泥浆充分搅拌均匀再次将搅拌机轴边搅拌边钻入土中至设计深度后再将搅拌机重复以上工艺。5、质量控制水泥搅拌桩施工质量的优劣直接关系到地基加固的成效从而进一步关系到上部主体构造的稳定性。因此对搅拌桩施工质量必须作到事前控制、事中控制和事后检测进展严格监控。5.1工艺性试桩在工程位置大面积施工之前必须进展必要的水泥搅拌桩成桩试验〔一般不宜少于2根〕汇总试桩结果应得到以下要求及相关技术参数:5.1.1满足设计水泥用量的各种技术参数,如钻进速度、搅拌速度、提升速度等;5.1.2确定搅拌均匀的必要步骤及程序;5.1.3理解下钻和提升的阻力以及地质变化情况采取合理的技术措施。5.1.4水泥搅拌桩施工中应保持浇拌机底盘的程度和导向架的竖直垂直度偏向不得超过1桩位偏向不大于50mm成桩直径及桩长不得小于设计值。5.2制浆质量的控制按设计给定的水...

1、当您付费下载文档后,您只拥有了使用权限,并不意味着购买了版权,文档只能用于自身使用,不得用于其他商业用途(如 [转卖]进行直接盈利或[编辑后售卖]进行间接盈利)。
2、本站所有内容均由合作方或网友上传,本站不对文档的完整性、权威性及其观点立场正确性做任何保证或承诺!文档内容仅供研究参考,付费前请自行鉴别。
3、如文档内容存在违规,或者侵犯商业秘密、侵犯著作权等,请点击“违规举报”。

碎片内容

铁路工程水泥搅拌桩施工技术交底

您可能关注的文档

确认删除?
VIP
微信客服
  • 扫码咨询
会员Q群
  • 会员专属群点击这里加入QQ群
客服邮箱
回到顶部