电脑桌面
添加小米粒文库到电脑桌面
安装后可以在桌面快捷访问

广东省防雷设施检测服务收费项目和收费标准表VIP免费

广东省防雷设施检测服务收费项目和收费标准表_第1页
1/32
广东省防雷设施检测服务收费项目和收费标准表_第2页
2/32
广东省防雷设施检测服务收费项目和收费标准表_第3页
3/32
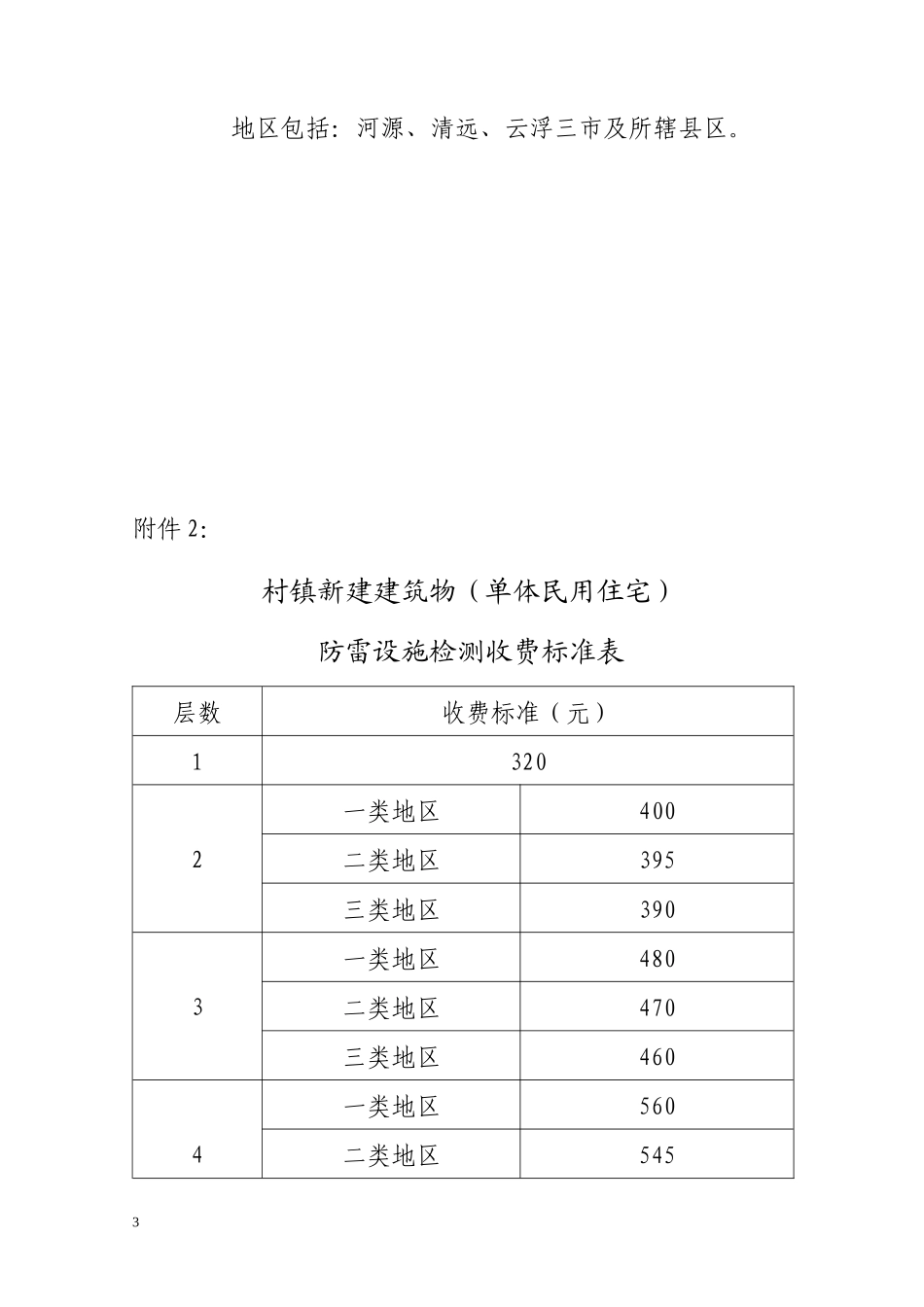
附件1:广东省防雷设施检测服务收费项目和收费标准表金额单位:元序号收费项目计量单位收费标准备注1建(构)筑物防雷设施设计施工图技术审查平方米0.1按新建、扩建、改建建筑总面积计算2新建建(构)筑物防雷设施检测每个检测点每次一类地区80二类地区75三类地区703信息系统机房防雷设施设计施工图技术审查宗800500200大(30台终端以上)中(10-30台终端)小(10台终端以下)4信息系统机房防雷设施检测宗1000机房面积<50m21500机房面积50m2-100m22000100m2<机房面积<200m23000机房面积≥200m25防雷设施定期检测每个检测点每次一类地区80建(构)筑物、易燃易爆二类地区75场所、信息系统机房雷击电磁脉冲防护等防雷设施的年三类地区706雷击电磁脉冲(感应雷)防护工程设计施工图技术审查宗300-5007雷击电磁脉冲(感应雷)防护工程检测宗5%按雷击电磁脉冲(感应雷)防护工程总造价8雷电灾害调查鉴定宗5%按损失总额计算9信息机房空间电磁环境评估宗300010SPD试验测试个150电源SPD200信号SPD、天馈SPD11雷击风险评估宗1.5‰按投资总额说明:1、收费标准已含技术报告、证照等工本费、制作费。2、一类地区包括:广州、深圳、汕头、珠海、佛山、东莞、中山、江门、惠州九市及所辖县区;二类地区包括:一、三类地区以外的其他市及所辖县区;三类2地区包括:河源、清远、云浮三市及所辖县区。附件2:村镇新建建筑物(单体民用住宅)防雷设施检测收费标准表层数收费标准(元)13202一类地区400二类地区395三类地区3903一类地区480二类地区470三类地区4604一类地区560二类地区5453三类地区530说明:一、基本收费部分:1、基础防雷:引下线桩各一次检测:2×80=160元;2、中间层防雷:从第二层起,每增加一层加收引下线和等电位连接点,合计1次检测:1×80=80元;3、天面防雷:天面避雷针(带)、引下线各一次检测:2×80=160元。基本收费为基础部分160元+天面部分160元=320元。二、从第二层起,每增加一层加收的金额按附表1中规定的三类不同地区标准计算,即一类地区增加80元、二类地区增加75元、三类地区增加70元。因此,一、二、三类地区的收费标准分别是:一层320元,二层400、395、390元,三层480、470、460元,四层560、545、530元……,以此类推。4附件3:新建建(构)筑物防雷设施检测项目、程序及收费计算办法一、收费标准:根据《建筑物防雷设计规范》GB50057-94(2000年版)的要求,新建建(构)筑物防雷设施各组成部分的检测收费办法,按新建建筑物的占地面积及楼层高度所必须具备的防雷基本项目的测点,根据地区类别不同,分别按每次每个检测点80元、75元、70元收费。5新建建(构)筑物占地面积分为两大档次:(1)小于1000m2,每100m2一个档次;(2)大于1000m2,每200m2一个档次。二、检测项目和程序:1、项目:按照《广东省新建建筑物防雷设施检测手册》规定的检测项目,分成五大部分:①基础接地体部分;②中间楼层侧击雷防护部分;③天面直击雷部分;④整幢楼的等电位处理部分;⑤雷击电磁脉冲防护部分。2、程序:<一>基础防雷:(项目1-19)①完成桩基础,开始绑扎承台、地梁钢筋时;②完成地梁浇注,开始绑扎柱钢筋时;③完成柱的浇注,开始首层绑扎板筋时;<二>中间楼层防雷:(项目20-25)从第二层起,每层均要检查防雷装置有关组成部分的情况,检测项目20-25的各项数据和检查等电位连接的情况按100m2为一个等电位连接点。<三>天面防雷:(项目26-41)①天面绑扎板筋焊接完避雷网格时,检测项目26-30的各项数据,收费按规范规定的网格数量计算。②焊接完天面避雷针、带时,检查其项目31-41的各项参数,收费按防雷装置的个数计算。<四>整幢楼的等电位处理部分:(项目42-50)<五>雷击电磁脉冲防护部分:(项目51-56)6三、不同占地面积(S)、楼层的建筑物收费计算方法(以每个检测点每次80元为例):①S≤100m2基础防雷:4个引下线桩按一次检测:4×1×80=320元;中间楼层防雷:从第二层起,每加一层加收4×80=320元及100m2以内为一个等电位连接点计算:(10m×10m/100m2)×80元=80元;两项合计为:400元。天面防雷:天面避雷针、引下线4个装置:4×80=320元;避雷网格(带...

1、当您付费下载文档后,您只拥有了使用权限,并不意味着购买了版权,文档只能用于自身使用,不得用于其他商业用途(如 [转卖]进行直接盈利或[编辑后售卖]进行间接盈利)。
2、本站所有内容均由合作方或网友上传,本站不对文档的完整性、权威性及其观点立场正确性做任何保证或承诺!文档内容仅供研究参考,付费前请自行鉴别。
3、如文档内容存在违规,或者侵犯商业秘密、侵犯著作权等,请点击“违规举报”。

碎片内容

广东省防雷设施检测服务收费项目和收费标准表

教育精品店+ 关注
实名认证
内容提供者

优良的服务

确认删除?
VIP
微信客服
  • 扫码咨询
会员Q群
  • 会员专属群点击这里加入QQ群
客服邮箱
回到顶部