电脑桌面
添加小米粒文库到电脑桌面
安装后可以在桌面快捷访问

大庆路桥检测站见证送检委托单VIP免费

大庆路桥检测站见证送检委托单_第1页
1/96
大庆路桥检测站见证送检委托单_第2页
2/96
大庆路桥检测站见证送检委托单_第3页
3/96
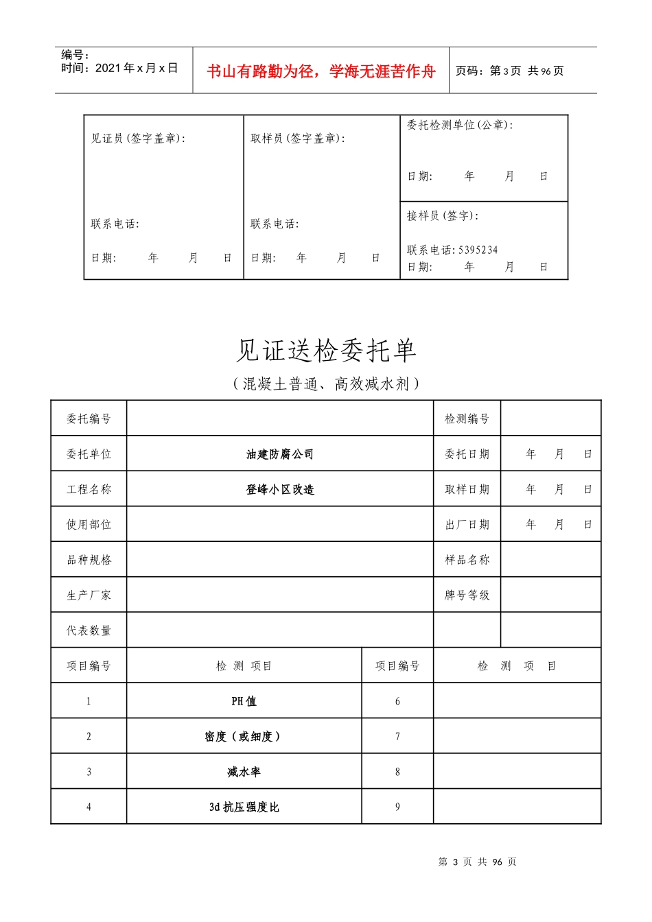
第1页共96页编号:时间:2021年x月x日书山有路勤为径,学海无涯苦作舟页码:第1页共96页见证送检委托单(混凝土、砂浆抗压强度)委托编号检测编号委托单位油建防腐公司委托日期2009年4月2日工程名称登峰小区改造成型日期2009年3月5日使用部位独立基础龄期28d设计等级C10水泥品种等级P·O32.5配合比(质量比)水泥:砂:碎石3.11:5.07砂品种规格中砂水灰(胶)比0.70石子品种规格20-40mm水泥用量243Kg/m3掺和料品种掺量稠度25mm外加剂品种掺量养护条件标准养护试件尺寸150×150×150mm检测项目抗压强度见证人单位填监理单位或建设单位名称见证员编号×××备注:见证员(签字盖章):取样员(签字盖章):委托检测单位(公章):日期:年月日第2页共96页第1页共96页编号:时间:2021年x月x日书山有路勤为径,学海无涯苦作舟页码:第2页共96页联系电话:日期:年月日联系电话:日期:年月日接样员(签字):联系电话:5395234日期:年月日见证送检委托单(砂浆、砼配合比设计)委托编号检测编号委托单位油建防腐公司委托日期2009年4月2日工程名称登峰小区改造成型日期2009年月日使用部位独立基础龄期设计等级C30水泥品种等级P·O32.5配合比(质量比)砂品种规格工程砂水灰(胶)比石子品种规格20-40mm水泥用量掺和料品种掺量稠度30-50mm外加剂品种掺量养护条件试件尺寸检测项目配合比设计见证人单位填监理单位或建设单位名称见证员编号×××备注:第3页共96页第2页共96页编号:时间:2021年x月x日书山有路勤为径,学海无涯苦作舟页码:第3页共96页见证员(签字盖章):联系电话:日期:年月日取样员(签字盖章):联系电话:日期:年月日委托检测单位(公章):日期:年月日接样员(签字):联系电话:5395234日期:年月日见证送检委托单(混凝土普通、高效减水剂)委托编号检测编号委托单位油建防腐公司委托日期年月日工程名称登峰小区改造取样日期年月日使用部位出厂日期年月日品种规格样品名称生产厂家牌号等级代表数量项目编号检测项目项目编号检测项目1PH值62密度(或细度)73减水率843d抗压强度比9第4页共96页第3页共96页编号:时间:2021年x月x日书山有路勤为径,学海无涯苦作舟页码:第4页共96页57d抗压强度比10见证人单位填监理单位或建设单位名称见证员编号×××备注:见证员(签字盖章):联系电话:日期:年月日取样员(签字盖章):联系电话:日期:年月日委托检测单位(盖章):日期:年月日接样员(签字):联系电话:5395234日期:年月日见证送检委托单(混凝土引气剂、引气减水剂)委托编号检测编号委托单位油建防腐公司委托日期年月日工程名称登峰小区改造取样日期年月日使用部位出厂日期年月日品种规格样品名称生产厂家牌号等级代表数量第5页共96页第4页共96页编号:时间:2021年x月x日书山有路勤为径,学海无涯苦作舟页码:第5页共96页项目编号检测项目项目编号检测项目1PH值62密度(或细度)73含气量843d抗压强度比957d抗压强度比10见证人单位填监理单位或建设单位名称见证员编号×××备注:见证员(签字盖章):联系电话:日期:年月日取样员(签字盖章):联系电话:日期:年月日委托检测单位(盖章):日期:年月日接样员(签字):联系电话:5395234日期:年月日见证送检委托单(缓凝剂、缓凝减水剂及缓凝高效减水剂)委托编号检测编号委托单位油建防腐公司委托日期年月日工程名称登峰小区改造取样日期年月日第6页共96页第5页共96页编号:时间:2021年x月x日书山有路勤为径,学海无涯苦作舟页码:第6页共96页使用部位出厂日期年月日品种规格样品名称生产厂家牌号等级代表数量项目编号检测项目项目编号检测项目1PH值62密度(或细度)73混凝土凝结时间843d抗压强度比957d抗压强度比10见证人单位填监理单位或建设单位名称见证员编号×××备注:缓凝减水剂及缓凝高效减水剂增检减水率。见证员(签字盖章):联系电话:日期:年月日取样员(签字盖章):联系电话:日期:年月日委托检测单位(盖章):日期:年月日接样员(签字):联系电话:5395234日期:年月日见证送检委托单(早强剂及早强减水剂)第7页共96页第6页共96页编号:时间:2021年x月x日书山有路勤为径,学海无涯苦作舟页码:第7页共96页委托编号检测编号委托单位油建防腐公司委托日期年月日工程名称登峰...

1、当您付费下载文档后,您只拥有了使用权限,并不意味着购买了版权,文档只能用于自身使用,不得用于其他商业用途(如 [转卖]进行直接盈利或[编辑后售卖]进行间接盈利)。
2、本站所有内容均由合作方或网友上传,本站不对文档的完整性、权威性及其观点立场正确性做任何保证或承诺!文档内容仅供研究参考,付费前请自行鉴别。
3、如文档内容存在违规,或者侵犯商业秘密、侵犯著作权等,请点击“违规举报”。

碎片内容

大庆路桥检测站见证送检委托单

您可能关注的文档

确认删除?
VIP
微信客服
  • 扫码咨询
会员Q群
  • 会员专属群点击这里加入QQ群
客服邮箱
回到顶部