电脑桌面
添加小米粒文库到电脑桌面
安装后可以在桌面快捷访问

客户服务人员绩效考核VIP免费

客户服务人员绩效考核_第1页
1/6
客户服务人员绩效考核_第2页
2/6
客户服务人员绩效考核_第3页
3/6
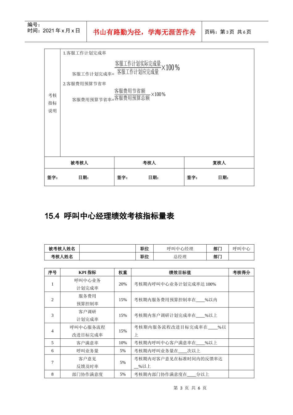
第1页共6页编号:时间:2021年x月x日书山有路勤为径,学海无涯苦作舟页码:第1页共6页第15章客户服务人员绩效考核15.1客服部关键绩效考核指标..............................................................................................115.2呼叫中心关键绩效考核指标..........................................................................................115.3客服部经理绩效考核指标量表......................................................................................215.4呼叫中心经理绩效考核指标量表..................................................................................315.5客户服务人员绩效考核方案..........................................................................................415.1客服部关键绩效考核指标序号KPI指标考核周期指标定义/公式资料来源1客户意见反馈及时率月度在标准时间内反馈客户意见的次数总共需要反馈的次数×100%客服部2客户服务信息传递及时率月度标准时间内传递信息次数需要向相关部门传递信息总次数×100%客服部3客户回访率月度实际回访客户数计划回访客户数×100%客服部4客户投诉解决速度月度月客户投诉解决总时间月解决投诉总数客服部5客户投诉解决满意率月度客户对解决结果满意的投诉数量总投诉数量×100%客服部6大客户流失数月/季/年度考核期内大客户流失数量客服部7大客户回访次数月/季/年度考核期内大客户回访的总次数客服部8客户满意度月/季/年度接受调研的客户对客服部工作满意度评分的算术平均值客服部9部门协作满意度月/季/年度对各业务部门之间的协作、配合程度通过发放“部门满意度评分表”进行考核客服部15.2呼叫中心关键绩效考核指标序号KPI指标考核周期指标定义/公式资料来源1呼叫中心业务计划完成率月/季/年度业务计划实际完成量业务计划完成量×100%呼叫中心2服务费用预算控制率月/季/年度服务费用开支额服务费用预算额×100%财务部第2页共6页第1页共6页编号:时间:2021年x月x日书山有路勤为径,学海无涯苦作舟页码:第2页共6页3客户调研计划完成率月/季/年度客户调研计划实际完成量客户调研计划完成量×100%呼叫中心4呼叫中心服务流程改进目标完成率月/季/年度改进目标实际完成量改进目标计划完成量×100%呼叫中心5客户满意度月/季/年度接受调研的客户对客服部工作满意度评分的算术平均值呼叫中心6转接率月/季/年度转接电话数全部接通电话数×100%呼叫中心7呼叫数月/季/年度指所有打入/打出中心的电话,包括受到阻塞的、中途放弃的和已经答复的电话呼叫中心8呼叫放弃率月/季/年度放弃电话数全部接通电话数×100%呼叫中心15.3客服部经理绩效考核指标量表被考核人姓名职位客服部经理部门客服部考核人姓名职位总经理部门序号KPI指标权重绩效目标值考核得分1客服工作计划完成率20%考核期内客服工作计划完成率在%以上2客服费用预算节省率15%考核期内客服费用预算节省率达%3客户意见反馈及时率15%考核期内对客户意见在标准时间内的反馈率达%以上4客户服务信息传递及时率10%考核期内在客户服务中发现重要问题或由价值信息的及时传递率达%以上5客服流程改进目标达成率10%考核期内客服流程改进目标达成率在%以上6客服标准有效执行率10%考核期内客服标准有效执行率达____%7客户满意度5%考核期内客户对客服满意得分在分以上8部门协作满意度5%考核期内部门协作满意度在分以上9大客户流失数5%考核期内因客户服务原因造成大客户流失数量在以下10员工管理5%考核期内部门员工平均考核成绩在分以上本次考核总得分第3页共6页第2页共6页编号:时间:2021年x月x日书山有路勤为径,学海无涯苦作舟页码:第3页共6页考核指标说明1.客服工作计划完成率客服工作计划完成率=客服工作计划实际完成量客服工作计划应完成量×100%2.客服费用预算节省率客服费用预算节省率=客服费用节省额客服费用预算总额×100%被考核人考核人复核人签字:日期:签字:日期:签字:日期:15.4呼叫中心经理绩效考核指标量表被考核人姓名职位呼叫中心经理部门呼叫中心考核人姓名职位总经理部门序号KPI指标权重绩效目标...

1、当您付费下载文档后,您只拥有了使用权限,并不意味着购买了版权,文档只能用于自身使用,不得用于其他商业用途(如 [转卖]进行直接盈利或[编辑后售卖]进行间接盈利)。
2、本站所有内容均由合作方或网友上传,本站不对文档的完整性、权威性及其观点立场正确性做任何保证或承诺!文档内容仅供研究参考,付费前请自行鉴别。
3、如文档内容存在违规,或者侵犯商业秘密、侵犯著作权等,请点击“违规举报”。

碎片内容

客户服务人员绩效考核

确认删除?
VIP
微信客服
  • 扫码咨询
会员Q群
  • 会员专属群点击这里加入QQ群
客服邮箱
回到顶部