电脑桌面
添加小米粒文库到电脑桌面
安装后可以在桌面快捷访问

室内聚氨酯、水泥基防水工程施工方案VIP专享VIP免费

室内聚氨酯、水泥基防水工程施工方案_第1页
1/30
室内聚氨酯、水泥基防水工程施工方案_第2页
2/30
室内聚氨酯、水泥基防水工程施工方案_第3页
3/30
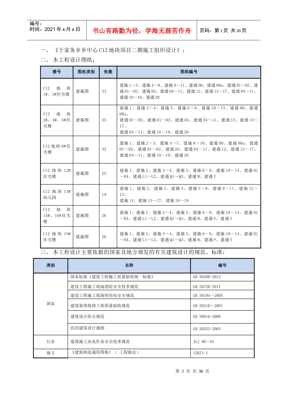
通州区于家务乡乡中心C12地块屋面防水工程施工方案编制:审核:审批:北京卓宝防水工程有限公司2016年10月12日第0页共30页编号:时间:2021年x月x日书山有路勤为径,学海无涯苦作舟页码:第0页共30页目录目录.................................................................................1第一部分工程方案第一章编制依据......................................................................2第二章工程概况......................................................................3第三章工程重点控制项目及节点细部做法................................................5第四章施工组织管理..................................................................9第五章防水工程施工工艺.............................................................13第六章材料、施工质量控制措施.......................................................20第二部分工程保证措施第一章质量保证措施.................................................................22第二章工期保证措施...............................................................25第三章成品保护措施...............................................................26第四章安全保证措施...............................................................27第五章消防保卫措施...............................................................30第六章相关单位协调配合措施.......................................................30通州区于家务乡乡中心C12地块屋面防水工程施工方案第一章编制依据第1页共30页第0页共30页编号:时间:2021年x月x日书山有路勤为径,学海无涯苦作舟页码:第1页共30页一、《于家务乡乡中心C12地块项目二期施工组织设计》;二、本工程设计图纸;楼号图纸类别张数图纸编号C12地块1#、3#住宅楼建施图33建施1~3、建施4~8、建施9~11、建通00、建通00a、建通01~02、建通01~02、建通03、建通04~11、建通12、建通13~17、建通04~11、建通18~19、建通20C12地块2#、4#、5#住宅楼建施图35建施1、建施2~4、建施5、建施6~9、建施10~13、建通00、建通00a、建通01~02、建通01~02、建通03、建通04~11、建通12、建通13~17、建通04~11、建通18~19、建通20C12地块6#住宅楼建施图32建施1、建施2~3、建施4~7、建施8~10、建通00、建通00a、建通01~02、建通01~02、建通03、建通04~11、建通12、建通13~17、建通04~11、建通18~19、建通20C12地块12#住宅楼建施图25建施1、建施2、建施3~4、建施5、建施6~9、建施10~14、建通H1~H4、建通L1~L2、建通Q1~Q3、建通M、建通YC12地块13#幼儿园建施图19建施1、建施2、建施3、建施4、建施5~8、建施9~11、建施12~13、建施14、建施15~17、建施18~19C12地块14#、16#住宅楼建施图26建施1、建施2、建施3~4、建施5、建施6~9、建施10~14、建通H1~H4、建通L1~L2、建通Q1~Q3、建通M、建通P、建通YC12地块15#住宅楼建施图26建施1、建施2、建施3~4、建施5、建施6~9、建施10~14、建通H1~H4、建通L1~L2、建通Q1~Q3、建通M、建通P、建通Y三、本工程设计主要依据的国家及地方颁发的有关建筑设计的规范、标准;类别名称编号国家国家标准《建筑工程施工质量验收统一标准》GB50300-2013建设工程施工现场消防安全技术规范GB50720-2011建设工程施工现场供用电安全规范GB50194-2005建筑装饰装修工程质量验收规范GB50210-2001建筑设计防火规范GB50016-2006民用建筑设计通则GB50352-2005行业建筑施工高处作业安全技术规范JGJ80-91地方《建筑构造通用图集》(工程做法)12BJ1-1第2页共30页第1页共30页编号:时间:2021年x月x日书山有路勤为径,学海无涯苦作舟页码:第2页共30页类别名称编号建设工程检测试验管理规程DB11/386-2006厨房、厕浴间防水施工技术规程DBJ01-105-2006第二章工程概况序号项目内容1工程名称通州区于家务乡乡中心C地块项目(配建公共租赁住房)C12地块1#住宅楼等9项、C12地块7#住宅楼等8项、C12-13#...

1、当您付费下载文档后,您只拥有了使用权限,并不意味着购买了版权,文档只能用于自身使用,不得用于其他商业用途(如 [转卖]进行直接盈利或[编辑后售卖]进行间接盈利)。
2、本站所有内容均由合作方或网友上传,本站不对文档的完整性、权威性及其观点立场正确性做任何保证或承诺!文档内容仅供研究参考,付费前请自行鉴别。
3、如文档内容存在违规,或者侵犯商业秘密、侵犯著作权等,请点击“违规举报”。

碎片内容

室内聚氨酯、水泥基防水工程施工方案

确认删除?
VIP
微信客服
  • 扫码咨询
会员Q群
  • 会员专属群点击这里加入QQ群
客服邮箱
回到顶部