电脑桌面
添加小米粒文库到电脑桌面
安装后可以在桌面快捷访问

(精品)十年上海高三物理高考题分类汇编-第十一单元热学和光学实验全国通用VIP免费

(精品)十年上海高三物理高考题分类汇编-第十一单元热学和光学实验全国通用_第1页
1/7
(精品)十年上海高三物理高考题分类汇编-第十一单元热学和光学实验全国通用_第2页
2/7
(精品)十年上海高三物理高考题分类汇编-第十一单元热学和光学实验全国通用_第3页
3/7
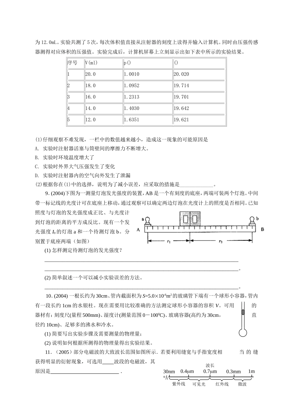
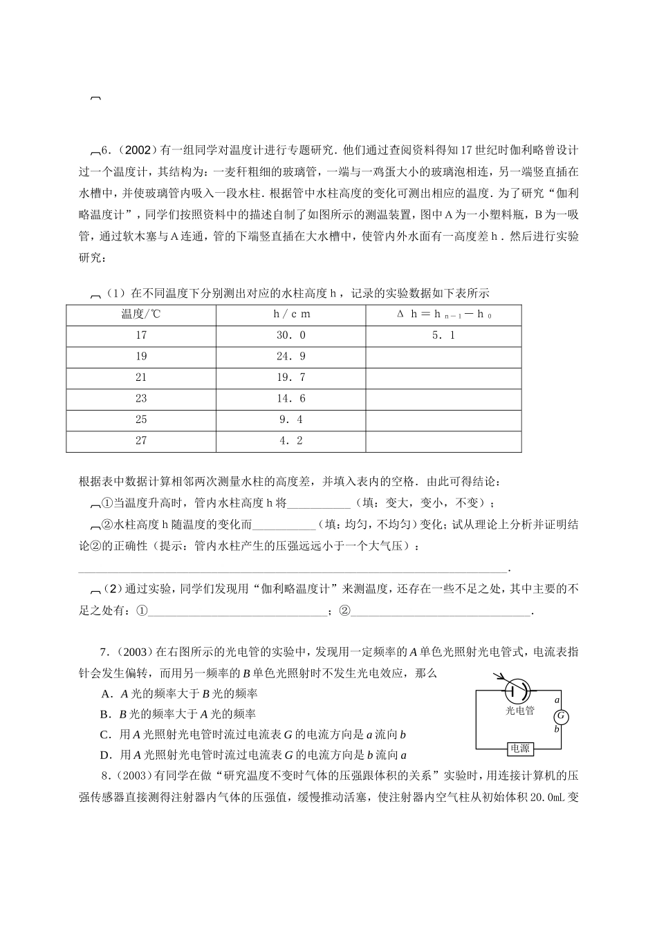
第十一单元热学和光学实验1.(2000)单色光源发出的光经一狭缝,照射到光屏上,可观察到的图象是2.(2000)现有一根粗细均匀长约40厘米,两端开口的玻璃管,内有一小段水柱,一个弹簧秤,一把毫米刻度尺,一小块橡皮泥,一个足够高的玻璃容器,内盛有冰和水的混合物,选用合适的器材,设计一个实验,估测当时的室内温度,要求:(1)在右边方框中画出实验示意图;(2)写出要测定的物理量,写出可直接应用的物理量,(3)写出计算室温的表达式。3.(2001)光电效应实验的装置如图所示,则下面说法中正确的是(A)用紫外光照射锌板,验电器指针会发生偏转(B)用红色光照射锌板,验电器指针会发生偏转(C)锌板带的是负电荷(D)使验电器指针发生偏转的是正电荷4.(2001)某同学用同一个注射器做了两次验证波意耳定律的实验,操作完全正确。根据实验数据却在P-V图上画出了两条不同双曲线。造成这种情况的可能原因是(A)两次实验中空气质量不同(B)两次实验中温度不同(C)两次实验中保持空气质量、温度相同,但所取的气体压的数据不同(D)两次实验中保持空气质量、温度相同,但所取的气体体的数据不同。5.(2002)如图所示为一显示薄膜干涉现象的实验装置,P是附有肥皂膜的铁丝圈,S是一点燃的酒精灯.往火焰上洒些盐后,在肥皂膜上观察到的干涉图象应是下图中的___________.6.(2002)有一组同学对温度计进行专题研究.他们通过查阅资料得知17世纪时伽利略曾设计过一个温度计,其结构为:一麦秆粗细的玻璃管,一端与一鸡蛋大小的玻璃泡相连,另一端竖直插在水槽中,并使玻璃管内吸入一段水柱.根据管中水柱高度的变化可测出相应的温度.为了研究“伽利略温度计”,同学们按照资料中的描述自制了如图所示的测温装置,图中A为一小塑料瓶,B为一吸管,通过软木塞与A连通,管的下端竖直插在大水槽中,使管内外水面有一高度差h.然后进行实验研究:(1)在不同温度下分别测出对应的水柱高度h,记录的实验数据如下表所示温度/℃h/cmΔh=hn-1-h01730.05.11924.92119.72314.6259.4274.2根据表中数据计算相邻两次测量水柱的高度差,并填入表内的空格.由此可得结论:①当温度升高时,管内水柱高度h将___________(填:变大,变小,不变);②水柱高度h随温度的变化而___________(填:均匀,不均匀)变化;试从理论上分析并证明结论②的正确性(提示:管内水柱产生的压强远远小于一个大气压):__________________________________________________________________________.(2)通过实验,同学们发现用“伽利略温度计”来测温度,还存在一些不足之处,其中主要的不足之处有:①_______________________________;②_______________________________.7.(2003)在右图所示的光电管的实验中,发现用一定频率的A单色光照射光电管式,电流表指针会发生偏转,而用另一频率的B单色光照射时不发生光电效应,那么A.A光的频率大于B光的频率B.B光的频率大于A光的频率C.用A光照射光电管时流过电流表G的电流方向是a流向bD.用A光照射光电管时流过电流表G的电流方向是b流向a8.(2003)有同学在做“研究温度不变时气体的压强跟体积的关系”实验时,用连接计算机的压强传感器直接测得注射器内气体的压强值,缓慢推动活塞,使注射器内空气柱从初始体积20.0mL变光电管电源Gab为12.0mL。实验共测了5次,每次体积值直接从注射器的刻度上读得并输入计算机。同时由压强传感器测得对应体积的压强值。实验完成后,计算机屏幕上立刻显示出如下表中所示的实验结果。序号V(ml)p()()120.01.001020.020218.01.095219.714316.01.231319.701414.01.403019.642512.01.635119.621(1)仔细观察不难发现,一栏中的数值越来越小,造成这一现象的可能原因是A.实验时注射器活塞与筒壁间的摩擦力不断增大。B.实验时环境温度增大了C.实验时外界大气压强发生了变化D.实验时注射器内的空气向外发生了泄漏(2)根据你在(1)中的选择,说明为了减小误差,应采取的措施是_____________。9.(2004)下图为一测量灯泡发光强度的装置,AB是一个有刻度的底座,两端可装两个灯泡。中间带...

1、当您付费下载文档后,您只拥有了使用权限,并不意味着购买了版权,文档只能用于自身使用,不得用于其他商业用途(如 [转卖]进行直接盈利或[编辑后售卖]进行间接盈利)。
2、本站所有内容均由合作方或网友上传,本站不对文档的完整性、权威性及其观点立场正确性做任何保证或承诺!文档内容仅供研究参考,付费前请自行鉴别。
3、如文档内容存在违规,或者侵犯商业秘密、侵犯著作权等,请点击“违规举报”。

碎片内容

(精品)十年上海高三物理高考题分类汇编-第十一单元热学和光学实验全国通用

文章天下+ 关注
实名认证
内容提供者

各种文档应有尽有

相关文档

确认删除?
VIP
微信客服
  • 扫码咨询
会员Q群
  • 会员专属群点击这里加入QQ群
客服邮箱
回到顶部