电脑桌面
添加小米粒文库到电脑桌面
安装后可以在桌面快捷访问

外脚手架施工方案-改VIP专享VIP免费

外脚手架施工方案-改_第1页
1/35
外脚手架施工方案-改_第2页
2/35
外脚手架施工方案-改_第3页
3/35
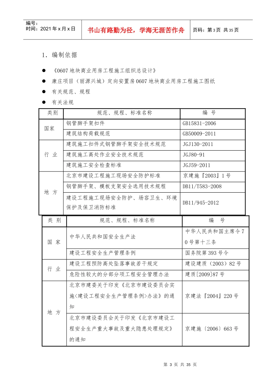
0607地块商业用房脚手架专项方案目录1.编制依据.............................................32.工程概况.............................................42.1总体简介..................................................42.2结构工程概况..............................................53.施工安排.............................................53.1施工方案选择..............................................53.2施工进度计划..............................................53.3施工准备..................................................64.脚手架设计方案与施工工艺.............................94.1设计方案..................................................94.2落地式脚手架技术参数.....................................104.3构造要求.................................................104.4特殊部位做法.............................................174.5施工工艺.................................................194.6悬挑脚手架...............................................224.7检查与验收...............................................235.施工安全保证措施....................................275.1组织保证措施.............................................275.2技术保证措施.............................................275.3日常安全管理保证措施.....................................285.4脚手架季节性施工安全措施.................................296.施工应急救援预案.....................................306.1预防监控措施.............................................306.2项目部救援组织机构名单及职责.............................30-1-0607地块商业用房脚手架专项方案6.3应急措施.................................................317.计算书..............................................33-2-第3页共35页编号:时间:2021年x月x日书山有路勤为径,学海无涯苦作舟页码:第3页共35页1.编制依据《0607地块商业用房工程施工组织总设计》康庄项目(丽源兴城)定向安置房0607地块商业用房工程施工图纸有关规范、规程有关法规类别规范、规程、标准名称编号国家中华人民共和国安全生产法中华人民共和国主席令70号第十三条建设工程安全生产管理条例国务院第393号令行业建设工程预防高处坠落事故若干规定建设建质(2003)82号危险性较大的分部分项工程安全管理办法建质[2009]87号地方北京市建委关于印发《北京市建设委员会实施<建设工程安全生产管理条例>办法》的通知京建法『2004』220号北京市建设委员会关于印发《北京市建设工程安全生产重大事故及重大隐患处理规定》的通知京建施〔2006〕663号类别规范、规程、标准名称编号国家钢管脚手架扣件GB15831-2006建筑结构荷载规范GB50009-2011行业建筑施工扣件式钢管脚手架安全技术规范JGJ130-2011建筑施工高处作业安全技术规范JGJ80-91建筑施工安全检查标准JGJ59-2011地方北京市建设工程施工现场安全防护标准京建施『2003』1号钢管脚手架、模板支架安全选用技术规程DB11/T583-2008建设工程施工现场安全防护、场容卫生、环境保护及保卫消防标准DB11/945-2012第4页共35页第3页共35页编号:时间:2021年x月x日书山有路勤为径,学海无涯苦作舟页码:第4页共35页2.工程概况2.1总体简介项目内容工程名称0607地块商业用房工程性质公共建筑工程地址北京市大兴区枣园路建设单位北京市大兴城镇建设综合开发集团有限公司勘察单位北京航勘基础工程建设有限公司设计单位北京市工业设计研究院监理单位北京日日豪工程监理有限公司总承包单位北京万兴建筑集团有限公司工期要求复工日期2016年6月15日竣工日期2017年1月5日质量要求质量等级合格第5页共35页第4页共35页编号:时间:2021年x月x日书山有路勤为径,学海无涯苦作舟页码:第5页共35页2.2结构工程概况3.施工安排3.1施工方案选择结合本工程结构形式、实际施工特点,地上主体结构施工阶段主要采用落地式双排脚手架,...

1、当您付费下载文档后,您只拥有了使用权限,并不意味着购买了版权,文档只能用于自身使用,不得用于其他商业用途(如 [转卖]进行直接盈利或[编辑后售卖]进行间接盈利)。
2、本站所有内容均由合作方或网友上传,本站不对文档的完整性、权威性及其观点立场正确性做任何保证或承诺!文档内容仅供研究参考,付费前请自行鉴别。
3、如文档内容存在违规,或者侵犯商业秘密、侵犯著作权等,请点击“违规举报”。

碎片内容

外脚手架施工方案-改

确认删除?
VIP
微信客服
  • 扫码咨询
会员Q群
  • 会员专属群点击这里加入QQ群
客服邮箱
回到顶部