电脑桌面
添加小米粒文库到电脑桌面
安装后可以在桌面快捷访问

总体路基工程施工方案VIP免费

总体路基工程施工方案_第1页
1/66
总体路基工程施工方案_第2页
2/66
总体路基工程施工方案_第3页
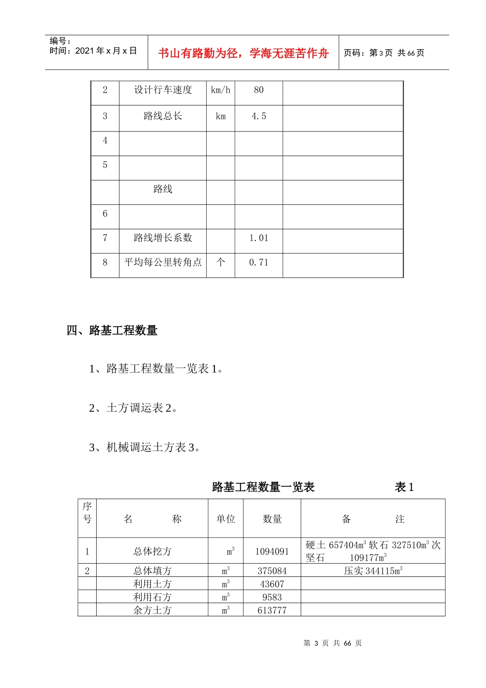
3/66
第1页共66页编号:时间:2021年x月x日书山有路勤为径,学海无涯苦作舟页码:第1页共66页路基工程施工方案一、概述本合同段的填方路基试验段施工已经完成。根据路基填筑施工技术规范及合同文件要求,我标从2006年11月1日至11月5日在K165+000~K165+070段,进行了填方路基试验段施工。在施工期间,技术、管理人员各司其责,设备正常运作,在业主和监理工程师的监督与悉心指导下,按计划顺利完成了试验段的施工,达到试验的目的。经过试验表明:1、计划的设备组合可以满足以后的施工需要。2、管理机构及技术管理人员可满足工作需要。3、试验段的施工工艺合理、正确,可指导今后的路基土方工程施工。二、工程概况本路段整体式路基宽度为24.5m,其中行车道为2×11.25m,中间带4.5m(含2×0.75m路缘带),硬路肩为2×3.0m(含右侧路缘带宽2×0.5m),土路肩宽度为2×0.75m,路拱坡度行车道、路缘带及硬路肩采第2页共66页第1页共66页编号:时间:2021年x月x日书山有路勤为径,学海无涯苦作舟页码:第2页共66页用2%,土路肩采用4%。路基设计洪水频率采用1/100。分离式路基宽度17.0m,其中:左侧硬路肩宽1.25m(含左侧路缘带宽0.75m),行车道宽3×3.75m,右侧硬路肩宽3.0m(含右侧路缘带0.5m),土路肩宽2×0.75m。地形地貌:本合同段线路区地形地貌属低山丘陵区,为侵蚀~剥蚀地貌,常构成多级峰顶、岗峦起伏的地貌景观,局部基岩裸露,山梁、山脊多宽平,山顶多平整或浑圆,冲沟发育,沟谷两侧山坡地形坡度多在25°~50°之间,山势的走向多为北东方向,与区域构造一致。三、路基施工指标序号指标名称单位数量备注1公路等级级高速公路第3页共66页第2页共66页编号:时间:2021年x月x日书山有路勤为径,学海无涯苦作舟页码:第3页共66页2设计行车速度km/h803路线总长km4.545路线67路线增长系数1.018平均每公里转角点个0.71四、路基工程数量1、路基工程数量一览表1。2、土方调运表2。3、机械调运土方表3。路基工程数量一览表表1序号名称单位数量备注1总体挖方m31094091硬土657404m3软石327510m3次坚石109177m32总体填方m3375084压实344115m3利用土方m343607利用石方m39583余方土方m3613777第4页共66页第3页共66页编号:时间:2021年x月x日书山有路勤为径,学海无涯苦作舟页码:第4页共66页余方石方m34271043特殊路基土工格栅㎡20657低填浅挖挖土方m35275回填土方m352754高液限土处理挖弃高液限土m3188820超挖m35920换填碎石土m359205取土场(坑)弃土堆弃土方m3420330弃石方m3765023浆砌片石m35032开挖排水沟m7902便道m8006挡土墙M7.5浆砌片石m3417C20片石混凝土m33599C25混凝土m3247沥青麻絮m397开挖土方m31995回填土方m3631粘土隔水层m358砂砾反滤层m3472墙顶抹面㎡263φ5cmPVC管m3497防撞护栏C25混凝土m399Ⅰ级钢筋㎏3124Ⅱ级钢筋㎏127508路面排水φ10cmPVC泄水管m50钢丝网㎡1249锥坡填土m310010边沟M7.5浆砌片石m33299.9φ14㎜钢筋㎏34693.75φ8㎜钢筋㎏8132.063C30混凝土m3381.25开挖土石方m33486.73第5页共66页第4页共66页编号:时间:2021年x月x日书山有路勤为径,学海无涯苦作舟页码:第5页共66页回填土方m3186.79511平台截水沟M7.5浆砌片石m3234.2C20混凝土m31951.6开挖土石方m31672.8回填土方m3780.6412山坡截水沟C15混凝土m3866.5开挖土石方m31495回填土方m3203913急流槽M7.5浆砌片石m32763.9C25混凝土m35.24开挖土石方m33578.8114渗沟及出口M7.5浆砌片石m323.68φ20PVC管m304C20混凝土(现浇)m3528.2反滤土工布㎡6285.9φ20PVC筛孔管m4082未筛分碎石m31395.9开挖土石方m3219915K25+000~K29+200段φ32精轧预应力锚杆㎏/根4795/60φ15.24无粘结钢绞线㎏/索29207/134φ25锚杆㎏/根19883/637Ⅱ级钢筋㎏118932Ⅰ级钢筋㎏27601钢垫板㎏2401OVM-JLM-32套60OVM15-6套129OVM15-4套105塑料架线环个2883C30混凝土预制m32C15片石混凝土m356挖基m31044水泥砂浆m350注浆管m16211.1PVC套管m270φ8㎝软式透管m2046U型钢钉㎏388第6页共66页第5页共66页编号:时间:2021年x月x日书山有路勤为径,学海无涯苦作舟页码:第6页共66页三维网㎡820镀锌铁丝网㎡37429混合植被种子㎏1620水泥砂浆m326...

1、当您付费下载文档后,您只拥有了使用权限,并不意味着购买了版权,文档只能用于自身使用,不得用于其他商业用途(如 [转卖]进行直接盈利或[编辑后售卖]进行间接盈利)。
2、本站所有内容均由合作方或网友上传,本站不对文档的完整性、权威性及其观点立场正确性做任何保证或承诺!文档内容仅供研究参考,付费前请自行鉴别。
3、如文档内容存在违规,或者侵犯商业秘密、侵犯著作权等,请点击“违规举报”。

碎片内容

总体路基工程施工方案

您可能关注的文档

教育精品店+ 关注
实名认证
内容提供者

优良的服务

确认删除?
VIP
微信客服
  • 扫码咨询
会员Q群
  • 会员专属群点击这里加入QQ群
客服邮箱
回到顶部