电脑桌面
添加小米粒文库到电脑桌面
安装后可以在桌面快捷访问

安徽省汽车客运站站级验收标准VIP免费

安徽省汽车客运站站级验收标准_第1页
1/8
安徽省汽车客运站站级验收标准_第2页
2/8
安徽省汽车客运站站级验收标准_第3页
3/8
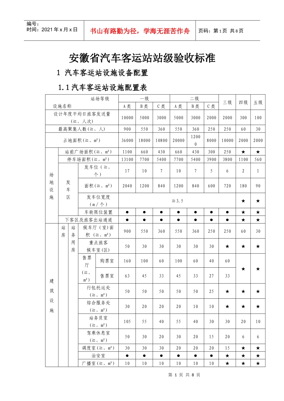
第1页共8页编号:时间:2021年x月x日书山有路勤为径,学海无涯苦作舟页码:第1页共8页安徽省汽车客运站站级验收标准1汽车客运站设施设备配置1.1汽车客运站设施配置表站场等级设施名称一级二级三级四级五级A类B类C类A类B类C类设计年度平均日旅客发送量(≧,人次)10000500030005000300020002000300100最高聚集人数(≧,人)9005503605503602502506030占地面积(≧,m²)360001800010800200001200080001000020002000场地设施站前广场面积(≧,m²)1100660430660430300250★★停车场面积(≧,m²)131007700540077005400390038001100560发车区发车位(≧,个)171071075621面积(≧,m²)20401200840120084060072018090发车位宽度(m∕个)≧3.5★★车轮限位装置●●●●●●●★★下客区及旅客出站通道●●●●●●●★★建筑设施站房站务用房候车厅(室)面积(≧,m²)9005503605503602502506030重点旅客候车室(区)503030303030★★★售票厅(≧,m²)购票室16010060100604060★★售票室63453345332733行包托运处(≧,m²)505050505025★★★综合服务处(≧,m²)302020201010★★★站务员室(≧,m²)1055540554030302010驾乘休息室(≧,m²)5030203020152066调度室(≧,m²)30303020202015★★治安室●●●●●●★★★广播室(≧,m²)101010101010★★★第2页共8页第1页共8页编号:时间:2021年x月x日书山有路勤为径,学海无涯苦作舟页码:第2页共8页医疗救护室★★★★★★★★★无障碍通道●●●●●●●●●残疾人服务设施●●●●●●●●●饮水室(处)●●●●●●★★★盥洗室和旅客厕所男厕(≧,m²)70503750373030188女厕(≧,m²)70503750373030188智能化系统用房●●●●●●★★★办公用房●●●●●●●★★辅助用房生产辅助用房安检区(≧,m²)1608080808080808080车辆清洁、清洗台(≧,m²)909090909090★★★配电室●●●●●●★★★注:“●”—必备;“★”—视情况设置;“—”—不作要求。编制说明1.一级A类:设计年度日旅客发送量(下简称日发量)10000人次以上的车站。2.一级B类:省、自治区、直辖市及其所辖市、自治州(盟)人民政府和地区行政公署所在地,如无10000人次以上的车站,可选取日发量在5000人次以上具有代表性的一个车站。3.一级C类:位于国家级旅游区或一类边境口岸,日发量在3000人次以上的车站。4.二级A类:日发量5000人次以上,不足10000人次的车站。5.二级B类:县以上或相当于县人民政府所在地,如无5000人次以上的车站,可选取日发量在3000人次以上具有代表性的一个车站。6.二级C类:位于省级旅游区或二类边境口岸,日发量在2000人次以上的车站。7.占地面积按部颁标准计算。根据我省实际,三级及以上车站可设备用停车场,其面积可计算在占地面积内,备用停车场可计算面积一般不超过占地面积的30%(用地紧张的中心城市可适当放宽);备用停车场应为站场业主自有或具备合法手续、租赁期三年以上,符合要求的合法用地,其到车站的里程应在5公里范围内(应能保证车站准点发车)。8.发车位面积:根据部颁标准,每个发车位占用面积按客车投影面积的4.0倍计算(客车投影面积按12m×2.5m计算,四级及以下客运站如仅接纳中型以下客车的,可按9m×2.5m计算),发车位面积=4.0×客车投影面积×发车位数。注:“●”—必备;“★”—视情况设置;“—”—不作要求。第3页共8页第2页共8页编号:时间:2021年x月x日书山有路勤为径,学海无涯苦作舟页码:第3页共8页1.2汽车客运站设备配置表站场等级设备名称计量单位一级二级三级四级五级ABCABC基本设备旅客购票设备售票窗口(≧)个853532311候车休息候车室座椅(≧)座3602201402201401001002412行包安检设备行李安检机台●●●●●●★——安全消防设备齐备有效●●●●●清洁清洗设备齐备有效●●●●●●★——广播通讯智能语音广播台●●★★—人工语音广播台●●★★★对讲机台●●★★—行包搬运搬运手推车辆●●★★★便民小车辆●●★★★采暖或制冷候车厅空调设备套●★★★★宣传告示班次时刻表自定●●●●●里程票价表●●●●●行包价目表●●★★★营运线路图●●●●●旅客须知●●●●●禁...

1、当您付费下载文档后,您只拥有了使用权限,并不意味着购买了版权,文档只能用于自身使用,不得用于其他商业用途(如 [转卖]进行直接盈利或[编辑后售卖]进行间接盈利)。
2、本站所有内容均由合作方或网友上传,本站不对文档的完整性、权威性及其观点立场正确性做任何保证或承诺!文档内容仅供研究参考,付费前请自行鉴别。
3、如文档内容存在违规,或者侵犯商业秘密、侵犯著作权等,请点击“违规举报”。

碎片内容

安徽省汽车客运站站级验收标准

确认删除?
VIP
微信客服
  • 扫码咨询
会员Q群
  • 会员专属群点击这里加入QQ群
客服邮箱
回到顶部