电脑桌面
添加小米粒文库到电脑桌面
安装后可以在桌面快捷访问

供热质量与价格标准分析VIP免费

供热质量与价格标准分析_第1页
1/9
供热质量与价格标准分析_第2页
2/9
供热质量与价格标准分析_第3页
3/9
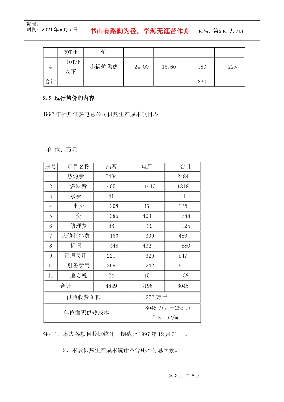
第1页共9页编号:时间:2021年x月x日书山有路勤为径,学海无涯苦作舟页码:第1页共9页供热质量与价格标准分析1引言时下,人们对商品住宅、家用电器等有形商品的优质优价已普遍认同。在名牌效应的感召下心甘情愿地多花钱购买优质名牌产品。而对热、光、气等无形商品的优质优价问题却无人论述。在市场经济条件下,任何商品都应具备质价相等的属性和权利,而优质优价则是市场经济价格杠杆最有效的调控手段。只有优质优价名牌产品才能得发展;优胜劣汰,社会才能进步。牡丹江市的铁南、铁北集中与分散供热小锅炉相比以其良好的供热质量和优质服务;巨大的社会和环境效益;深厚的科技含量为牡丹江市民生活档次的提高、环境污染的治理做出了突出的贡献,取得了事半功倍的效果。但是由于在制定热费标准上的“大锅饭”和“平均主义”,忽视了热电联产和大型锅炉房集中供热在建设过程中的巨额投入和运行方式和成本上的差别。使得集中供热没有得到质价相符的回报。而分散小锅炉在严重污染环境的同时,却以其微薄的建设投入和原始落后的运行方式获取超出集中供热几倍,甚至十几倍的商业收益。可以说现行的热价标准从客观上起到了保护落后的作用。因此开发商们申报建设小型采暖锅炉的呼声一片。下面我们仅对集中供热和小型采暖锅炉供热的供热质量和价格做一下分析比较,为求做到反映问题的实质,做一次解疑释惑的答辩。2牡丹江市现行热价标准及内容2.1现行热价标准10年前供热质量和价格在抽象概念的定义下被锁定为室内温度质量和保证该温度所消耗热量的价值。而目前我们所执行的热价仍旧是这种抽象概念的产物。用中国一则寓言“瞎子摸象”来形容现行热价标准是极为恰当的比喻。序号锅炉容量供热类型执行热价(元/M2·年)供热面积(万M2)所占比例使用面积建筑面积1220T/h热电联产27.0017.5540048%240T/h大型区域供热锅炉26.0016.910012%310-区域供热锅24.0015.615018%第2页共9页第1页共9页编号:时间:2021年x月x日书山有路勤为径,学海无涯苦作舟页码:第2页共9页20T/h炉410T/h以下小锅炉供热24.0015.6018022%合计8302.2现行热价的内容1997年牡丹江热电总公司供热生产成本项目表单位:万元序号项目名称热网电厂合计1热源费248424842燃料费405141318183水费41414电费208172255工资3854037886修理费86391257大修材料费1803094898折旧4484328809管理费用22132654710财务费用36924261111地方税241539合计484931968045供热收费面积252万m2单位面积供热成本8045万元÷252万m2=31.92/m2注:1、本表各项目数据统计日期截止1997年12月31日。2、本表供热生产成本统计不含还本付息因素。第3页共9页第2页共9页编号:时间:2021年x月x日书山有路勤为径,学海无涯苦作舟页码:第3页共9页3集中供热质量的内涵人们公认集中供热是个系统工程。而这个系统工程有构成决不仅是供热,其质量的内涵也不只是供热质量,而应该是社会、环境等综合效益指标的质量。3.1大气环境的综合指标标准按国家环保条例规定:大气环境质量重要标准悬浮颗粒TSP指标标准为:一级空气质量TSP值为:0.1mg/m3以下;二级空气质量TSP值为:0.3mg/m3以下;三级空气质量TSP值为:0.5mg/m3以下。3.210年来牡市大气环境指标TSP值的改变从1991年集中供热投运后,大气环境指标TSP值有了较大的改变,详见下表。年度TSP值(平均)1991年0.779mg/m31992年0.507mg/m31993年0.444mg/m31996年0.381mg/m31997年0.378mg/m31998年0.369mg/m3以上数字表明牡市大气环境质量从1993年开始已达到三级质量标准,这是一次突破性进展,逐步向二级标准靠近。这些年来,城市开发建设的速度很快,人口增加了,污染源也在增加,但是大气环境质量明显好转,环保部门评价说:“这是市区内取消小烟囱的成绩,是发展集中供热的硕果。3.3市区内地域大气环境指标比较牡市环保部门在市区内有4个观测站,其观测结果如下:第4页共9页第3页共9页编号:时间:2021年x月x日书山有路勤为径,学海无涯苦作舟页码:第4页共9页序号名称地域情况98年TSP指标98年平均mg/m31月3月9月11月1苗圃人少树多0.4370.1770.1050.1380.2142卫校居民区、无集中供热、小锅炉、小烟囱多0.7390.2980.2950....

1、当您付费下载文档后,您只拥有了使用权限,并不意味着购买了版权,文档只能用于自身使用,不得用于其他商业用途(如 [转卖]进行直接盈利或[编辑后售卖]进行间接盈利)。
2、本站所有内容均由合作方或网友上传,本站不对文档的完整性、权威性及其观点立场正确性做任何保证或承诺!文档内容仅供研究参考,付费前请自行鉴别。
3、如文档内容存在违规,或者侵犯商业秘密、侵犯著作权等,请点击“违规举报”。

碎片内容

供热质量与价格标准分析

您可能关注的文档

确认删除?
VIP
微信客服
  • 扫码咨询
会员Q群
  • 会员专属群点击这里加入QQ群
客服邮箱
回到顶部