电脑桌面
添加小米粒文库到电脑桌面
安装后可以在桌面快捷访问

超市收货流程VIP免费

超市收货流程_第1页
1/9
超市收货流程_第2页
2/9
超市收货流程_第3页
3/9
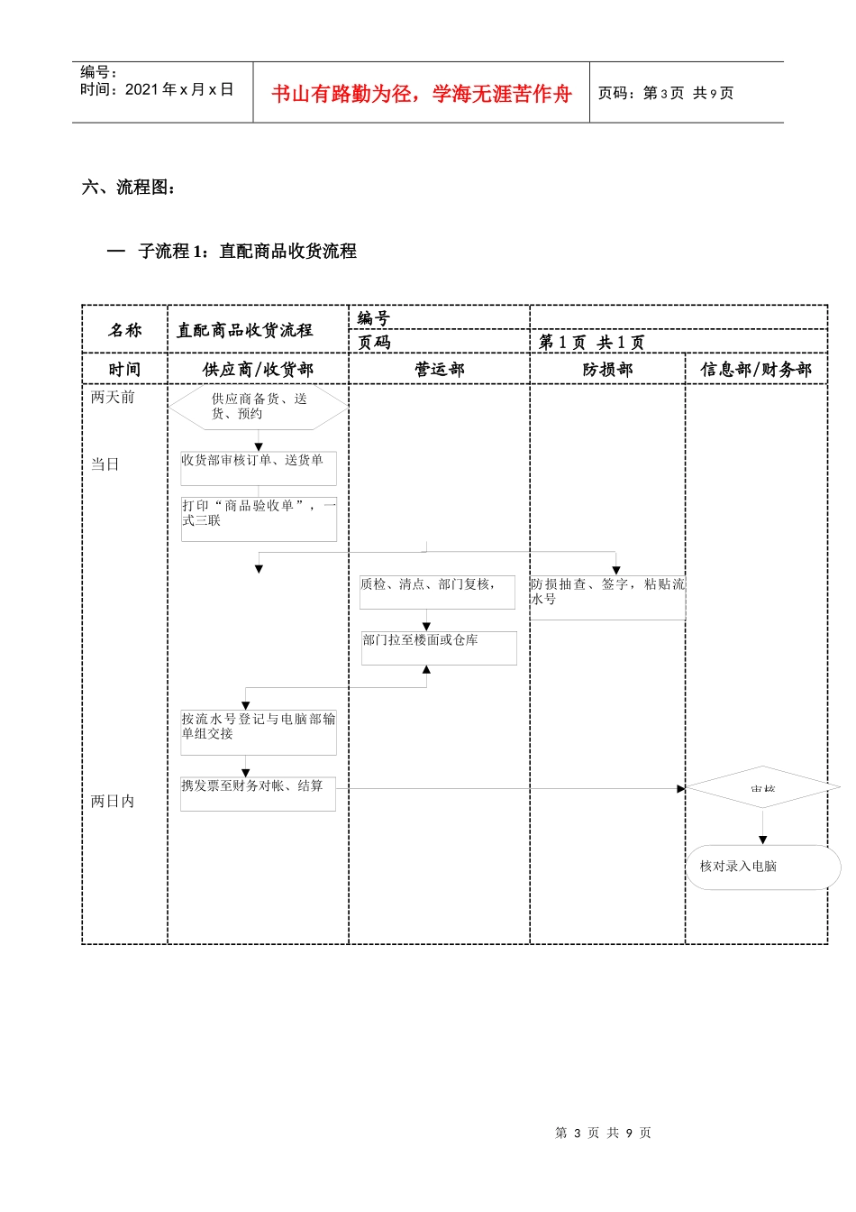
第1页共9页编号:时间:2021年x月x日书山有路勤为径,学海无涯苦作舟页码:第1页共9页流程编号:流程名称:收货流程流程目录:―子流程1:直配商品收货流程―子流程2:代销商品收货流程―子流程3:促销商品收货流程―子流程4:可销售赠品收货流程―子流程5:不可销售赠品收货流程―子流程6:不可销售礼品收货流程一、目的:―本流程通过对收货易缺失环节的监控和梳理,完成收货环节的连接与高效流转,确定每天、每周、每月、每季、每年的明细报告,做到收货闭环管理。二、流程适用范围:各门店及配送中心的收货管理三、流程原则:─供应商送货(门店、配送)一律实行“预约”─一律实行“盲收”─每天、每周、每月收货报告的记录与分析─收货坚持“票货同行”的方式进行票据的处理─收货异常情况每周汇总分析四、流程职能分配:―收货部主管的职责:1.管理商品验收和库管的全面工作2.确保收货区按分类堆放,周转通畅3.确保库存商品的质量\数量的完好与准确4.对部门的设备\工具的使用管理负责5.对商品的先进先出负责6.处理本部门突发性\临时性的事务7.对下属提出的工作疑问及时给予准确答复8.对每周的工作情况向上级反馈―收货部电脑录入员的职责:1.负责收货部票据的所有录入工作第2页共9页第1页共9页编号:时间:2021年x月x日书山有路勤为径,学海无涯苦作舟页码:第2页共9页2.负责审验收货部有关票据以及填写<<订货单交接表>>3.负责班前按时打扫卫生,保持办公区的清洁4.负责对电脑设备系统进行检查5.负责核对送货单\订单\收货单,发现问题及时反映6.负责填写收货部工作总结―收货部收货员的职责:1.熟练掌握商品验收知识,执行收货程序2.单据填写字迹清楚,发生涂改后三方签字确认3.完成收\退\换\转,验收区商品不积压4.保证收货秩序良好五、流程说明―“预约”可以有效保证送货频率和批次的有效执行,杜绝忙闲时间的问题---实行“盲收”可以监督收货员清点数量的正确性―每天、每月、每季收货报告反映收货数量真实性和库存记录―“票货同行”可以保证库存在第一时间的正确记录和准确―“收货异常”报告的记录分析―促销商品到货有优先收货的权利,节假日开放绿色通道收取促销商品。—完成每天、每周、每月固定的收货报表,通过体统来实现或通过EXCEL固定格式来完成第3页共9页第2页共9页编号:时间:2021年x月x日书山有路勤为径,学海无涯苦作舟页码:第3页共9页六、流程图:─子流程1:直配商品收货流程名称直配商品收货流程编号页码第1页共1页时间供应商/收货部营运部防损部信息部/财务部两天前当日两日内供应商备货、送货、预约收货部审核订单、送货单打印“商品验收单”,一式三联质检、清点、部门复核,审核核对录入电脑防损抽查、签字,粘贴流水号部门拉至楼面或仓库按流水号登记与电脑部输单组交接携发票至财务对帐、结算第4页共9页第3页共9页编号:时间:2021年x月x日书山有路勤为径,学海无涯苦作舟页码:第4页共9页─子流程2:代销商品收货流程名称代销商品收货流程编号页码第1页共1页时间供应商/收货部营运部防损部信息部/财务部当日当日─子流程3:促销商品收货流程联营商填单部门审批收货员收货分单存档安保核查准入第5页共9页第4页共9页编号:时间:2021年x月x日书山有路勤为径,学海无涯苦作舟页码:第5页共9页名称促销商品收货流程编号页码第1页共1页时间供应商/收货部营运部采购部信息部/财务部一天一天─子流程4:可销售赠品收货流程供应商送促销品到收货部收货部按收货标准验收促销商品,确认数量质量促销品入转入卖场或仓库确认后加盖公司的收货确认章节予以证明传入信息系统并录入库存部门下促销品订单下发促销品订单第6页共9页第5页共9页编号:时间:2021年x月x日书山有路勤为径,学海无涯苦作舟页码:第6页共9页名称可销售赠品收货流程编号页码第1页共1页时间供应商/收货部营运部防损部信息部/财务部一天一天子流程5:不可销售赠品收货流程收货部按收货标准验收赠品赠品收货单不贴流水号,供应商联不盖章传入信息系统并录入库存部门下赠品订单第7页共9页第6页共9页编号:时间:2021年x月x日书山有路勤为径,学海无涯苦作舟页码:第7页共9页名称不可销售赠品收...

1、当您付费下载文档后,您只拥有了使用权限,并不意味着购买了版权,文档只能用于自身使用,不得用于其他商业用途(如 [转卖]进行直接盈利或[编辑后售卖]进行间接盈利)。
2、本站所有内容均由合作方或网友上传,本站不对文档的完整性、权威性及其观点立场正确性做任何保证或承诺!文档内容仅供研究参考,付费前请自行鉴别。
3、如文档内容存在违规,或者侵犯商业秘密、侵犯著作权等,请点击“违规举报”。

碎片内容

超市收货流程

确认删除?
VIP
微信客服
  • 扫码咨询
会员Q群
  • 会员专属群点击这里加入QQ群
客服邮箱
回到顶部