电脑桌面
添加小米粒文库到电脑桌面
安装后可以在桌面快捷访问

模板安装与拆除施工方案VIP免费

模板安装与拆除施工方案_第1页
1/36
模板安装与拆除施工方案_第2页
2/36
模板安装与拆除施工方案_第3页
3/36
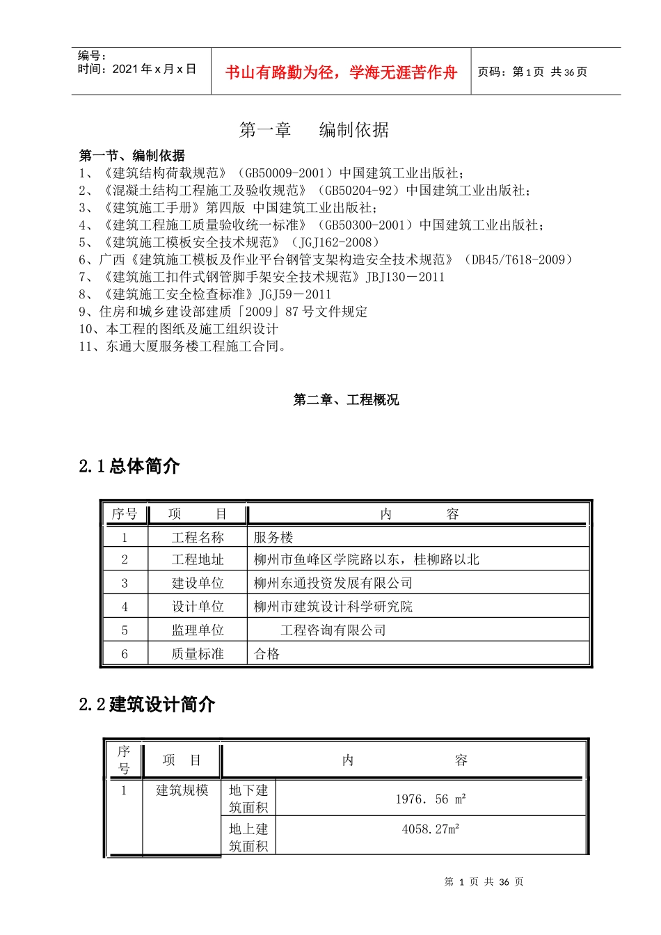
东通大厦南、北服务楼模板安装与拆除方案目录目录........................................................................................................1第一章、编制依据..................................................................................11.1编制依据……………………………………………………………..1第二章、工程概况………………………………………………………1第一节、简介…………………………………………………….1第三章、方案选择……………………………………………………..2第四章、梁板模板支撑体系的施工设计与搭设……………………..3第一节.支撑模板体系的施工设计……………………………………3第二节.模板体系的施工搭设…………………………………………3第三节.搭设作业注意事项……………………………………………7第四节.施工过程中的检查及验收……………………………………7第五章.模板拆除………………………………………………………8第一节.模板拆除的技术要求…………………………………………8第二节.模板拆除的安全要求…………………………………………9第六章.施工安全管理………………………………………………10第一节.安全管理人员安排..……………………………….…………10第二节.安全、环保文明施工措施……………………………………11第七章.模板技术措施…………………………………………………11第一节.进场院模板质量标准.……………..…………………………11第二节.模板安装质量要求……...……………………………………12-1-东通大厦南、北服务楼模板安装与拆除方案第三节.其他注意事项…………………………………………...……14第四节.脱模剂及模板堆放、维修……………………………...……15第八章.监测措施……………………………………………………..15第九章、模板施工应急救援预案..........................................................16第一节.高处坠落和物体打击事故应急救援预案…………………….16第二节.触电事故应急救援预案……………………………………….16第三节.机械伤害应急救援预案……………………………………….16第四节.模板.脚手架坍塌应急救援预案…………...………………….17第五节.消防事故应急救援预案…………...…………………….…….17第六节.项目部应急救援小组与责任……...…………………….…….18第十章、混凝土浇筑方案......................................................................19第一节.混凝土浇筑方案………………………………………………19第十一章、计算书…………………………………………………….20第一节柱模板计算书………………………………………………...20第二节梁木模板与支撑计算书…………………………………….24第三节扣件式钢管模板支撑计算书………………………………27第十二章、附图…………………………………………………………32-2-第1页共36页编号:时间:2021年x月x日书山有路勤为径,学海无涯苦作舟页码:第1页共36页第一章编制依据第一节、编制依据1、《建筑结构荷载规范》(GB50009-2001)中国建筑工业出版社;2、《混凝土结构工程施工及验收规范》(GB50204-92)中国建筑工业出版社;3、《建筑施工手册》第四版中国建筑工业出版社;4、《建筑工程施工质量验收统一标准》(GB50300-2001)中国建筑工业出版社;5、《建筑施工模板安全技术规范》(JGJ162-2008)6、广西《建筑施工模板及作业平台钢管支架构造安全技术规范》(DB45/T618-2009)7、《建筑施工扣件式钢管脚手架安全技术规范》JBJ130-20118、《建筑施工安全检查标准》JGJ59-20119、住房和城乡建设部建质「2009」87号文件规定10、本工程的图纸及施工组织设计11、东通大厦服务楼工程施工合同。第二章、工程概况2.1总体简介序号项目内容1工程名称服务楼2工程地址柳州市鱼峰区学院路以东,桂柳路以北3建设单位柳州东通投资发展有限公司4设计单位柳州市建筑设计科学研究院5监理单位工程咨询有限公司6质量标准合格2.2建筑设计简介序号项目内容1...

1、当您付费下载文档后,您只拥有了使用权限,并不意味着购买了版权,文档只能用于自身使用,不得用于其他商业用途(如 [转卖]进行直接盈利或[编辑后售卖]进行间接盈利)。
2、本站所有内容均由合作方或网友上传,本站不对文档的完整性、权威性及其观点立场正确性做任何保证或承诺!文档内容仅供研究参考,付费前请自行鉴别。
3、如文档内容存在违规,或者侵犯商业秘密、侵犯著作权等,请点击“违规举报”。

碎片内容

模板安装与拆除施工方案

确认删除?
VIP
微信客服
  • 扫码咨询
会员Q群
  • 会员专属群点击这里加入QQ群
客服邮箱
回到顶部