电脑桌面
添加小米粒文库到电脑桌面
安装后可以在桌面快捷访问

贵宾厢房服务员岗位操作流程VIP免费

贵宾厢房服务员岗位操作流程_第1页
1/6
贵宾厢房服务员岗位操作流程_第2页
2/6
贵宾厢房服务员岗位操作流程_第3页
3/6
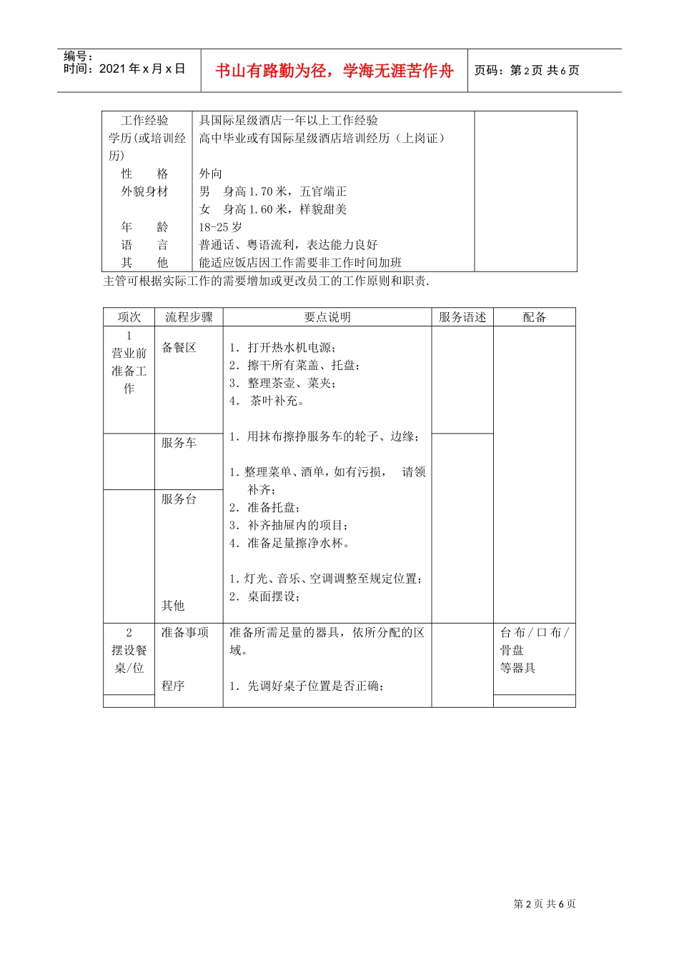
第1页共6页编号:时间:2021年x月x日书山有路勤为径,学海无涯苦作舟页码:第1页共6页贵宾厢房服务员岗位操作流程主要职责:以愉悦心情去完成标准化的服务工作,并执行上级所分配的日常工作。职位:贵宾厢房服务员级别:G工作时间:8小时/天工作区域:贵宾厢房工作关系:上司:贵宾厢房资深领班/领班下属:无工作大纲:1.营业前准备工作(铺设台布/口布折叠/备餐区之准备)2.摆充餐桌/位3.服务口布4.卸筷套5.服务小毛巾6.厢房服务7.服务酱料8.叫菜9.对菜职位名称:贵宾厢房服务员决策/问题的处理:(工作中遇到问题或突发事件,主管能独立决策或需请示上级给予正确方向)内容原则和限制1.客人投诉1.马上向上司反映汇报,予向客人道歉2.小费2.有礼貌谢绝客人任何形式给予的小费3.客人赠送遗留物品3.将物品上交上司予作汇报酒店内部工作项目与关系:(与酒店其他部门有直接工作联系需经常接触者)工作项目需要的信息信息来源1.菜式推介/销售1.菜牌/特别介绍餐单1.营业前简报会/中西餐部2.饭店各项服务推介2.饭店各项优惠政策2.餐饮部/客房部/娱乐部工作项目提供的信息信息接收1.客人意见收集1.客人对服务/食品的意见1.中西餐部/出品部2.菜单/点心单落单2.客人要求/份量/数量2.出品部酒店外部工作项目与关系:(需要接触的与工作有关的人际关系)工作项目交际目的1.本地客人/私营企业主1.提高上座率2.本地各酒店/酒楼从业人员2.提高饭店知名度工作职责规范–贵宾厢房服务员类别基本要求备注基本常识交际技巧1.餐饮类基本知识;2.识餐饮服务程序和良好服务意识;3.有上进心,有一定工作能力。待人诚恳,有礼貌,笑容甜美,保持愉快心情。第2页共6页编号:时间:2021年x月x日书山有路勤为径,学海无涯苦作舟页码:第2页共6页工作经验学历(或培训经历)性格外貌身材年龄语言其他具国际星级酒店一年以上工作经验高中毕业或有国际星级酒店培训经历(上岗证)外向男身高1.70米,五官端正女身高1.60米,样貌甜美18-25岁普通话、粤语流利,表达能力良好能适应饭店因工作需要非工作时间加班主管可根据实际工作的需要增加或更改员工的工作原则和职责.项次流程步骤要点说明服务语述配备1营业前准备工作备餐区1.打开热水机电源;2.擦干所有菜盖、托盘;3.整理茶壶、菜夹;4.茶叶补充。1.用抹布擦挣服务车的轮子、边缘;1.整理菜单、酒单,如有污损,请领补齐;2.准备托盘;3.补齐抽屉内的项目;4.准备足量擦净水杯。1.灯光、音乐、空调调整至规定位置;2.桌面摆设;服务车服务台其他2摆设餐桌/位准备事项程序准备所需足量的器具,依所分配的区域。1.先调好桌子位置是否正确;台布/口布/骨盘等器具第3页共6页编号:时间:2021年x月x日书山有路勤为径,学海无涯苦作舟页码:第3页共6页注意事项2.铺台布依标准作法;3.摆放干净之转盘于桌子中央;4.摆放骨盘、筷架、筷子、汤碗及汤更;5.摆酱油碟、毛巾碟;6.摆放口布;7.调好椅子至台布位置。1.餐椅干净要检查,是否有上一餐所滴到的油垢;2.餐位间隔要均等。3服务口布提起折好口布对折1.由客人右方拿起摆放于桌面的折好口布;2.侧身轻轻摊开口布。对折成三角形。摆放注意事项1.回身将口布摆置于客人之大腿上轻轻摆放,右手先进入;2.以此方法,再服务下位客人。1.千万不要伸手触摸客人之大腿或其他身体接触;2.动作不宜过大,如甩口布等;3.尽量只接触口布边缘。抱歉!4卸筷套取筷子拿出筷子摆回筷子注意事项侧身靠桌,由右侧用右手自客人餐位上拿取筷子。左手将筷套口向下倾倒,筷子由开口处慢慢划出,用右手接住筷子之粗头部位,顺势拿出筷子。将筷子摆置于筷架上细头部位向上,以此服务其它客人后微笑离开。1.不得接触筷子之细端部位;2.筷套须整齐回收。抱歉!谢谢!5服务小毛巾准备事项依所服务之客人人数至备餐区,将热/冷小毛巾用毛巾夹自保温箱内夹出,平整放进于毛巾篮内。毛巾篮/夹第4页共6页编号:时间:2021年x月x日书山有路勤为径,学海无涯苦作舟页码:第4页共6页服务小毛巾注意事项自客人左侧服务毛巾,用毛巾夹,夹起折好之热毛巾摆置于毛巾碟上,以此方法服务其他客人,微笑离去。动作迅速,宜保持毛巾之温度,如为第二...

1、当您付费下载文档后,您只拥有了使用权限,并不意味着购买了版权,文档只能用于自身使用,不得用于其他商业用途(如 [转卖]进行直接盈利或[编辑后售卖]进行间接盈利)。
2、本站所有内容均由合作方或网友上传,本站不对文档的完整性、权威性及其观点立场正确性做任何保证或承诺!文档内容仅供研究参考,付费前请自行鉴别。
3、如文档内容存在违规,或者侵犯商业秘密、侵犯著作权等,请点击“违规举报”。

碎片内容

贵宾厢房服务员岗位操作流程

您可能关注的文档

确认删除?
VIP
微信客服
  • 扫码咨询
会员Q群
  • 会员专属群点击这里加入QQ群
客服邮箱
回到顶部