电脑桌面
添加小米粒文库到电脑桌面
安装后可以在桌面快捷访问

桥承台墩身施工方案VIP免费

桥承台墩身施工方案_第1页
1/47
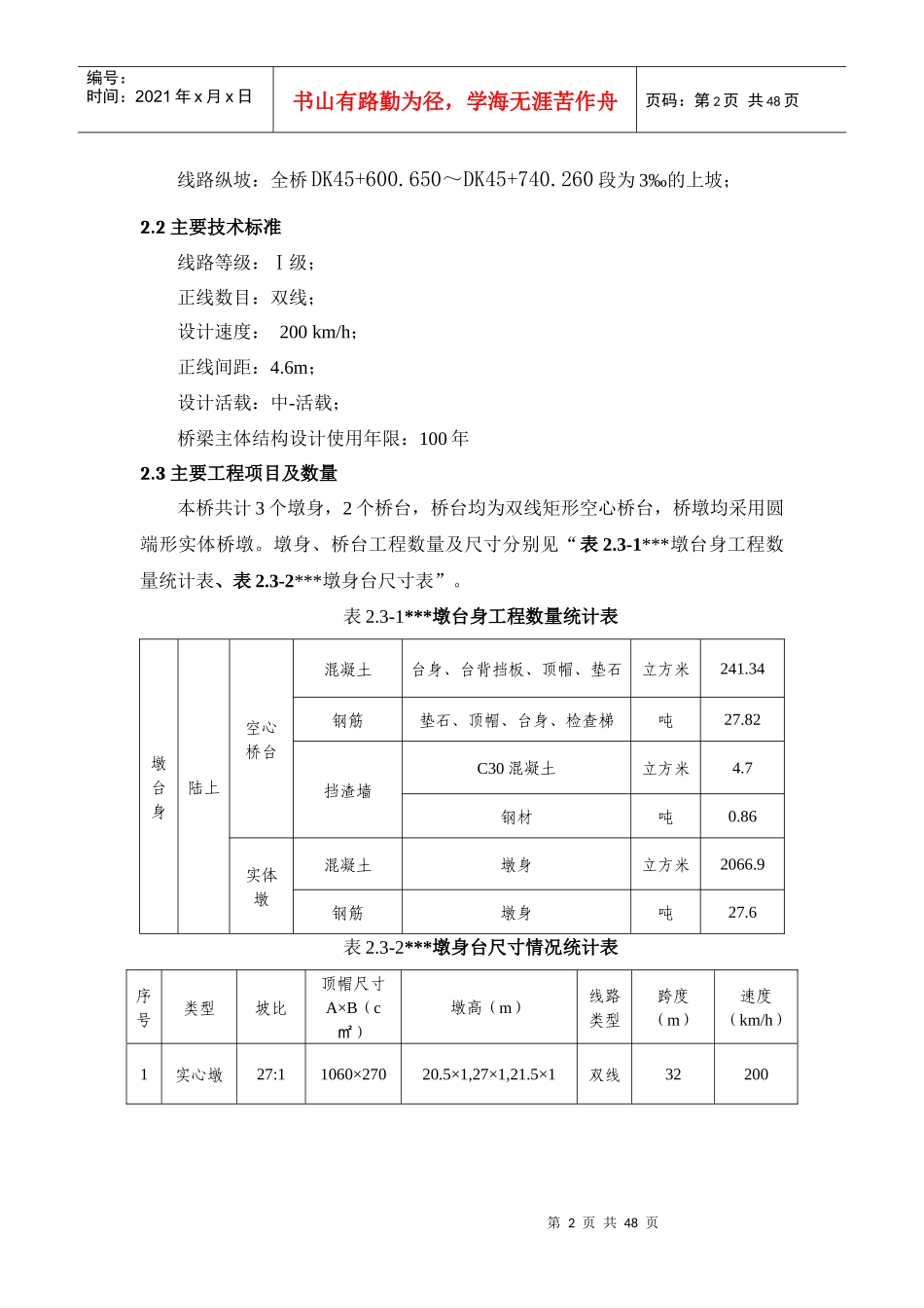
桥承台墩身施工方案_第2页
2/47
桥承台墩身施工方案_第3页
3/47
目录一、编制依据................................................................................................................1二、工程概况................................................................................................................12.1工程概况.........................................................................................................................................12.2主要技术标准.................................................................................................................................22.3主要工程项目及数量.....................................................................................................................2三、施工组织及安排....................................................................................................33.1施工组织机构.................................................................................................................................33.2队伍部署和任务划分.....................................................................................................................33.3主要施工技术力量配备.................................................................................................................33.4主要施工机械设备的配备.............................................................................................................43.5施工用水、电情况.........................................................................................................................4四、施工方法及工艺要求............................................................................................44.1承台施工工序及工艺流程.............................................................................................................44.2承台施工方法.................................................................................................................................54.3墩台施工基本思路.........................................................................................................................84.4测量放样.......................................................................................................................................104.5凿毛...............................................................................................................................................104.6脚手架施工...................................................................................................................................104.7劲性骨架安装...............................................................................................................................154.8钢筋制作与安装...........................................................................................................................184.9墩台身预埋件...............................................................................................................................214.10模板工程.....................................................................................................................................254.11混凝土浇筑..................................................................................................................................284.12混凝土养护...............................................................................................................

1、当您付费下载文档后,您只拥有了使用权限,并不意味着购买了版权,文档只能用于自身使用,不得用于其他商业用途(如 [转卖]进行直接盈利或[编辑后售卖]进行间接盈利)。
2、本站所有内容均由合作方或网友上传,本站不对文档的完整性、权威性及其观点立场正确性做任何保证或承诺!文档内容仅供研究参考,付费前请自行鉴别。
3、如文档内容存在违规,或者侵犯商业秘密、侵犯著作权等,请点击“违规举报”。

碎片内容

桥承台墩身施工方案

确认删除?
VIP
微信客服
  • 扫码咨询
会员Q群
  • 会员专属群点击这里加入QQ群
客服邮箱
回到顶部