电脑桌面
添加小米粒文库到电脑桌面
安装后可以在桌面快捷访问

高层施工电梯施工方案XXXX-86-6VIP免费

高层施工电梯施工方案XXXX-86-6_第1页
1/31
高层施工电梯施工方案XXXX-86-6_第2页
2/31
高层施工电梯施工方案XXXX-86-6_第3页
3/31
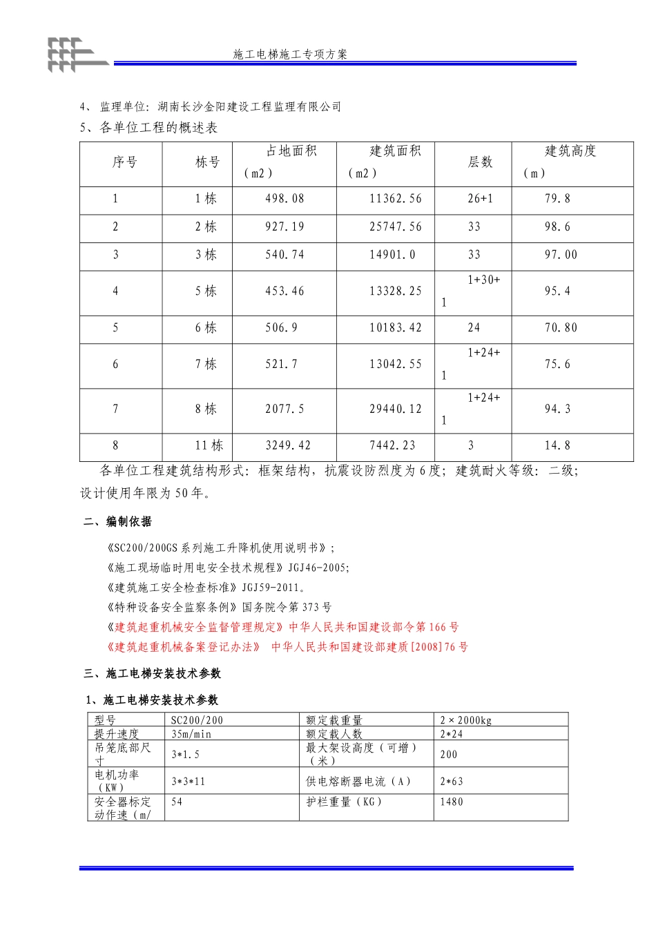
施工电梯施工专项方案一、工程概况...........................................2二、编制依据............................................2三、施工电梯安装技术参数................................3四、安装前的准备工作....................................3五、安装程序............................................4六、安装工艺............................................5七、安全通道、安全防护棚防护...........................12八、安全措施及安全管理.................................13九、施工电梯安装应急预案...............................15十、施工电梯使用.......................................19十一、施工电梯拆卸.....................................26十二、施工电梯基础安全验算.............................27十三、附图及附表......................................31一、工程概况1、工程建设地点:岳麓大道与延农路交叉西南角;属于框架结构。2、建设单位:长沙礼盛房地产开发有限公司3、设计单位:湖南省建筑科学研究院施工电梯施工专项方案4、监理单位:湖南长沙金阳建设工程监理有限公司5、各单位工程的概述表序号栋号占地面积(m2)建筑面积(m2)层数建筑高度(m)11栋498.0811362.5626+179.822栋927.1925747.563398.633栋540.7414901.03397.0045栋453.4613328.251+30+195.456栋506.910183.422470.8067栋521.713042.551+24+175.678栋2077.529440.121+24+194.3811栋3249.427442.23314.8各单位工程建筑结构形式:框架结构,抗震设防烈度为6度;建筑耐火等级:二级;设计使用年限为50年。二、编制依据《SC200/200GS系列施工升降机使用说明书》;《施工现场临时用电安全技术规程》JGJ46-2005;《建筑施工安全检查标准》JGJ59-2011。《特种设备安全监察条例》国务院令第373号《建筑起重机械安全监督管理规定》中华人民共和国建设部令第166号《建筑起重机械备案登记办法》中华人民共和国建设部建质[2008]76号三、施工电梯安装技术参数1、施工电梯安装技术参数型号SC200/200额定载重量2×2000kg提升速度35m/min额定载人数2*24吊笼底部尺寸3*1.5最大架设高度(可增)(米)200电机功率(KW)3*3*11供电熔断器电流(A)2*63安全器标定动作速(m/54护栏重量(KG)1480施工电梯施工专项方案min)吊笼重量(KG)2*1800标准节长度(mm)1508标准节重量(KG)175标准节截面尺寸(mm)800*800说明:1、施工电梯附墙架安装最大间距9m,不得超过此间距安装。2、施工电梯分布情况序号栋号数量(台)型号11栋1SC200/20022栋1SC200/20033栋1SC200/20045栋1SC200/20056栋1SC200/20067栋1SC200/20078栋1SC200/200四、安装前的准备工作1、人员准备为保证安拆工作安全顺利进行,特成立安拆领导小组,并对相关人员进行技术、安全交底。组长:胡思远;副组长:杨捷、康初才;安全管理:康盈华康吉球;技术负责:周亮。2、部件检查对各零部件进行检查,发现部件在运输、贮藏、装卸过程中受到损伤的,必须进行更换,电梯要进行维修,保养,恢复电梯的良好性能并将导轨井架的插口,连接螺栓清除锈皮,适量涂抹润滑油,准备好各种安装工具。3、施工电梯基础施工程序:电梯基础施工包括预埋件施工(3天)→混凝土强度满足安装要求(7天)→施工电梯安装(4天/台)→自检合格(1天)→报长沙市特检院检测防雷、防坠器等电梯性能(7天~15天)→合格后发回执(检测当天)→特检院发放证书(20天)→安监站进行使用登记,同意现场使用(3天)。2.3增加标准节的频率和时间:施工电梯根据主体结构一次性提升到能到达楼层,并随主体结构进度随层向上安装;正常工施工电梯施工专项方案况下安装频率根据现场施工进度而定,每次加节时间为一天。4、施工电梯位置外架搭设根据本工程中结构特点及现场施工情况,施工电梯位置外架需与主体结构外架分离独立搭设;另外根据施工电梯与主体结构的位置(见附图施工电梯定位图),施工电梯处的外架需搭设三排立杆,并加设剪刀撑进行加固;悬挑外架在工字钢端部进行双钢丝绳加固卸荷,见后施工电梯位置外架搭设附图所示。4、其他准...

1、当您付费下载文档后,您只拥有了使用权限,并不意味着购买了版权,文档只能用于自身使用,不得用于其他商业用途(如 [转卖]进行直接盈利或[编辑后售卖]进行间接盈利)。
2、本站所有内容均由合作方或网友上传,本站不对文档的完整性、权威性及其观点立场正确性做任何保证或承诺!文档内容仅供研究参考,付费前请自行鉴别。
3、如文档内容存在违规,或者侵犯商业秘密、侵犯著作权等,请点击“违规举报”。

碎片内容

高层施工电梯施工方案XXXX-86-6

您可能关注的文档

确认删除?
VIP
微信客服
  • 扫码咨询
会员Q群
  • 会员专属群点击这里加入QQ群
客服邮箱
回到顶部