电脑桌面
添加小米粒文库到电脑桌面
安装后可以在桌面快捷访问

综合办公楼土方工程施工方案VIP专享VIP免费

综合办公楼土方工程施工方案_第1页
1/8
综合办公楼土方工程施工方案_第2页
2/8
综合办公楼土方工程施工方案_第3页
3/8
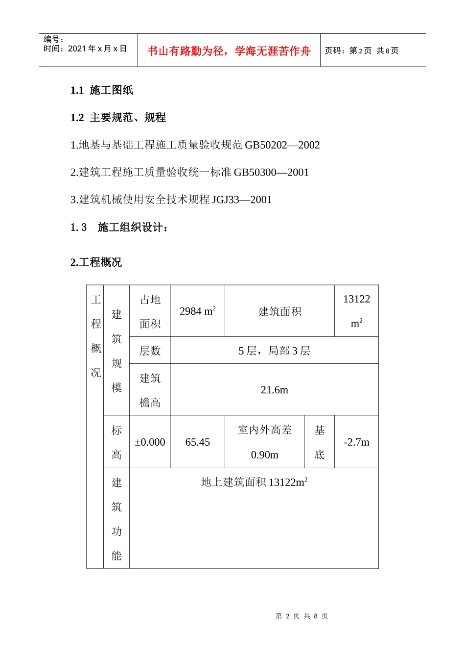
第1页共8页编号:时间:2021年x月x日书山有路勤为径,学海无涯苦作舟页码:第1页共8页1.编制依据序号图纸名称日期1招标文件2土石方开挖技术资料3施工图纸4施工现场周边地下管线位置图5地质勘查报告主要规程、规范及标准类别名称编号国家《建筑工程施工质量验收同意标准》GB50300-2001《建筑地基基础工程施工质量验收规范》GB50202-2002《建筑地基基础设计规程》GB50007-2002《工程测量规范》GB50026-93《建筑边坡工程技术规范》GB50330-2002《建筑地基处理技术规范》JGJ79-2002《建筑基坑支护技术规程》JGJ120-99《建筑机械使用安全技术规程》JGJ33-2001第2页共8页第1页共8页编号:时间:2021年x月x日书山有路勤为径,学海无涯苦作舟页码:第2页共8页1.1施工图纸1.2主要规范、规程1.地基与基础工程施工质量验收规范GB50202—20022.建筑工程施工质量验收统一标准GB50300—20013.建筑机械使用安全技术规程JGJ33—20011.3施工组织设计:2.工程概况工程概况建筑规模占地面积2984m2建筑面积13122m2层数5层,局部3层建筑檐高21.6m标高±0.00065.45室内外高差0.90m基底-2.7m建筑功能地上建筑面积13122m2第3页共8页第2页共8页编号:时间:2021年x月x日书山有路勤为径,学海无涯苦作舟页码:第3页共8页结构类型框架基础形式独立柱基础根据现场场地及施工安排,基坑四周均采用放坡,坡度为1∶0.75,边坡采用自然放坡。土方开挖采用机械大开挖,人工配合清除基底预留土层。机械挖土方量4480m³,人工挖土方量895m33.施工部署根据降水观测情况,满足开挖条件后,开始按由西向东的行走方向开挖。采用二台WY160型反铲挖土机,5辆翻斗运土车,具体步骤如下:测量放线→基坑开挖→放桩位线→CFG桩施工→剔除桩头→桩头及土方外运→褥垫层挖土→褥垫层施工4.操作工艺第4页共8页第3页共8页编号:时间:2021年x月x日书山有路勤为径,学海无涯苦作舟页码:第4页共8页4.1土方开挖工程4.1.1将甲方给定的建筑标高引测入厂区内,引测位置应无车辆通行,并保证不被扰动。本工程采用全站仪将建筑物的控制桩已引测到建筑物外围3m处。并用混凝土浇筑,防止被破坏;用白灰洒出轴线及独立基坑的位置,标高点由给定的控制点引测到建筑物外围的电线杆上,并在建筑物内南北向每75m设置临时标高点,以用于控制挖土深度。4.1.2本工程采用反铲式挖掘机与人工相配合的方式进行基坑开挖,挖掘机2台,预留人工清理厚度200mm。开挖方向由二区(北侧)和三区(北侧)开始向南推进,南北向完成后,两台机械同时向一区相向开挖。设专人用水准仪进行挖土深度控制,随挖随测,同时对基坑外边线随挖随修,确保基坑一次成型,避免超挖与二次挖土。人工挖土时,应设专人指挥,使用铁锹逐一清理,同时用水准仪检测标高。土方开挖过程中,要加强对边坡的监测,若边坡桩出现异常变形时,立即停止开挖,并采取措施;对边坡进行加固,基坑开挖出的土方堆在基坑四个角处,避免将轴线掩埋,保证轴线间的通视;基坑开挖至设计标高后通知监理单位检查槽底标高。4.1.3在基础槽底按设计图纸的桩位布置图放线,进行CFG桩施工。4.1.4CFG桩施工完成后将剔凿下的桩头和余土外运。4.1.5余土外运后按桩位向两边各增加500mm人工挖褥垫层土方或第5页共8页第4页共8页编号:时间:2021年x月x日书山有路勤为径,学海无涯苦作舟页码:第5页共8页用小钩机挖褥垫层土方,因褥垫层土方较少,不在外运,直接放置在槽底取平。5.土方开挖工程质量验收标准项次项目允许偏差(mm)检验方法1标高+0用水平仪检查2长度、宽度-50用经纬仪、拉线和尺量检查3边坡偏陡不允许观察或用坡度尺检查6.成品保护6.1对定位标准桩、轴线引桩、标准水准点等,在挖土时不得碰撞,也不得坐在控制桩上的休息。并经常测量和校核其平面位置、水平标高和边坡坡度。定位标准桩和标准水准点,也要定期复测检查。6.2施工中发现有文物或古墓等,应妥善保护,并应立即报请当地有关部门处理后,方可继续施工。如发现有测量用的永久性标桩或地质、地震部门设置的长期观测点等,应加以保护。在敷设地上或地下管道、电缆的地段进行土方施工时,应事先取得有关管理部门的书面同意,施工方应进行自行检...

1、当您付费下载文档后,您只拥有了使用权限,并不意味着购买了版权,文档只能用于自身使用,不得用于其他商业用途(如 [转卖]进行直接盈利或[编辑后售卖]进行间接盈利)。
2、本站所有内容均由合作方或网友上传,本站不对文档的完整性、权威性及其观点立场正确性做任何保证或承诺!文档内容仅供研究参考,付费前请自行鉴别。
3、如文档内容存在违规,或者侵犯商业秘密、侵犯著作权等,请点击“违规举报”。

碎片内容

综合办公楼土方工程施工方案

确认删除?
VIP
微信客服
  • 扫码咨询
会员Q群
  • 会员专属群点击这里加入QQ群
客服邮箱
回到顶部