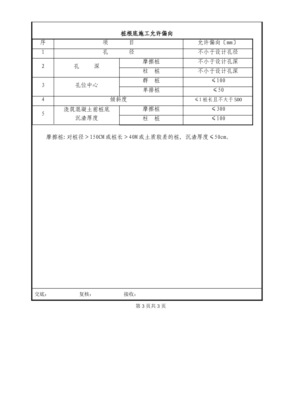
电脑桌面
添加小米粒文库到电脑桌面
安装后可以在桌面快捷访问

桩基水下混凝土施工技术交底VIP免费

桩基水下混凝土施工技术交底_第1页
1/3
桩基水下混凝土施工技术交底_第2页
2/3
桩基水下混凝土施工技术交底_第3页
3/3
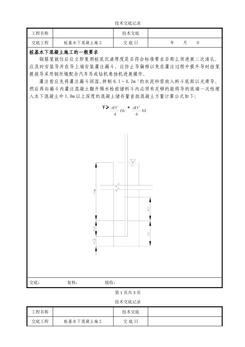
技术交底记录工程名称技术交底交底工程桩基水下混凝土施工交底日年月日桩基水下混凝土施工的一般要求钢筋笼就位后应立即复测桩底沉渣厚度是否符合标准要求否那么须进展二次清孔。应及时安装导并在导上端安装灌注漏斗。应防止导偏移以免在灌注过程中提升导时挂笼提拔导采用钢丝绳配合汽车吊或钻机卷扬机进展操作。灌注前应先将灌注漏斗润湿,拌制0.1~0.2m3的水泥砂浆放入料斗底部以光滑导。然后再向漏斗内灌注混凝土翻开隔水栓前储料斗内必须有足够的能将导的底端一次性埋入水下混凝土中1.0m以上深度的混凝土储存量首批混凝土方量计算公式如下:V≥+交底:复核:接收:第1页共3页技术交底记录工程名称技术交底交底工程桩基水下混凝土施工交底日V—首批混凝土所需数量〔m3〕;h1—井孔混凝土面高度到达Hc时导内混凝土柱需要的高度〔m〕h1≥γwHw/γcHc—灌注首批混凝土时所需井孔内混凝土面至孔底高度〔m〕Hc=h2+h3;Hw—井孔内混凝土面以上水或泥浆深度〔m〕;D—井孔直径〔m〕;d—导内径〔m〕;h2—导初次埋置深度h2≥1.0m;h3—导底端至钻孔底间隙约0.4m;γw—井孔内水或泥浆的容重〔kN/m3〕;γc—混凝土拌和物的容重〔kN/m3〕当料斗小时用罐车加满料斗用吊车或钻机副卷扬拉了隔水板料斗内混凝土开场下放时罐车加油快速向料斗内送料以满足初注量的。砼在重力作用下下沉至孔底排开泥浆埋住导口完成封底。首批混凝土灌注正常后混凝土灌注应连续进展不能停顿中途停歇时间不得超过15分钟。灌注过程中注意观察内混凝土面下降及孔内水面升降情况及时测量孔内混凝土面高度。随着混凝土的上升应及时提升和拆卸导导底端埋入混凝土面以下一般要保持2-4m不宜大于6m并不得小于2m严禁把导底端提出混凝土面防止造成断桩。在水下混凝土灌注过程中每灌一车应测量导埋深填写水下混凝土灌注记录。同时对灌注过程中的一切故障情况均要如实记录在案。假设浇筑过程中当因导漏水或拔出混凝土面、机械故障、操作失误或其他原因造成断桩事故时应立即停顿灌注视详细情况予以重钻或会同有关研究补救措施。最后灌注高度应高于设计标高0.5m~1.0m。要及时计算混凝土需用量〔包括桩头局部〕,最后一车应提早拌合站防止混凝土的浪费接近孔口要保持导埋深不小于4米灌注完毕时应全部缓慢提出保证桩顶混凝土的实。交底:复核:接收:第2页共3页技术交底记录工程名称技术交底交底工程桩基施工允许偏向交底日年月日桩根底施工允许偏向序项目允许偏向〔mm〕1孔径不小于设计孔径2孔深摩擦桩不小于设计孔深柱桩不小于设计孔深3孔位中心群桩≤100单排桩≤504倾斜度≤1桩长且不大于5005浇筑混凝土前桩底沉渣厚度摩擦桩≤300柱桩≤100摩擦桩:对桩径>150CM或桩长>40M或土质较差的桩,沉渣厚度≤50cm。交底:复核:接收:第3页共3页

1、当您付费下载文档后,您只拥有了使用权限,并不意味着购买了版权,文档只能用于自身使用,不得用于其他商业用途(如 [转卖]进行直接盈利或[编辑后售卖]进行间接盈利)。
2、本站所有内容均由合作方或网友上传,本站不对文档的完整性、权威性及其观点立场正确性做任何保证或承诺!文档内容仅供研究参考,付费前请自行鉴别。
3、如文档内容存在违规,或者侵犯商业秘密、侵犯著作权等,请点击“违规举报”。

碎片内容

桩基水下混凝土施工技术交底

确认删除?
VIP
微信客服
  • 扫码咨询
会员Q群
  • 会员专属群点击这里加入QQ群
客服邮箱
回到顶部