电脑桌面
添加小米粒文库到电脑桌面
安装后可以在桌面快捷访问

光电子器件的新的鉴定方法VIP免费

光电子器件的新的鉴定方法_第1页
1/7
光电子器件的新的鉴定方法_第2页
2/7
光电子器件的新的鉴定方法_第3页
3/7
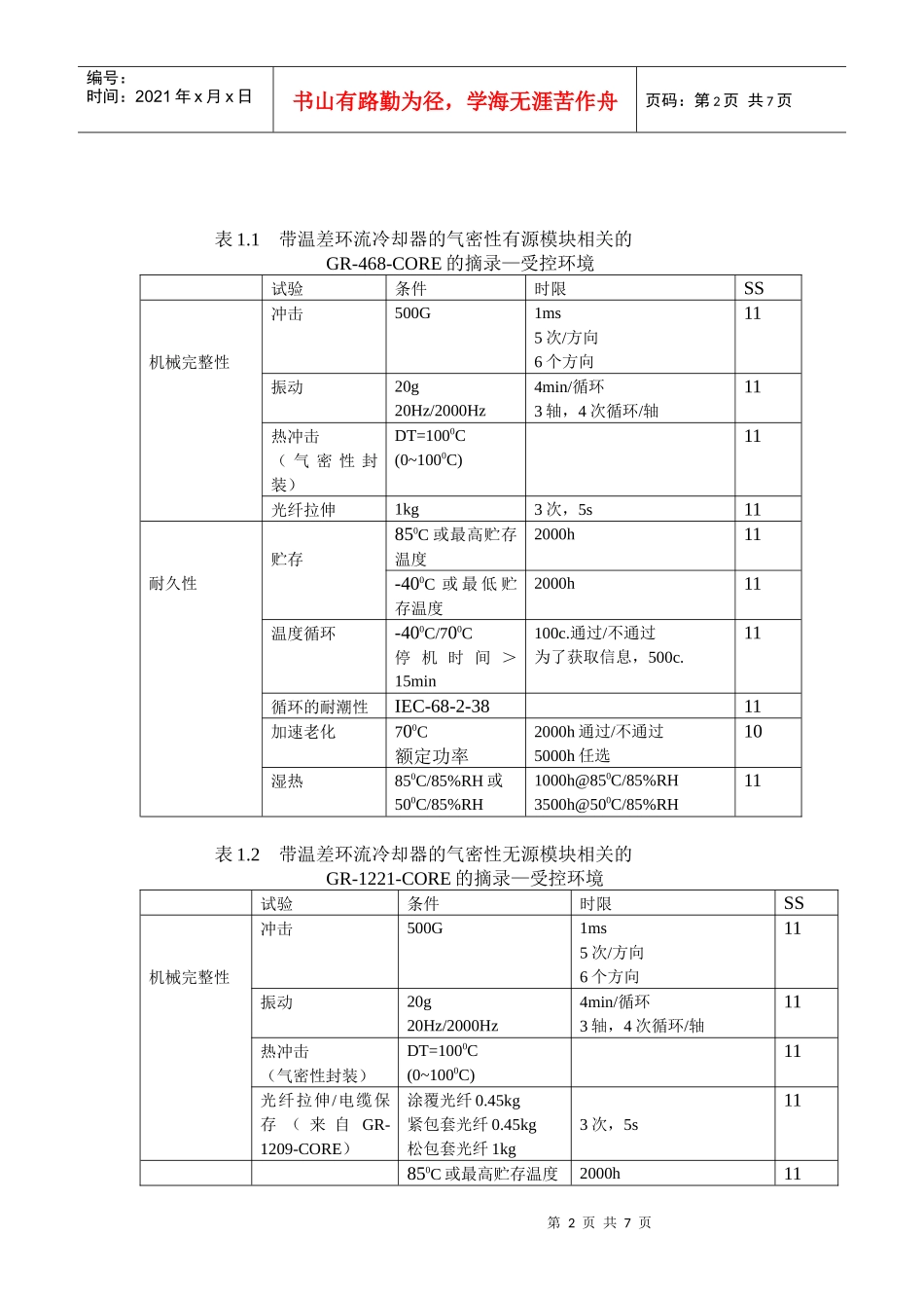
第1页共7页编号:时间:2021年x月x日书山有路勤为径,学海无涯苦作舟页码:第1页共7页光电子器件的新鉴定方法1.引言光通信的发展已大大增加了诸如发生器、接收器和光学放大器之类的光电子器件的用量。这些器件在该领域中的用量的增长是供应商掌握在工业规模内制造的能力和论证器件可用于复杂海底或陆地通信系统的可靠性水平的能力的结果。就微电子学而论,光电子器件的可靠性取决于产品的设计与制造工艺。但是,由于鉴定光电子器件的可靠性是最近的工作,与微电子器件相比,其背景还比较薄弱。光电子器件包括光学、电子、热与机械部件,它们会产生影响可靠性评估的特殊问题。失效机理的典型光学特征是通过阈值或驱动电流的漂移、DWDM应用的波长和耦合参数来监控的。电子元件的失效与元件本身的健壮性有关,但与组装技术的关系更大,例如,虚焊和分层。热劣化主要受到帕尔帖(Peltier)冷却元件的机械健壮性的驱动。最后,必须考虑机械方面,以防止诸如谐振和腐蚀之类的特殊问题的发生。研究这样的现象需要大量专用设备和各类对信息交换很熟练的人员,以便把横向连接的失效机理考虑进去。有时候,如气候试验箱那样的电子元件用标准鉴定设备适用于光电子器件。但对于如老练那样的特定试验来说,常在厂内研制的专用设备也是需要的。对于测量工具来说,情况会更加严峻,因为几乎没有商用设备适用于激光芯片、模块和光纤放大器的全面表征。诸如DWDM应用的频谱稳定性之类的参数监控需要合适的计量方法,同时用统计过程控制图来保证高再生性/重复性测量(±5pm波长精度是需要的,±2pm是必须达到的数值)。直到今天,鉴定方法和客户需求还是完全受到可靠性要求的驱动。正如下面章节所讨论的那样,这种方法给出了令人满意的但还存在问题的结果。鉴定惯例必须遵循其发展规律,以满足客户的要求,同时要保持元件制造商的创新能力和竞争力。2.可靠性标准:很有帮助对于制造商和客户来说,可靠性标准(IEC)或建议(Telcordia)提供了很大的帮助:首先,对于制造商来说,它们是导则,这些导则描述所有试验方法、时限、通过/不通过判据,并参考试验方法,然后使之变得适用。此外,这些导则还清楚地描述了质量规则和可靠性管理。许多不同的要点都被包括在内:功能度与测量方法、输入检验与生产控制、毒性、安全性、腐蚀与可燃性。试验栅格(testgrid)一般是以试验为基础的,这些试验的目的是通过施加热或机械应力来给出标准的健壮水平。下面表格给出了标准接收试验的两个实例,这些实例与激光模块和光学无源器件的可靠性试验有关。第2页共7页第1页共7页编号:时间:2021年x月x日书山有路勤为径,学海无涯苦作舟页码:第2页共7页表1.1带温差环流冷却器的气密性有源模块相关的GR-468-CORE的摘录—受控环境试验条件时限SS机械完整性冲击500G1ms5次/方向6个方向11振动20g20Hz/2000Hz4min/循环3轴,4次循环/轴11热冲击(气密性封装)DT=1000C(0~1000C)11光纤拉伸1kg3次,5s11耐久性贮存850C或最高贮存温度2000h11-400C或最低贮存温度2000h11温度循环-400C/700C停机时间>15min100c.通过/不通过为了获取信息,500c.11循环的耐潮性IEC-68-2-3811加速老化700C额定功率2000h通过/不通过5000h任选10湿热850C/85%RH或500C/85%RH1000h@850C/85%RH3500h@500C/85%RH11表1.2带温差环流冷却器的气密性无源模块相关的GR-1221-CORE的摘录—受控环境试验条件时限SS机械完整性冲击500G1ms5次/方向6个方向11振动20g20Hz/2000Hz4min/循环3轴,4次循环/轴11热冲击(气密性封装)DT=1000C(0~1000C)11光纤拉伸/电缆保存(来自GR-1209-CORE)涂覆光纤0.45kg紧包套光纤0.45kg松包套光纤1kg3次,5s11850C或最高贮存温度2000h11第3页共7页第2页共7页编号:时间:2021年x月x日书山有路勤为径,学海无涯苦作舟页码:第3页共7页耐久性贮存-400C或最低贮存温度2000h11温度循环-400C/700C停机时间>15min100c.通过/不通过为获取信息,500c.11循环的耐潮性IEC-68-2-3811湿热(气密性封装)750C/90%RH或850C/85%RH100h通过/不通过为获得信息,500h11湿热(非气密性封装)750C/90%RH或850C/85%RH500h通过/不通过为获得信息,2000h11...

1、当您付费下载文档后,您只拥有了使用权限,并不意味着购买了版权,文档只能用于自身使用,不得用于其他商业用途(如 [转卖]进行直接盈利或[编辑后售卖]进行间接盈利)。
2、本站所有内容均由合作方或网友上传,本站不对文档的完整性、权威性及其观点立场正确性做任何保证或承诺!文档内容仅供研究参考,付费前请自行鉴别。
3、如文档内容存在违规,或者侵犯商业秘密、侵犯著作权等,请点击“违规举报”。

碎片内容

光电子器件的新的鉴定方法

您可能关注的文档

精华资料店+ 关注
实名认证
内容提供者

大量教育教学资料

相关文档

确认删除?
VIP
微信客服
  • 扫码咨询
会员Q群
  • 会员专属群点击这里加入QQ群
客服邮箱
回到顶部