电脑桌面
添加小米粒文库到电脑桌面
安装后可以在桌面快捷访问

公路桥梁工程检测方案(DOC59页)VIP免费

公路桥梁工程检测方案(DOC59页)_第1页
1/40
公路桥梁工程检测方案(DOC59页)_第2页
2/40
公路桥梁工程检测方案(DOC59页)_第3页
3/40
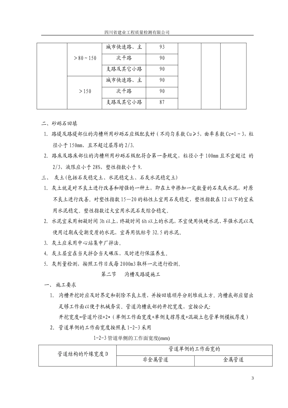
四川省建业工程质量检测有限公司道路桥梁工程检测方案总则1、为加强城镇道路施工技术管理,规范施工要求,统一施工质量检验及验收标准,提高工程质量,制定本方案。2、本规范适用于城镇公路、停车场等工程和大、中型维修工程的施工和质量检验。。3、原材料、半成品或成品的质量标准,凡本规范有规定者,应按照执行;无规定者,应按国家现行的有关标准执行。4、施工中应严格按照本方案执行,未涉及的内容按照国家相关标准及设计文件执行。第一章路基工程第一节路基填料1四川省建业工程质量检测有限公司一、路基填料的要求1.填方前应将地面积水、积雪(冰)和冻土层、生活垃圾等清除干净。2.填方材料的强度(CBR)值应符合设计要求,其最小强度应符合1-1-1规定。不得使用淤泥、沼泽土、泥炭土、冻土、有机土以及含生活垃圾的土做路基填料。对液限大于50、塑性指数大于26、可溶盐含量大于5%、700℃有机质烧失量大于8%的土,未经技术处理不得作路基填料。1-1-1路基填料强度(CBR)的最小值填方类型路床顶面以下深度(cm)最小强度(%)填料最大粒径(mm)城市快速路、主干路其他等级道路路床0—308.06.0100路基30—805.04.0100路基80—1504.03.01508.0大于1503.02.01503.路基施工前,应将现状地面上的积水排除、疏干,将树根坑、井穴、坟坑等进行技术处理,并将地面大致整平。4.遇有翻浆,必须采取处理措施。当采用石灰土处理翻浆时,土壤宜就地取材。5.填方中使用房渣土、工业废渣等需经过试验,确认可靠并经建设单位、设计单位同意后方可使用。6.不同性质的土应分类、分层填筑,不得混填,填土中大于10cm的土块应打碎或剔除。7.路基填土中断时,应对已填路基表面土层压实并进行维护。8.路基压实度应符合表1-1-2的规定。1-1-2路基压实度标准填挖类型路床顶面以下深度(cm)道路类别压实度(%)(重型击实)检验频率检验方法范围点数挖方0~30城市快速路、主干路951000m2每层1组(3点)细粒土用环刀法,粗粒土用灌水法或灌砂法次干路93支路及其它小路90填方0~80城市快速路、主干路95次干路93支路及其它小路902四川省建业工程质量检测有限公司>80~150城市快速路、主干路93次干路90支路及其它小路90>150城市快速路、主干路90次干路90支路及其它小路87二、砂砾石回填1.路堤及路堤部位的沟槽所用砂砾石应级配良好(不均匀系数Cu≥5,曲率系数Cc=1~3,粒径小于150mm,且不超过层厚的2/3.2.路床及路床部位的沟槽所用砂砾石级配符合第一条规定,粒径小于100mm且不宜超过的2/3,液限应小于28%,塑性指数小于9.三、灰土(包括石灰稳定土、水泥稳定土、石灰水泥稳定土)1.灰土就是对不良土进行改善和增强的一种土,即在土中掺加一定数量的石灰或水泥,对原不良土进行改善。对塑性指数15—20的粘性土宜用石灰稳定,塑性指数在12以下的宜采用水泥稳定。塑性指数过大宜用水泥石灰综合稳定。2.水泥宜采用初凝时间3h以上,终凝时间6h以上的水泥,不宜使用快硬水泥、早强水泥以及使用过期或受潮变质的水泥,宜再用低标号32.5的水泥。3.灰土应采用中心站集中厂拌法。4.灰土层宜在当天拌合当天碾压,及时进行保温养生。5.灰剂量检测,按照工作日或每2000m3取样一次进行检测。第二节沟槽及路堤施工一、施工要求1.沟槽开挖时应及时界定和剔除不良土质,并按回填顺序分别堆放土方。沟槽底部应留出足够工作面以便于机械夯实。管道沟槽底部的开挖宽度,宜按公式:开挖宽度=管道外径+2*(单侧工作面宽度+单侧支撑厚度+混凝土包管单侧模板厚度)2.管道单侧的工作面宽度按照表1-2-3采用1-2-3管道单侧的工作面宽度(mm)管道结构的外缘宽度D管道单侧的工作面宽的非金属管道金属管道3四川省建业工程质量检测有限公司D≤500400300500<D≤10005004001000<D≤15006006001500<D≤3000800800承插管道安装应按照相关要求使用铁葫芦、千斤顶或卷扬机等专用设备进行,严禁使用挖掘机直接顶管,避免损坏排水管。管道安装完毕后,应按要求进行闭水试验,具体要求按设计及《给排水管道工程施工及验收规范》GB50268-2008要求执行。3.沟槽及路堤回填工作开始前,施工单位应在建设单位、监理单位和中心试验室的见证下,针对不同...

1、当您付费下载文档后,您只拥有了使用权限,并不意味着购买了版权,文档只能用于自身使用,不得用于其他商业用途(如 [转卖]进行直接盈利或[编辑后售卖]进行间接盈利)。
2、本站所有内容均由合作方或网友上传,本站不对文档的完整性、权威性及其观点立场正确性做任何保证或承诺!文档内容仅供研究参考,付费前请自行鉴别。
3、如文档内容存在违规,或者侵犯商业秘密、侵犯著作权等,请点击“违规举报”。

碎片内容

公路桥梁工程检测方案(DOC59页)

确认删除?
VIP
微信客服
  • 扫码咨询
会员Q群
  • 会员专属群点击这里加入QQ群
客服邮箱
回到顶部