电脑桌面
添加小米粒文库到电脑桌面
安装后可以在桌面快捷访问

乘用车燃料消耗量(第一批)VIP免费

乘用车燃料消耗量(第一批)_第1页
1/17
乘用车燃料消耗量(第一批)_第2页
2/17
乘用车燃料消耗量(第一批)_第3页
3/17
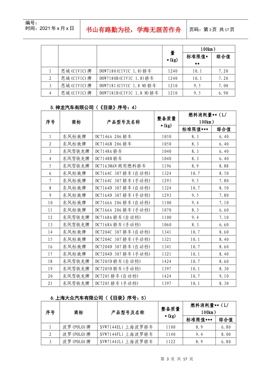
第1页共17页编号:时间:2021年x月x日书山有路勤为径,学海无涯苦作舟页码:第1页共17页附件:乘用车燃料消耗量(第一批)1.中国第一汽车集团公司(《目录》序号:1)序号商标产品型号及名称整备质量*(kg)燃料消耗量**(L/100km)标准限值***综合值1红旗牌CA7180G4轿车136010.17.912马自达牌CA7201AT轿车142710.77.913马自达牌CA7201MT轿车138610.17.784红旗牌CA7204AT2轿车146011.38.395红旗牌CA7204AT轿车146011.38.396马自达牌CA7231AT轿车143711.38.037马自达牌CA7232AT轿车144411.38.038马自达牌CA7232MT轿车141210.18.959马自达牌CA7233AT轿车145811.38.0310红旗牌CA7234AT2轿车147011.38.2711红旗牌CA7234AT轿车147011.38.2712红旗牌CA7300N轿车173012.69.8113红旗牌CA7430N轿车177513.110.902.一汽-大众汽车有限公司(《目录》序号:2)序号商标产品型号及名称整备质量*(kg)燃料消耗量**(L/100km)标准限值***综合值1宝来(BORA)牌FV7162FATE轿车131010.19.072宝来(BORA)牌FV7162FAT轿车131010.19.023宝来(BORA)牌FV7162FE轿车12809.58.144宝来(BORA)牌FV7162F轿车12809.58.005宝来(BORA)牌FV7162SATE轿车130010.19.026宝来(BORA)牌FV7162SAT轿车130010.19.027宝来(BORA)牌FV7162SE轿车12709.58.008宝来(BORA)牌FV7162S轿车12709.58.009速腾(SAGITAR)牌FV7166AT轿车137910.78.6110速腾(SAGITAR)牌FV7166轿车135310.17.9911宝来(BORA)牌FV7182FAT轿车134010.78.73第2页共17页第1页共17页编号:时间:2021年x月x日书山有路勤为径,学海无涯苦作舟页码:第2页共17页序号商标产品型号及名称整备质量*(kg)燃料消耗量**(L/100km)标准限值***综合值12宝来(BORA)牌FV7182F轿车13109.57.7913宝来(BORA)牌FV7182SAT轿车133010.79.0814宝来(BORA)牌FV7182S轿车13009.58.3715奥迪(AUDI)牌FV7183TFCVTE轿车147011.39.3016奥迪(AUDI)牌FV7183TFCVT轿车147011.39.3017奥迪(AUDI)牌FV7183TFE轿车143010.78.9018奥迪(AUDI)牌FV7183TF轿车143010.78.9019速腾(SAGITAR)牌FV7186TAT轿车143611.310.2120速腾(SAGITAR)牌FV7186T轿车140310.19.0421奥迪(AUDI)牌FV7201TCVTE轿车177012.69.7022奥迪(AUDI)牌FV7201TCVT轿车177012.69.7023奥迪(AUDI)牌FV7201TE轿车173011.99.3024奥迪(AUDI)牌FV7201T轿车173011.99.3025奥迪(AUDI)牌FV7203TFCVTE轿车149011.39.0026奥迪(AUDI)牌FV7203TFCVT轿车149011.39.0027速腾(SAGITAR)牌FV7206AT轿车140610.79.3228速腾(SAGITAR)牌FV7206轿车137410.18.9729奥迪(AUDI)牌FV7241CVTE轿车177513.111.3730奥迪(AUDI)牌FV7241E轿车173511.910.6431奥迪(AUDI)牌FV7301AT轿车188513.613.0032奥迪(AUDI)牌FV7303FAT轿车162012.611.9033奥迪(AUDI)牌FV7421AT轿车195013.613.303.东风汽车有限公司(《目录》序号:3)序号商标产品型号及名称整备质量*(kg)燃料消耗量**(L/100km)标准限值***综合值1轩逸(BLUEBIRDSYLPHY)牌DFL7200AA轿车126010.17.802轩逸(BLUEBIRDSYLPHY)牌DFL7200AB轿车126010.17.803天籁(TEANA)牌EQ7203BA轿车145011.310.004天籁(TEANA)牌EQ7203BB轿车145011.310.005天籁(TEANA)牌EQ7230BA轿车154512.010.306天籁(TEANA)牌EQ7230BB轿车154512.010.307天籁(TEANA)牌EQ7350BA轿车159512.010.808天籁(TEANA)牌EQ7350BB轿车159512.010.804.东风本田汽车有限公司(《目录》序号:3)序号商标产品型号及名称整备质燃料消耗量**(L/第3页共17页第2页共17页编号:时间:2021年x月x日书山有路勤为径,学海无涯苦作舟页码:第3页共17页量*(kg)100km)标准限值***综合值1思域(CIVIC)牌DHW7180(CIVIC1.8)轿车124010.17.202思域(CIVIC)牌DHW7180B(CIVIC1.8)轿车124010.17.203思域(CIVIC)牌DHW7181(CIVIC1.8M)轿车12109.57.004思域(CIVIC)牌DHW7181B(CIVIC1.8M)轿车12109.56.905.神龙汽车有限公司(《目录》序号:4)序号商标产品型号及名称整备质量*(kg)燃料消耗量**(L/100km)标准限值***综合值1东风标致牌DC7146A206轿车10508.36.402东风标致牌DC7146B206轿车10508.36.403东风雪铁龙牌DC7148A轿车10408.36.404东风雪铁龙牌DC7148B轿车10408.36.405东风雪铁龙牌DC7...

1、当您付费下载文档后,您只拥有了使用权限,并不意味着购买了版权,文档只能用于自身使用,不得用于其他商业用途(如 [转卖]进行直接盈利或[编辑后售卖]进行间接盈利)。
2、本站所有内容均由合作方或网友上传,本站不对文档的完整性、权威性及其观点立场正确性做任何保证或承诺!文档内容仅供研究参考,付费前请自行鉴别。
3、如文档内容存在违规,或者侵犯商业秘密、侵犯著作权等,请点击“违规举报”。

碎片内容

乘用车燃料消耗量(第一批)

精华资料店+ 关注
实名认证
内容提供者

大量教育教学资料

相关文档

确认删除?
VIP
微信客服
  • 扫码咨询
会员Q群
  • 会员专属群点击这里加入QQ群
客服邮箱
回到顶部