电脑桌面
添加小米粒文库到电脑桌面
安装后可以在桌面快捷访问

上海市公共建筑建设项目施工图节能审查备案表(暖通空调及动力专VIP免费

上海市公共建筑建设项目施工图节能审查备案表(暖通空调及动力专_第1页
1/4
上海市公共建筑建设项目施工图节能审查备案表(暖通空调及动力专_第2页
2/4
上海市公共建筑建设项目施工图节能审查备案表(暖通空调及动力专_第3页
3/4
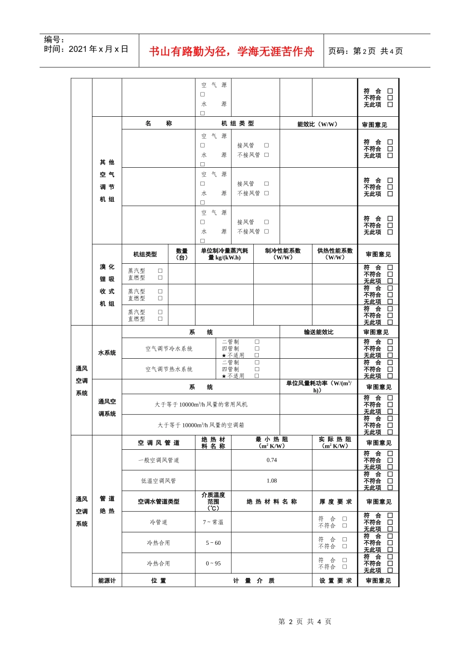
第1页共4页编号:时间:2021年x月x日书山有路勤为径,学海无涯苦作舟页码:第1页共4页附件2:上海市公共建筑建设项目施工图节能审查备案表(暖通空调及动力专业)所属区(县):-------------------200年月日一、建筑工程项目基本情况工程项目名称设计单位名称单位工程名称建筑面积(m2)设计日期项目类型大型公共建筑□市(区)两级国家机关办公建筑□建筑节能示范项目□一般公共建筑□总冷负荷(kW)冷负荷指标(kW/m2)总热负荷(kW)热负荷指标(kW/m2)二、用能设备技术措施基本情况冷热源设备锅炉设备热源类型燃料品种单台额定制热量(kW)数量(台)热效率(%)审图意见锅炉□电热水器□其它□()燃煤□燃油□其它□符合□不符合□无此项□锅炉□电热水器□其它□()燃煤□燃油□其它□符合□不符合□无此项□锅炉□电热水器□其它□()燃煤□燃油□其它□符合□不符合□无此项□冷热水(热泵)机组机组类型热源、热汇单台额定制冷量(kW)数量(台)制冷性能系数(W/W)审图意见空气源□水源□符合□不符合□无此项□空气源□水源□符合□不符合□无此项□第2页共4页第1页共4页编号:时间:2021年x月x日书山有路勤为径,学海无涯苦作舟页码:第2页共4页空气源□水源□符合□不符合□无此项□其他空气调节机组名称机组类型能效比(W/W)审图意见空气源□水源□接风管□不接风管□符合□不符合□无此项□空气源□水源□接风管□不接风管□符合□不符合□无此项□空气源□水源□接风管□不接风管□符合□不符合□无此项□溴化锂吸收式机组机组类型数量(台)单位制冷量蒸汽耗量kg/(kW.h)制冷性能系数(W/W)供热性能系数(W/W)审图意见蒸汽型□直燃型□符合□不符合□无此项□蒸汽型□直燃型□符合□不符合□无此项□蒸汽型□直燃型□符合□不符合□无此项□通风空调系统水系统系统输送能效比审图意见空气调节冷水系统二管制□四管制□★不适用□符合□不符合□无此项□空气调节热水系统二管制□四管制□★不适用□符合□不符合□无此项□通风空调系统系统单位风量耗功率(W/(m3/h))审图意见大于等于10000m3/h风量的常用风机符合□不符合□无此项□大于等于10000m3/h风量的空调箱符合□不符合□无此项□通风空调系统管道绝热空调风管道绝热材料名称最小热阻(m2K/W)实际热阻(m2K/W)审图意见一般空调风管道0.74符合□不符合□无此项□低温空调风管1.08符合□不符合□无此项□空调水管道类型介质温度范围(℃)绝热材料名称厚度要求审图意见冷管道7~常温符合□不符合□符合□不符合□无此项□冷热合用5~60符合□不符合□符合□不符合□无此项□冷热合用0~95符合□不符合□符合□不符合□无此项□能源计位置计量介质设置要求审图意见第3页共4页第2页共4页编号:时间:2021年x月x日书山有路勤为径,学海无涯苦作舟页码:第3页共4页量设置冷热源机房冷却塔等燃气□燃油□蒸汽□上水□其他□()符合□不符合□符合□不符合□无此项□集中冷热源的单栋建筑物冷水□热水□蒸汽□其他□()符合□不符合□符合□不符合□无此项□温度自控全空气空调系统有□无□无此项□符合□不符合□无此项□空气-水空调系统有□无□无此项□可再生能源地表水、污水水源热泵机组制冷量(kW)有□无□埋地管地源热泵机组制冷量(kW)说明1、本表中的“审图意见”栏,由施工图审图机构的审图人员根据相关标准规范和建筑节能政策法规要求进行符合性审核后填写。2、本表中的其他部分由项目设计单位填写。3、★部分,是指当空调热水系统采用气源热泵或者直燃式冷热水机组时,其水系统的输送能效值,应在不适用项中填写。4、当冷却塔补水计量装置由给排水专业设计时,应同时检查给排水专业的相关设计图内容。5、对水管道的绝热材料厚度,不得小于《上海地区建筑物内冷热水管的绝热厚度表》要求。上海地区建筑物内冷热水管的绝热厚度表绝热材料管道类型离心玻璃棉柔性泡沫橡塑公称管径(mm)厚度(mm)公称管径(mm)厚度(mm)单冷管道(管内介质温度7℃~常温)≤DN3225≤DN2022DN40~10030DN25~5025≥DN12535DN70~10028DN125~100032热或冷热合用管道(管内介质温度5~60℃)≤DN4035≤DN3225DN50~10...

1、当您付费下载文档后,您只拥有了使用权限,并不意味着购买了版权,文档只能用于自身使用,不得用于其他商业用途(如 [转卖]进行直接盈利或[编辑后售卖]进行间接盈利)。
2、本站所有内容均由合作方或网友上传,本站不对文档的完整性、权威性及其观点立场正确性做任何保证或承诺!文档内容仅供研究参考,付费前请自行鉴别。
3、如文档内容存在违规,或者侵犯商业秘密、侵犯著作权等,请点击“违规举报”。

碎片内容

上海市公共建筑建设项目施工图节能审查备案表(暖通空调及动力专

您可能关注的文档

确认删除?
VIP
微信客服
  • 扫码咨询
会员Q群
  • 会员专属群点击这里加入QQ群
客服邮箱
回到顶部