电脑桌面
添加小米粒文库到电脑桌面
安装后可以在桌面快捷访问

安全生产综合应急救援预案(DOC31页)VIP免费

安全生产综合应急救援预案(DOC31页)_第1页
1/31
安全生产综合应急救援预案(DOC31页)_第2页
2/31
安全生产综合应急救援预案(DOC31页)_第3页
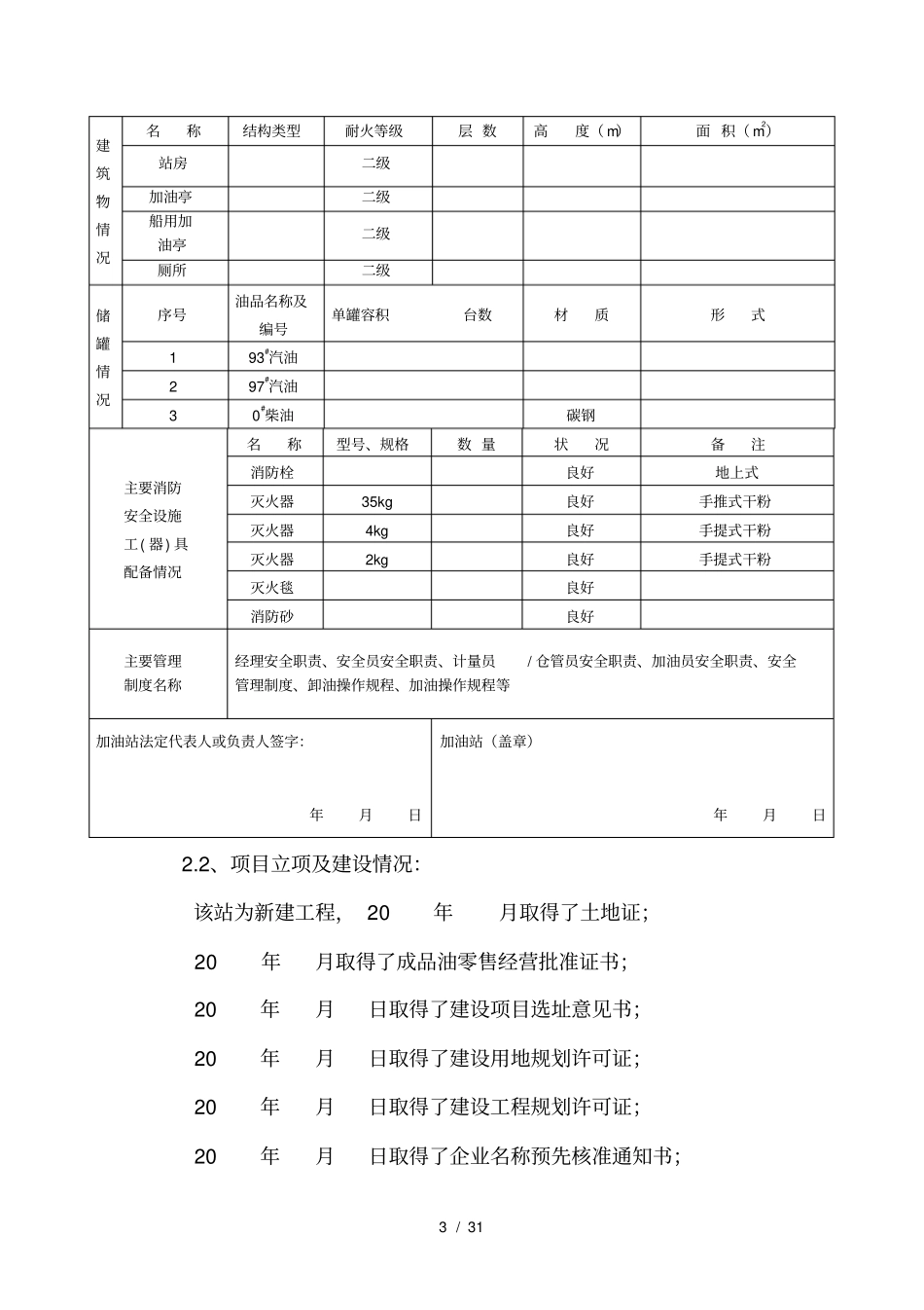
3/31
1/31安全生产综合应急救援预案1、总则1.1目的为了规范安全生产事故灾难应急管理和应急响应程序,明确职责,积极有效地实施应急救援工作,提高加油站防御重、特大事故(事件)的能力,及时消除、消减、控制事故(事件)所带来的人身伤亡、财产损失,维护广大职工的生命安全和社会稳定,特制定本预案。1.2编制依据依据《中华人民共和国安全生产法》《危险化学品安全管理条例》、《国务院关于进一步加强安全工作的通知》《国家安全生产事故应急预案》等法律法规要求,结合我站生产实际,制定本预案。1.3适用范围本预案适用于加油站在生产作业活动中发生的各类事故。1.4预案体系加油站及安全生产事故预案体系包括:综合预案、专项预案和现场处置方案。——加油站应急预案体系图见附件1——加油站总体应急预案框架图见附件2——加油站专项应急预案体系图见附件31.5工作原则2/311)、以人为本、安全第一,把保障职工群众的生命安全和身体健康,最大程度地预防和减少安全生产事故造成的人员伤亡作为首要任务,切实发应急救援力量的骨干作用。2)、统一领导、层层负责,在站安委会的统一领导和应急指挥中心的组织协调下,各职能部门按照各自职责,负责有关事故灾难的应急管理和应急处置工作。各工段要认真履行安全生产责任,建立健全应急分队和应急响应机制。3)、预防为主、平战结合,贯彻落实“安全第一、预防为主”的方针,坚持事故应急与预防相结合。做好预防、预测和预报工作,做好常态下的风险评估。2、企业概况2.1、加油站基本情况表2-1加油站基本情况表加油站名称现任经理加油站地址联系电话加油站设计单位设计单位资质加油站施工单位施工单位资质加油站监理单位监理单位资质职工人数经理持证上岗人数占地面积储存能力加油站级别加油机数量加油枪数量竣工验收时间3/31建筑物情况名称结构类型耐火等级层数高度(m)面积(m2)站房二级加油亭二级船用加油亭二级厕所二级储罐情况序号油品名称及编号单罐容积台数材质形式193#汽油297#汽油30#柴油碳钢主要消防安全设施工(器)具配备情况名称型号、规格数量状况备注消防栓良好地上式灭火器35kg良好手推式干粉灭火器4kg良好手提式干粉灭火器2kg良好手提式干粉灭火毯良好消防砂良好主要管理制度名称经理安全职责、安全员安全职责、计量员/仓管员安全职责、加油员安全职责、安全管理制度、卸油操作规程、加油操作规程等加油站法定代表人或负责人签字:年月日加油站(盖章)年月日2.2、项目立项及建设情况:该站为新建工程,20年月取得了土地证;20年月取得了成品油零售经营批准证书;20年月日取得了建设项目选址意见书;20年月日取得了建设用地规划许可证;20年月日取得了建设工程规划许可证;20年月日取得了企业名称预先核准通知书;4/3120年月由煤炭科学研究总院重庆研究院完成了《建设项目设立安全评价报告》;20年月日由完成了《建设项目安全设施设计专篇》;20年月日由忻州市安监局组织五寨县安监局、企业、专家通过了设立安全审查,认为该项目符合建设项目设立安全基本条件。20年月日新建项目经五寨县气象局监测取得《山西省防雷设施安全检查合格证》(发证日期:),20年月日经忻州市公安消防支队进行建筑工程消防验收,符合安全要求(日期:)。法定代表人经理分别于20年月日取得了山西省安全生产监督管理局颁发的危险化学品经营单位主要负责人安全资格证书,安全管理员与取得了忻州市安全生产监督管理局颁发的安全资格证书,其他从业人员经过了相关的安全技术培训。2.3、加油站的建、构筑物:项目地址在五寨县,总占地面积m2,总建筑面积m2(钢罩棚按全部投影面积计算),其中站房m2,钢罩棚m2,附属用房m2,厕所m2。5/31表2-2主要建、构筑物序号建筑物名称建筑面积(m2)机构耐火等级火险类别备注1加油亭钢网架二级甲2站房砖混二级--附属用房砖混二级3厕所砖混二级--2.4、项目总投资:总投资余万元,其中其他二次费用为万元,基本预备费(不可预见费)部分万元。土建部分万元,安装部分为万元。2.5、项目主要技术及工艺①、加油站所经营的汽油、柴油,其卸油、付油的主要技术及工艺,属于国内成熟工艺,满足加油工艺及设施的要求,...

1、当您付费下载文档后,您只拥有了使用权限,并不意味着购买了版权,文档只能用于自身使用,不得用于其他商业用途(如 [转卖]进行直接盈利或[编辑后售卖]进行间接盈利)。
2、本站所有内容均由合作方或网友上传,本站不对文档的完整性、权威性及其观点立场正确性做任何保证或承诺!文档内容仅供研究参考,付费前请自行鉴别。
3、如文档内容存在违规,或者侵犯商业秘密、侵犯著作权等,请点击“违规举报”。

碎片内容

安全生产综合应急救援预案(DOC31页)

爱的疯狂+ 关注
实名认证
内容提供者

该用户很懒,什么也没介绍

确认删除?
VIP
微信客服
  • 扫码咨询
会员Q群
  • 会员专属群点击这里加入QQ群
客服邮箱
回到顶部