电脑桌面
添加小米粒文库到电脑桌面
安装后可以在桌面快捷访问

07输变电工程安全施工作业票VIP免费

07输变电工程安全施工作业票_第1页
1/28
07输变电工程安全施工作业票_第2页
2/28
07输变电工程安全施工作业票_第3页
3/28
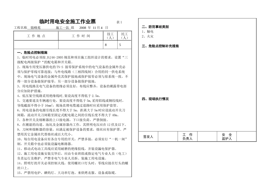
临时用电安全施工作业票表1工程名称锦峰苑施工一队组2008年11月4日工作地点工作时间技工(人)民工(人)85一、危险点控制措施1、临时用电必须按JGJ46-2005规范和项目施工组织设计的要求,设置“三级配电两级保护“的配电箱和开关箱。2、现场专用变压器供电的TN-S接零保护系统中的电气设备的金属外壳必须与保护零线可靠连接;与外电线路(三相四线制)合用的同一供电系统中,现场电气设备的金属外壳其保护接地或保护接零必须与原系统一致,不得一部分设备做保护接零,另一部分设备做保护接地。3、用电线路及电气设备的绝缘必须良好,布线应整齐,设备的裸露带电部分应加防护措施。4、低压架空线路采用绝缘线时,架设高度不得低于2.5m。5、交通要道及车辆通行处,架设高度不得低于5m,采用铝线或铜绞线时,导线截面不得小于16mm2;现场直埋电缆通过道路时应采用保护套管。6、用电设备的电源引线长度不得大于5m。距离大于5m时应设流动开关刀闸箱,流动开关刀闸箱至固定式配电箱之间的引线长度不得大于40m。7、各种开关及熔断器的上口接电源,下口接负荷,严禁倒接。8、在潮湿的沟道、池坑及金属容器内工作,其照明电压应在12伏及以下。9、刀闸和熔断器的容量,应满足被保护设备的要求,熔丝应有保护罩。严禁用其它金属丝代替熔丝或以大代小。10、每台用电设备应有各自专用的开关,严禁多接,必须实行“一机一闸”制,开关箱中也必须装设漏电断路器。11、移动式电动工具线应采用耐磨的绝缘胶线,并装设漏电保护器。12、施工用电设施安装完毕后,应由专业班组或指定电气专业人员(电工)负责运行及维护。严禁非电气专业人员拆、装施工用电设施。14、照明灯的开关必须控制火线,使用螺丝口灯头时,零线应接在灯头的螺丝口上。15、严禁用电炉、碘钨灯、大功率灯泡、来烘烤衣服、设备或取暖。二、防范事故类别1、触电2、火灾三、危险点控制补充措施四、现场执行情况签发人工作负责人安全监护人构架吊装安全施工作业票表2工程名称施工一队队/班组年月日工作地点工作时间技工(人)民工(人)一、危险点控制措施1、凡进入施工现场的人员必须正确佩戴安全帽、穿好工作服,严禁穿拖鞋、凉鞋、高跟鞋。严禁酒后进入施工现场。2、高处作业人员必须正确使用安全带,特殊高处作业还应使用速差保护器、攀登自锁器和水平安全绳,且应衣着灵便,穿软底鞋,较小的工具材料应放在工具包内,上下传递物品应用传递绳,严禁抛掷。3、禁止安排心脏病、高血压、癫痫、眩晕和其他职业禁忌症人员从事高处作业。4、凡遇六级以上大风或恶劣气候时,应停止起重吊装和高处作业。构架及避雷针一经组立固定后,应及时做好防雷接地。5、构架吊装前,应对使用的吊车等起重机械设备,对钢丝绳、双钩、滑车、卸扣、马鞍夹头等工器具以及个人安全防护用具,进行全面检查,不符合施工工艺和安全要求的不得使用。吊车应有检测合格证、工器具应有通过检查或试验的合格记录,禁止超负荷吊装,禁止以小代大使用工器具。6、吊车司机、起重机械操作手、起重指挥、司索及起重工必须特有效的特种作业操作证。7、吊装工作开始前,应制定施工方案及安全技术措施,并经审查批准后方可执行,并在施工前进行交底,无措施或未经交底严禁施工。8、吊机停靠位置应稳固,确保四周安全,起吊方便,支腿应垫实,严禁超载和偏拉斜吊。9、在起吊过程中,应有专人负责、统一指挥,各个临时拉线应设专人松紧,各个受力地锚必须有专人看护,做到动作协调。10、起吊重载构件时,离地前应检查使用的工具规格符合施工方案要求,离开地面约10厘米左右时停止起吊,检查各部位绑扎受力点是否有异常,确认无误方能继续起吊。在起吊过程中,任何人不得在起吊构件下方工作、逗留或行走。11、地锚埋设规范、稳固,起吊千斤绳与构件绑扎点正确且绑扎牢靠、临时拉线与构件、地锚及双钩的固定可靠,缆风绳调整操作时应有防止滑移松脱的措施。12、未固定好构件,未经指挥同意,严禁人员攀登构件、解吊点绳(脱钩)或其他高处作业。13、在杆根没有固定好之前及二次灌浆混凝土未达到规定的强度时,不准拆除临时拉线。14、起吊横梁及大型构件时,应在横梁及构件两端分别...

1、当您付费下载文档后,您只拥有了使用权限,并不意味着购买了版权,文档只能用于自身使用,不得用于其他商业用途(如 [转卖]进行直接盈利或[编辑后售卖]进行间接盈利)。
2、本站所有内容均由合作方或网友上传,本站不对文档的完整性、权威性及其观点立场正确性做任何保证或承诺!文档内容仅供研究参考,付费前请自行鉴别。
3、如文档内容存在违规,或者侵犯商业秘密、侵犯著作权等,请点击“违规举报”。

碎片内容

07输变电工程安全施工作业票

您可能关注的文档

确认删除?
VIP
微信客服
  • 扫码咨询
会员Q群
  • 会员专属群点击这里加入QQ群
客服邮箱
回到顶部