电脑桌面
添加小米粒文库到电脑桌面
安装后可以在桌面快捷访问

大体积混凝土浇筑技术交底VIP免费

大体积混凝土浇筑技术交底_第1页
1/10
大体积混凝土浇筑技术交底_第2页
2/10
大体积混凝土浇筑技术交底_第3页
3/10
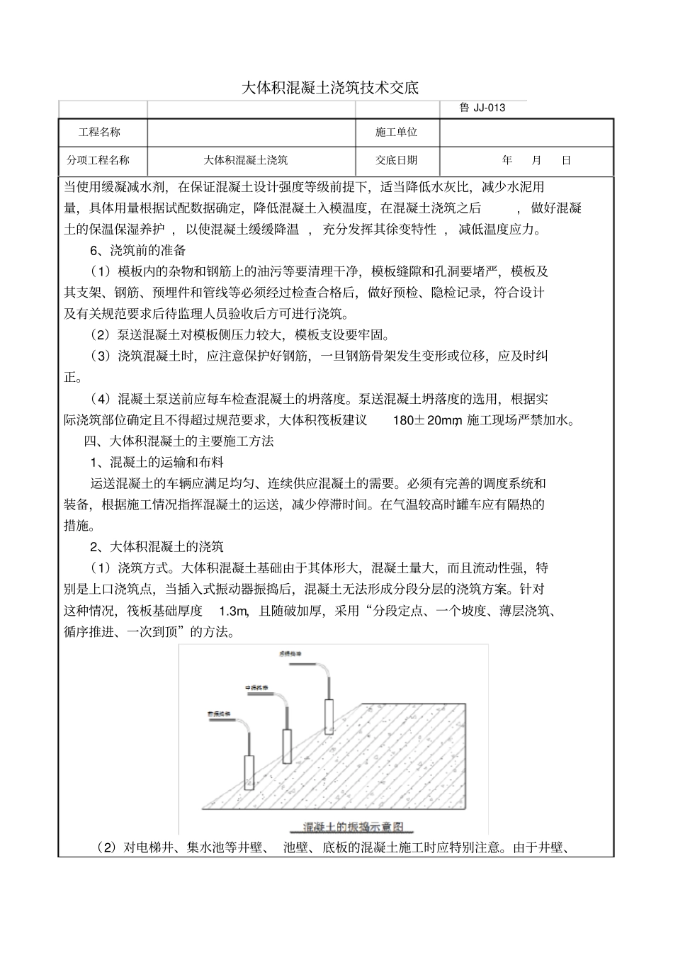
大体积混凝土浇筑技术交底鲁JJ-013工程名称施工单位分项工程名称大体积混凝土浇筑交底日期年月日交底内容:一、施工部署1、施工要求(1)本工程地下室筏板基础采用C30抗渗P6商品混凝土,上翻墙体采用C45抗渗P6商品混凝土。(2)地下室采用汽车泵浇筑,泵车分别置于基坑外,便于混凝土运输车卸料。(3)根据施工工序及工期安排,混凝土浇筑尽量安排在白天进行,混凝土浇筑量较大,白天不能浇筑完成或不准留置施工缝时,现场管理人员分成两班,每班12h,各专业有关领导及施工人员跟班作业,负责检查,同时做好相关方面协调工作。2、施工顺序根据现场实际情况,以单位工程的筏板与四周车库沉降后浇带为界,浇筑方向自西向东逐渐推进。二、施工准备1、技术准备(1)施工技术人员认真熟悉施工图,了解混凝土强度等级、后浇带、上翻墙施工缝的构造要求。(2)在混凝土浇筑以前,将拟用的商品混凝土配比资料及有关混凝土碱含量等试验报告呈报监理单位工程师审阅。(3)制定混凝土试块试验计划,检查混凝土标养试验室的温湿环境,以满足要求。2、机具准备(见下表)规格单位数量单耗量(KW)总功率(KW)备注ZN-50振捣器台91.16.6移动式三级配电箱个10碘钨灯盏10铁锹把20铁抹子个20木抹子个20汽车泵台13、材料准备(1)本工程混凝土全部采用预拌混凝土,预拌混凝土由商混公司供应,并提前一周对商品混凝土公司发出混凝土供应通知单,要求准备足够的符合设计及大体积混凝土要求的砂、石、水泥、外加剂及混凝土所需要的材料。(2)混凝土的供应:连续浇筑底板、筏板混凝土时应保证15min浇筑一车混凝土的供应需求。大体积混凝土浇筑技术交底鲁JJ-013工程名称施工单位分项工程名称大体积混凝土浇筑交底日期年月日(3)按照施工准备要求准备混凝土养护材料,如毛毡、塑料薄膜等。4、人员准备泵送操作人员必须经过专门培训后,方可上岗操作,且不少于20人。项目数量备注砼工30下料、摊铺、收光等,15人/班,轮班作业木工5吊模值班,保证现场24小时有人钢筋工10钢筋值班,换值,保证24小时现场有4人预留预埋3含水、电等专业的预留预埋机械维修人员(含电工)3机械维修,随叫随到,保证施工顺利养护5专职养护,保证砼24小时不间断养护合计56砼浇筑按12小时/班轮班施工,以满足现场施工的需要5、施工现场准备(1)钢筋的隐检工作已经完成,并已核实预埋件、线管、孔洞的位置、数量及固定情况无误。(2)预拌混凝土运输车进入施工现场后将混凝土用汽车泵进行浇筑。在施工过程中,加强通信联络和调度,确保混凝土浇筑的连续均匀性。(3)为满足混凝土连续施工的需要,浇筑之前,应提前选择好行车线路和确定运输车数量,同时应做好沿途交通警察工作、工地附近居民工作,以防出现混凝土因交通和民扰出现间断。(4)模板的预检工作已经完成,模板标高、位置、尺寸准确符合设计要求,支架稳定,支撑和模板固定可靠,模板拼缝严密,符合规范要求。(5)由预拌混凝土搅拌站试验室根据设计图纸要求确定配合比及外加剂用量。(6)混凝土浇筑前组织施工人员进行施工方案的学习,对重点部位认真学习,栋号长负责落实,做到作业人员心中有数。(7)浇筑混凝土用架子、走道及工作平台,安全稳固,能够满足浇筑要求。(8)混凝土浇筑前,仔细清理泵管内残留物,确保泵管畅通,仔细检查泵管、架体的连接加固情况。(9)提前签订预拌混凝土供货合同,签订时由技术部门提供具体供应时间、强度等级、所需车辆、砼的数量及其间隔时间,特殊要求如抗渗、入模温度、坍落度、水泥及预防混凝土碱集料反应所需提供的资料等。(10)按设计要求,本工程筏板基础采用C30混凝土,抗渗等级为P6,上翻墙体采用C45抗渗P6商品混凝土。大体积混凝土优先选用低水化热的矿渣水泥拌制混凝土,并适大体积混凝土浇筑技术交底鲁JJ-013工程名称施工单位分项工程名称大体积混凝土浇筑交底日期年月日当使用缓凝减水剂,在保证混凝土设计强度等级前提下,适当降低水灰比,减少水泥用量,具体用量根据试配数据确定,降低混凝土入模温度,在混凝土浇筑之后,做好混凝土的保温保湿养护,以使混凝土缓缓降温,充分发挥其徐变特性,减低温度应力。6、浇筑前的...

1、当您付费下载文档后,您只拥有了使用权限,并不意味着购买了版权,文档只能用于自身使用,不得用于其他商业用途(如 [转卖]进行直接盈利或[编辑后售卖]进行间接盈利)。
2、本站所有内容均由合作方或网友上传,本站不对文档的完整性、权威性及其观点立场正确性做任何保证或承诺!文档内容仅供研究参考,付费前请自行鉴别。
3、如文档内容存在违规,或者侵犯商业秘密、侵犯著作权等,请点击“违规举报”。

碎片内容

大体积混凝土浇筑技术交底

您可能关注的文档

确认删除?
VIP
微信客服
  • 扫码咨询
会员Q群
  • 会员专属群点击这里加入QQ群
客服邮箱
回到顶部