电脑桌面
添加小米粒文库到电脑桌面
安装后可以在桌面快捷访问

6-10 工程组领班考核标准VIP免费

6-10 工程组领班考核标准_第1页
1/2
6-10 工程组领班考核标准_第2页
2/2
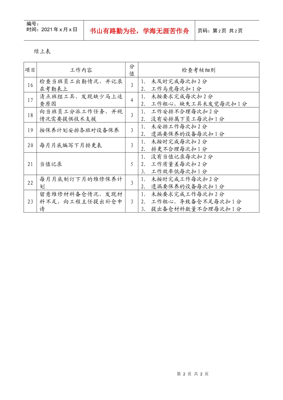
第1页共2页编号:时间:2021年x月x日书山有路勤为径,学海无涯苦作舟页码:第1页共2页工程组领班考核标准项目工作内容分值检查考核细则1每天上班后核查前一天的各当班记录,向当班员工下令当日工作指令,必要时提供必备的技术指导31.未按时完成每次扣1分2.遗漏有关事项每次扣1分3.发现问题未及时解决每次扣1分2每天留意各员工动态,对要求技术支援的工作给予指导,发现员工有差错随时给予纠正。31.发现员工工作出现问题未给予纠正每次扣1分2.未按要求完成工作每次扣2分`3每天下午巡视楼宇各辖区内设备一次,发现异常立即安排维修21.未按时完成每次扣1分2.发现问题未及时处理每次扣1分4每天检查工作任务单完成情况,当天工作当天完成因故未完成的找出原因,尽快解决。31.未按时检查每次扣1分2.未及时发现问题每次扣1分3.发现问题未及时处理每次扣1分5每星期五召开一次班组会议3未召开每次扣3分6工作计划2未按时做工作计划每次扣2分7参加工程例会31.无故不参加每次扣2分2.对例会要求的工作执行不力每次扣1分8回答用户本系统的技术咨询2业务不精导致用户投诉每次扣2分9重大设备事故现场指挥维修21.未及时到场指挥维修每次扣2分2.措施不当,事故扩大每次扣2分10用户二次装修初审31.效率低每次扣1分2.审图质量差,遗漏重要事项每次每项扣2分11处理及回答员工工作中的问题31.无故拖延每次扣1分2.处理不当每次扣1分3.越权行事每次扣1分12本系统相关的对外业务联系2工作不到位影响到日常工作每次扣2分13监督设备承判商工作31.未监督每次扣1分2.监督不当每次扣1分3.发现问题未及时处理每次扣1分14完成上级临时指派的工作41.工作效率低每次扣2分2.工作质量差每次扣2分15本系统相关图纸资料的收集整理,核对并交文员归档41.遗漏有关图纸每次扣1分2.图纸与实物不符,未及时发现解决每次扣1分3.损坏或遗失重要图纸资料每次扣1分4.未交文员存档每次扣1分第2页共2页第1页共2页编号:时间:2021年x月x日书山有路勤为径,学海无涯苦作舟页码:第2页共2页续上表项目工作内容分值检查考核细则16检查当班员工出勤情况,并记录在考勤表上31.未及时完成每次扣2分2.工作马虎每次扣1分17清点班组工具,发现缺少马上追查原因41.未按要求完成每次扣2分2.工作粗心,缺失工具未发觉每次扣1分18向当班员工分派工作任务,并视情况需要提供技术支援31.工作安排不合理每次扣2分2.没有安排属下员工每次扣1分19按保养计划安排各班对设备保养31.未安排工作每次扣2分2.遗漏要保养的设备每次扣1分20每月月底编写下月排更表31.未按时完成每次扣2分2.排更不合理每次扣1分21当值记录51.没有当值记录每次扣2分2.工作质量差每次扣2分3.工作效率低每次扣1分22每月月底制订下月的维修保养计划31.未按时完成工作每次扣2分2.遗漏要保养的设备每次扣1分23留意维修材料备仓情况,发现材料不足,向工程主任提出补仓申请31.未按要求完成工作每次扣2分2.工作粗心,导致备仓不足每次扣1分3.提出备仓材料数量不合理每次扣1分

1、当您付费下载文档后,您只拥有了使用权限,并不意味着购买了版权,文档只能用于自身使用,不得用于其他商业用途(如 [转卖]进行直接盈利或[编辑后售卖]进行间接盈利)。
2、本站所有内容均由合作方或网友上传,本站不对文档的完整性、权威性及其观点立场正确性做任何保证或承诺!文档内容仅供研究参考,付费前请自行鉴别。
3、如文档内容存在违规,或者侵犯商业秘密、侵犯著作权等,请点击“违规举报”。

碎片内容

6-10 工程组领班考核标准

您可能关注的文档

确认删除?
VIP
微信客服
  • 扫码咨询
会员Q群
  • 会员专属群点击这里加入QQ群
客服邮箱
回到顶部