电脑桌面
添加小米粒文库到电脑桌面
安装后可以在桌面快捷访问

10分户验收检查表(室内电气工程)(十)VIP免费

10分户验收检查表(室内电气工程)(十)_第1页
1/38
10分户验收检查表(室内电气工程)(十)_第2页
2/38
10分户验收检查表(室内电气工程)(十)_第3页
3/38
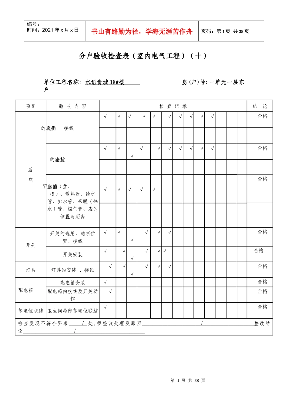
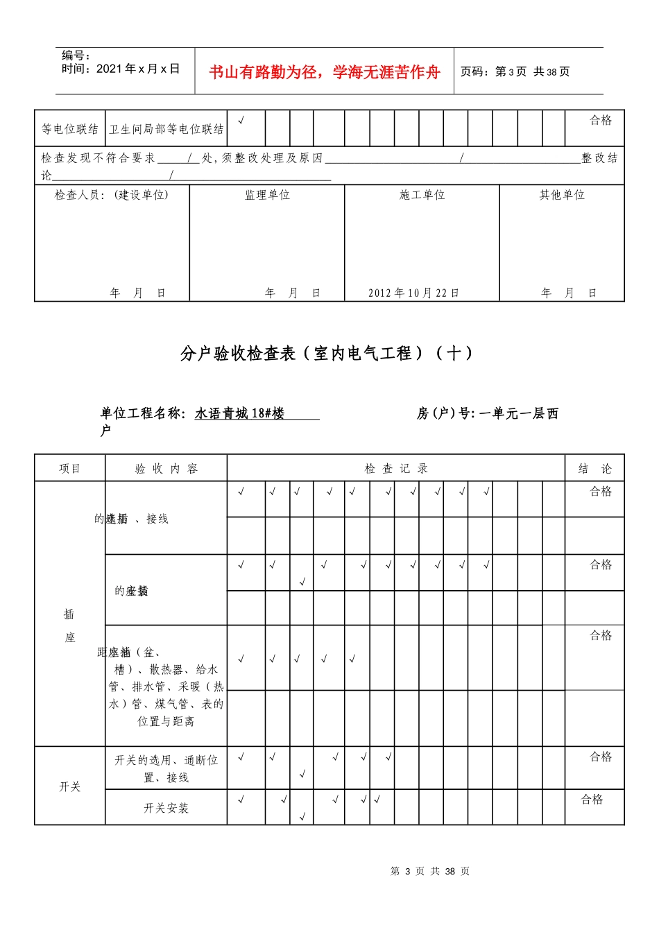
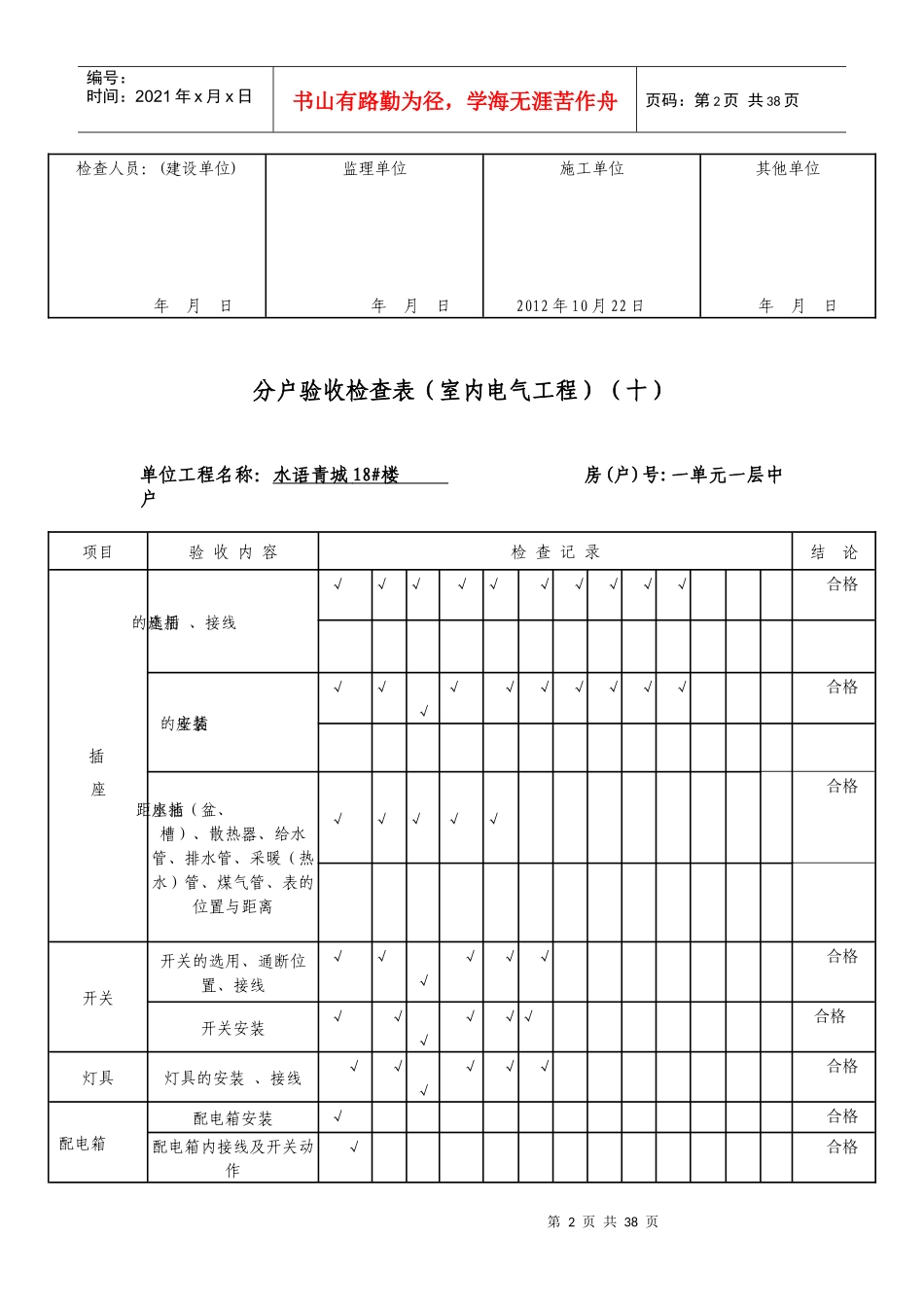
第1页共38页编号:时间:2021年x月x日书山有路勤为径,学海无涯苦作舟页码:第1页共38页分户验收检查表(室内电气工程)(十)单位工程名称:水语青城18#楼房(户)号:一单元一层东户项目验收内容检查记录结论插座插座的选用、接线√√√√√√√√√√合格插座的安装√√√√√√√√√√合格插座距水池(盆、槽)、散热器、给水管、排水管、采暖(热水)管、煤气管、表的位置与距离√√√√√合格开关开关的选用、通断位置、接线√√√√√√合格开关安装√√√√√√合格灯具灯具的安装、接线√√√√√√合格配电箱配电箱安装√合格配电箱内接线及开关动作√合格等电位联结卫生间局部等电位联结√合格检查发现不符合要求/处,须整改处理及原因/整改结论/第2页共38页第1页共38页编号:时间:2021年x月x日书山有路勤为径,学海无涯苦作舟页码:第2页共38页检查人员:(建设单位)年月日监理单位年月日施工单位2012年10月22日其他单位年月日分户验收检查表(室内电气工程)(十)单位工程名称:水语青城18#楼房(户)号:一单元一层中户项目验收内容检查记录结论插座插座的选用、接线√√√√√√√√√√合格插座的安装√√√√√√√√√√合格插座距水池(盆、槽)、散热器、给水管、排水管、采暖(热水)管、煤气管、表的位置与距离√√√√√合格开关开关的选用、通断位置、接线√√√√√√合格开关安装√√√√√√合格灯具灯具的安装、接线√√√√√√合格配电箱配电箱安装√合格配电箱内接线及开关动作√合格第3页共38页第2页共38页编号:时间:2021年x月x日书山有路勤为径,学海无涯苦作舟页码:第3页共38页等电位联结卫生间局部等电位联结√合格检查发现不符合要求/处,须整改处理及原因/整改结论/检查人员:(建设单位)年月日监理单位年月日施工单位2012年10月22日其他单位年月日分户验收检查表(室内电气工程)(十)单位工程名称:水语青城18#楼房(户)号:一单元一层西户项目验收内容检查记录结论插座插座的选用、接线√√√√√√√√√√合格插座的安装√√√√√√√√√√合格插座距水池(盆、槽)、散热器、给水管、排水管、采暖(热水)管、煤气管、表的位置与距离√√√√√合格开关开关的选用、通断位置、接线√√√√√√合格开关安装√√√√√√合格第4页共38页第3页共38页编号:时间:2021年x月x日书山有路勤为径,学海无涯苦作舟页码:第4页共38页灯具灯具的安装、接线√√√√√√合格配电箱配电箱安装√合格配电箱内接线及开关动作√合格等电位联结卫生间局部等电位联结√合格检查发现不符合要求/处,须整改处理及原因/整改结论/检查人员:(建设单位)年月日监理单位年月日施工单位2012年10月22日其他单位年月日分户验收检查表(室内电气工程)(十)单位工程名称:水语青城18#楼房(户)号:一单元二层东户项目验收内容检查记录结论插座插座的选用、接线√√√√√√√√√√合格插座的安装√√√√√√√√√√合格插座距水池(盆、槽)、散热器、给水管、排水管、采暖(热水)管、煤气管、表的位置与距离√√√√√合格第5页共38页第4页共38页编号:时间:2021年x月x日书山有路勤为径,学海无涯苦作舟页码:第5页共38页开关开关的选用、通断位置、接线√√√√√√合格开关安装√√√√√√合格灯具灯具的安装、接线√√√√√√合格配电箱配电箱安装√合格配电箱内接线及开关动作√合格等电位联结卫生间局部等电位联结√合格检查发现不符合要求/处,须整改处理及原因/整改结论/检查人员:(建设单位)年月日监理单位年月日施工单位2012年10月22日其他单位年月日分户验收检查表(室内电气工程)(十)单位工程名称:水语青城18#楼房(户)号:一单元二层中户项目验收内容检查记录结论插座插座的选用、接线√√√√√√√√√√合格插座的安装√√√√√√√√√√合格第6页共38页第5页共38页编号:时间:2021年x月x日书山有路勤为径,学海无涯苦作舟页码:第6页共38页插座距水池(盆、槽)、散热器、给水管、排水管、采暖(热水)管、煤气管、表的位置与距离√√√√√合格开关开关的选用、通断位置、接线√√√√√√合格开关安装√√√√√√合格灯具灯具的安装、接...

1、当您付费下载文档后,您只拥有了使用权限,并不意味着购买了版权,文档只能用于自身使用,不得用于其他商业用途(如 [转卖]进行直接盈利或[编辑后售卖]进行间接盈利)。
2、本站所有内容均由合作方或网友上传,本站不对文档的完整性、权威性及其观点立场正确性做任何保证或承诺!文档内容仅供研究参考,付费前请自行鉴别。
3、如文档内容存在违规,或者侵犯商业秘密、侵犯著作权等,请点击“违规举报”。

碎片内容

10分户验收检查表(室内电气工程)(十)

您可能关注的文档

确认删除?
VIP
微信客服
  • 扫码咨询
会员Q群
  • 会员专属群点击这里加入QQ群
客服邮箱
回到顶部