电脑桌面
添加小米粒文库到电脑桌面
安装后可以在桌面快捷访问

专用设备设施安全要点检查表1VIP免费

专用设备设施安全要点检查表1_第1页
1/6
专用设备设施安全要点检查表1_第2页
2/6
专用设备设施安全要点检查表1_第3页
3/6
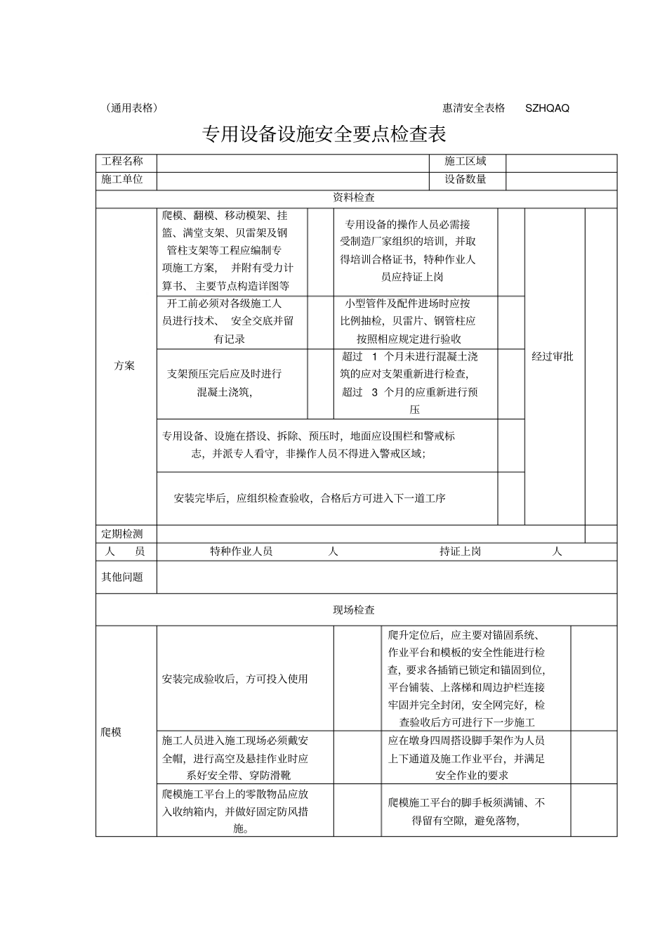
(通用表格)惠清安全表格SZHQAQ专用设备设施安全要点检查表工程名称施工区域施工单位设备数量资料检查方案爬模、翻模、移动模架、挂篮、满堂支架、贝雷架及钢管柱支架等工程应编制专项施工方案,并附有受力计算书、主要节点构造详图等专用设备的操作人员必需接受制造厂家组织的培训,并取得培训合格证书,特种作业人员应持证上岗经过审批开工前必须对各级施工人员进行技术、安全交底并留有记录小型管件及配件进场时应按比例抽检,贝雷片、钢管柱应按照相应规定进行验收支架预压完后应及时进行混凝土浇筑,超过1个月未进行混凝土浇筑的应对支架重新进行检查,超过3个月的应重新进行预压专用设备、设施在搭设、拆除、预压时,地面应设围栏和警戒标志,并派专人看守,非操作人员不得进入警戒区域;安装完毕后,应组织检查验收,合格后方可进入下一道工序定期检测人员特种作业人员人持证上岗人其他问题现场检查爬模安装完成验收后,方可投入使用爬升定位后,应主要对锚固系统、作业平台和模板的安全性能进行检查,要求各插销已锁定和锚固到位,平台铺装、上落梯和周边护栏连接牢固并完全封闭,安全网完好,检查验收后方可进行下一步施工施工人员进入施工现场必须戴安全帽,进行高空及悬挂作业时应系好安全带、穿防滑靴应在墩身四周搭设脚手架作为人员上下通道及施工作业平台,并满足安全作业的要求爬模施工平台上的零散物品应放入收纳箱内,并做好固定防风措施。爬模施工平台的脚手板须满铺、不得留有空隙,避免落物,爬模施工平台的四周须安装安全防护网,人行通道用过塑钢丝网围蔽爬模每层对角位置处应各布置2个(共4个/层)4kg干粉灭火器,上下层的放置位置应交错拆除作业须按拆除方案进行爬模拆除时,爬模下端四周应设有警戒区域翻模翻模的拆除须按拆除方案进行,拆除前须做好交底,严格遵守操作规程,各项安全警示、防护措施落实到位模板应按设计和施工说明要求的顺序拼装,模板及其支架必须采取临时固定措施防止倾覆模板拆装区域周围,必须设置警戒,警示、提示标牌齐全,并有专人值守组装模板时应及时用螺栓将相邻模板连接固定好,防止模板倾倒伤人大型模板必须有操作平台、上下梯道、走桥和防护栏杆等作业空间和防护设施电器设备必须做好接地保护,电线接头必须做好绝缘保护,与支架及构件接触处须穿管保护移动模架移动模架拼装应由具有专业资质的单位承担移动模架试拼、安装后应进行静载试验,验收合格后方可投入使用移动模架试拼、安装要按照安全检查要求在混凝土浇筑前,应对移动模架各部件及安全措施进行全面检查,确认符合要求方可浇筑平台设置应使操作人员能抵达每一施工区域,不同构件上的平台应进行受力验算移动模架托架安(拆)、底模横梁联(拆)承重销等高空临边作业人员必须系扣安全带移动模架的吊装须符合吊装作业的规定移动模架上的施工临时用电应符合临时用电规定,输电线路与模架长时间接触部位须穿管保护托架及模架施工中,其下方禁止人员通行;操作平台上,3人以上人员不得聚集一处,严禁向下乱抛掷钢筋、螺丝、工具等,下班时应清扫和整理好料具。模架横移、前移过程中除模架操作人员,禁止其他人员逗留站立在模架上在移动模架的适当位置应设置各类安全警示标牌移动模架在使用前应设置临边防护设施,平台、过道四周要有防护栏杆和安全网,平台、过道板铺设应牢固,不得留有空隙进入海上等有通航要求的区域施工的移动模架应增设航标警示标志施工材料等不得堆放在移动模架两侧翼缘板通道上施工期间应根据实际情况在模架底部两侧设置警戒区域跨路施工如无法改道,须采取防漏、防抛等措施模架拆除须严格按照拆除方案进行,拆除过程须有专人指挥,并设置安全警示区域,进行警戒挂篮加工完成后应进行试拼装,作静载试验,验收合格方可使用挂篮行走应以千斤顶或者倒链做动力,严禁使用卷扬机钢丝绳牵引同一“T”构两套挂篮推进应严格同步,以确保结构安全挂篮后锚系统所用的精轧螺纹钢,安装时须竖直受力,不得倾斜产生弯折;精轧螺纹钢用连接器连接时,接长端应用油漆画出1/2联接器长度,确保两根精轧螺纹钢的端头在连接器内的长度一致每套挂篮都应配备消防器材...

1、当您付费下载文档后,您只拥有了使用权限,并不意味着购买了版权,文档只能用于自身使用,不得用于其他商业用途(如 [转卖]进行直接盈利或[编辑后售卖]进行间接盈利)。
2、本站所有内容均由合作方或网友上传,本站不对文档的完整性、权威性及其观点立场正确性做任何保证或承诺!文档内容仅供研究参考,付费前请自行鉴别。
3、如文档内容存在违规,或者侵犯商业秘密、侵犯著作权等,请点击“违规举报”。

碎片内容

专用设备设施安全要点检查表1

您可能关注的文档

确认删除?
VIP
微信客服
  • 扫码咨询
会员Q群
  • 会员专属群点击这里加入QQ群
客服邮箱
回到顶部